LEMON Manuals: Even more car manuals for everyone
Home >> Chevrolet >> 2014 >> Tahoe SSV >> Repair and Diagnosis >> Engine Performance >> System >> Data Communication System >> Schematic Wiring Diagrams >> Data Communication Wiring Schematics >> Serial Data Gateway Module (HP2)

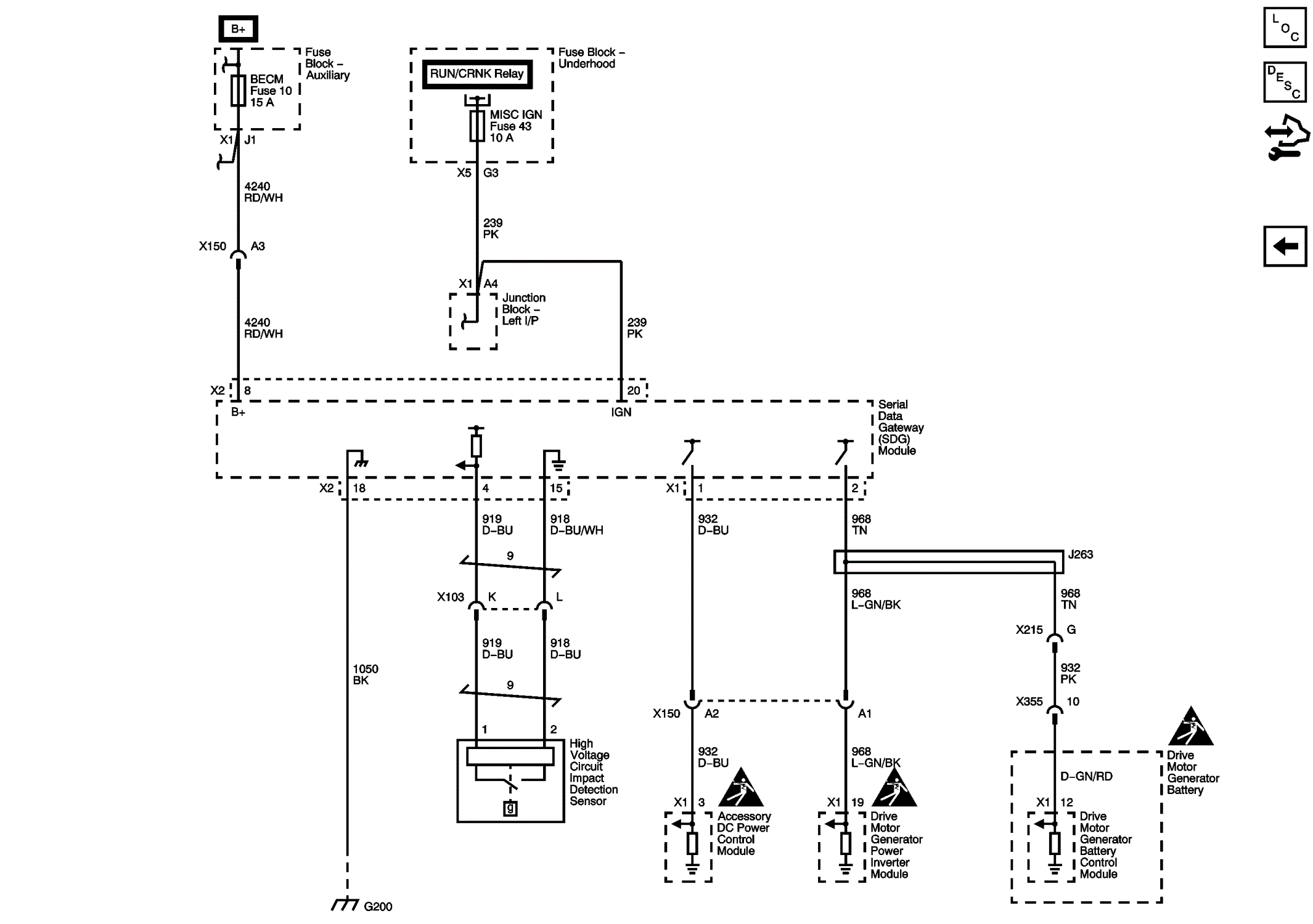
Serial Data Gateway Module (HP2)

Fig 1: Serial Data Gateway Module (HP2)
GM2761646Courtesy of GENERAL MOTORS COMPANY