LEMON Manuals: Even more car manuals for everyone
Home >> Chevrolet >> 2014 >> SS >> Repair and Diagnosis (Single Page) >> Accessories & Equipment >> Collision/Avoidance >> Object Detection System And Pedestrian Protection System >> Schematic Wiring Diagrams >> Object Detection Wiring Schematics >> Side Object Sensors

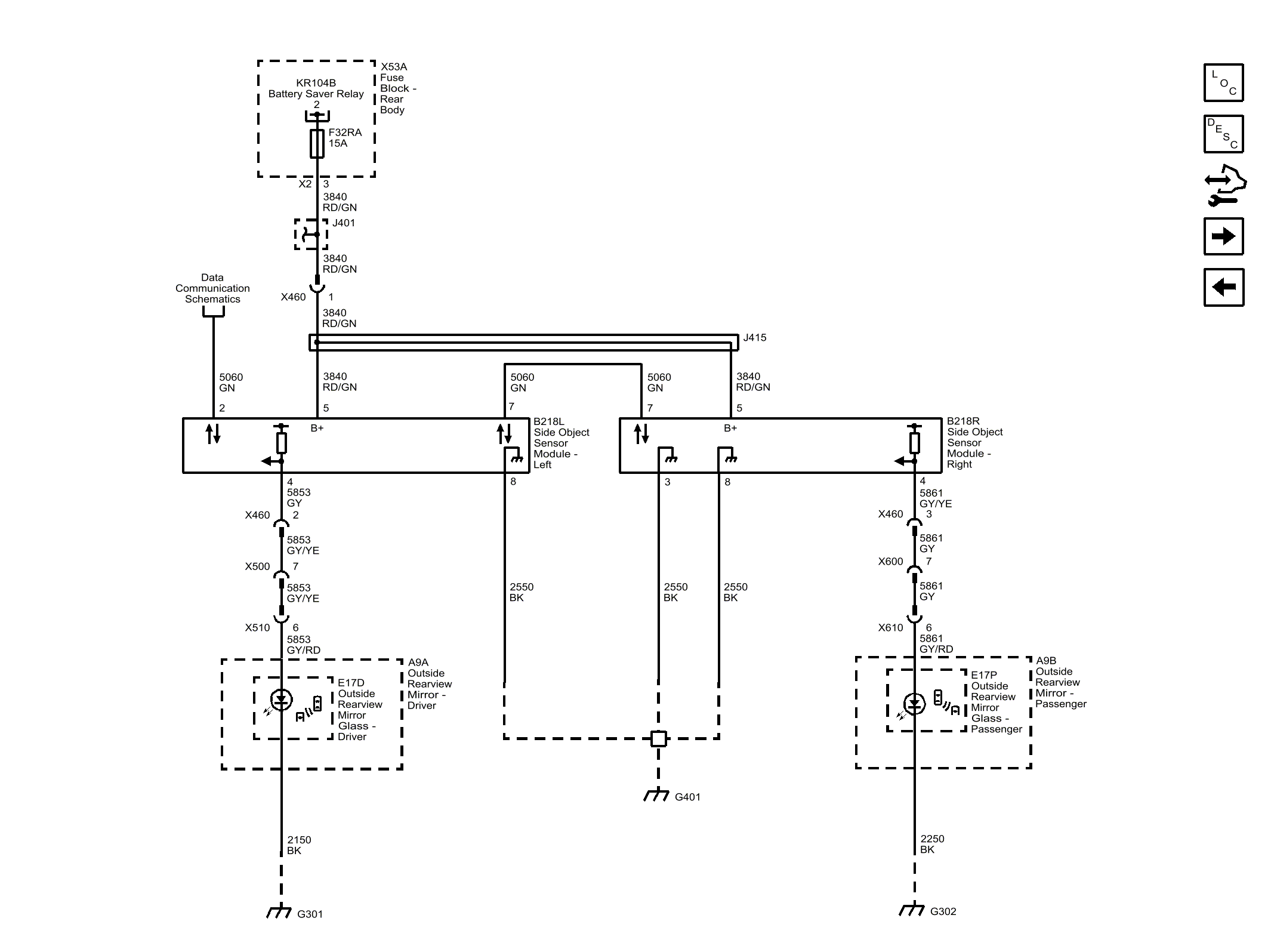
Side Object Sensors

Fig 1: Side Object Sensors Wiring Schematic
GM3554218Courtesy of GENERAL MOTORS COMPANY