LEMON Manuals: Even more car manuals for everyone
Home >> Chevrolet >> 2014 >> SS >> Repair and Diagnosis (Single Page) >> Accessories & Equipment >> Collision/Avoidance >> Object Detection System And Pedestrian Protection System >> Schematic Wiring Diagrams >> Object Detection Wiring Schematics >> Rearview Camera

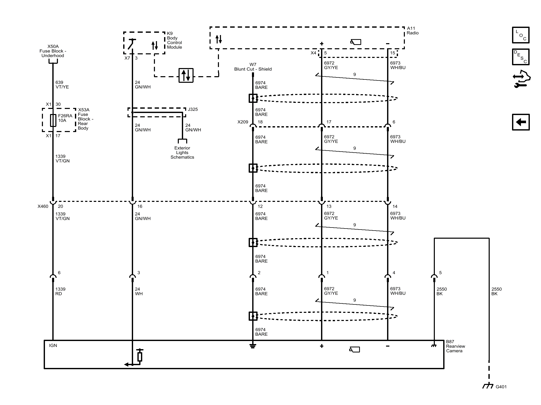
Rearview Camera

Fig 1: Rearview Camera Wiring Schematic
GM3554221Courtesy of GENERAL MOTORS COMPANY