LEMON Manuals: Even more car manuals for everyone
Home >> Chevrolet >> 2014 >> Impala LS >> Repair and Diagnosis >> Accessories & Equipment >> Drivers Assistance Systems - ADAS >> Object Detection System And Pedestrian Protection System >> Schematic Wiring Diagrams >> Object Detection Wiring Schematics >> Rear Park Assist (UD7)

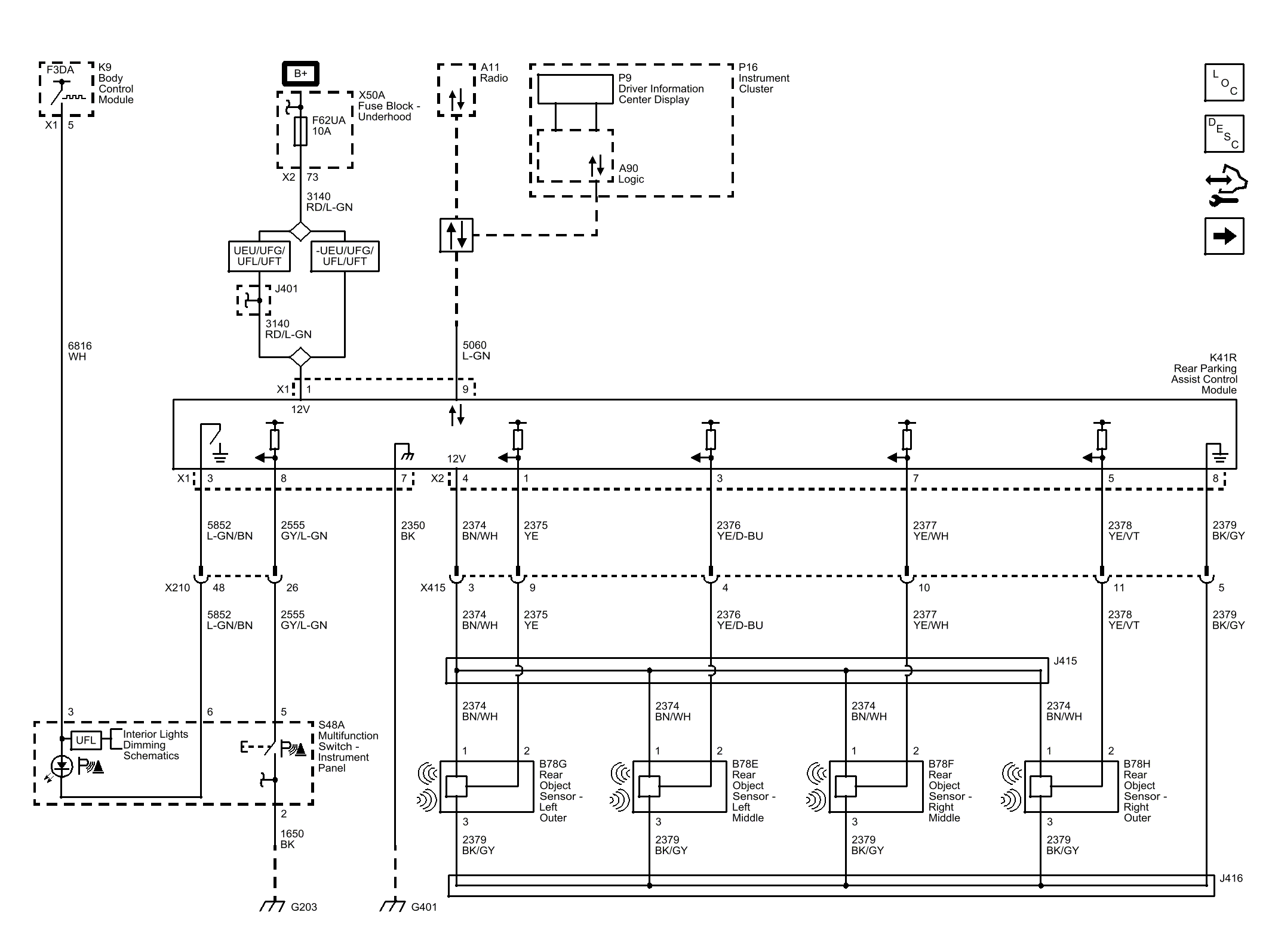
Rear Park Assist (UD7)

Fig 1: Rear Park Assist Wiring Schematic (UD7)
GM2916850Courtesy of GENERAL MOTORS COMPANY