LEMON Manuals: Even more car manuals for everyone
Home >> Chevrolet >> 2014 >> Impala LS >> Repair and Diagnosis >> Accessories & Equipment >> Drivers Assistance Systems - ADAS >> Object Detection System And Pedestrian Protection System >> Schematic Wiring Diagrams >> Object Detection Wiring Schematics >> Rear Cross Traffic Alert (UFG) and Side Object Detection (UFT)

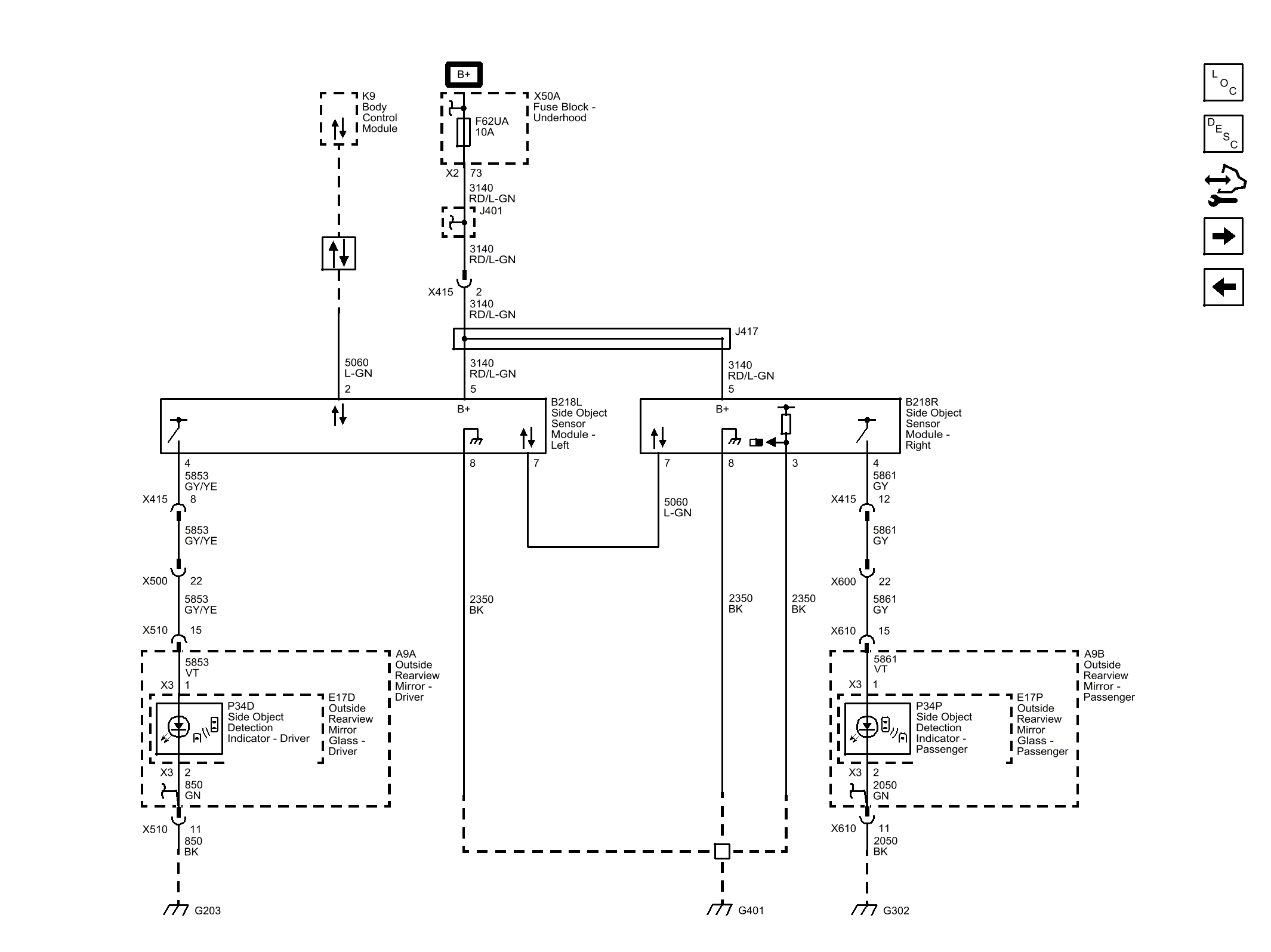
Rear Cross Traffic Alert (UFG) and Side Object Detection (UFT)

Fig 1: Rear Cross Traffic Alert (UFG) & Side Object Detection Wiring Schematic (UFT)
GM2916852Courtesy of GENERAL MOTORS COMPANY