LEMON Manuals: Even more car manuals for everyone
Home >> Chevrolet >> 2014 >> Impala LS >> Repair and Diagnosis (Single Page) >> Accessories & Equipment >> Entertainment Systems >> Cellular System, Entertainment System, And Navigation System >> Schematic Wiring Diagrams >> Radio/Navigation System Wiring Schematics (IO3) >> Media Disc Player Power, Ground and Serial Data

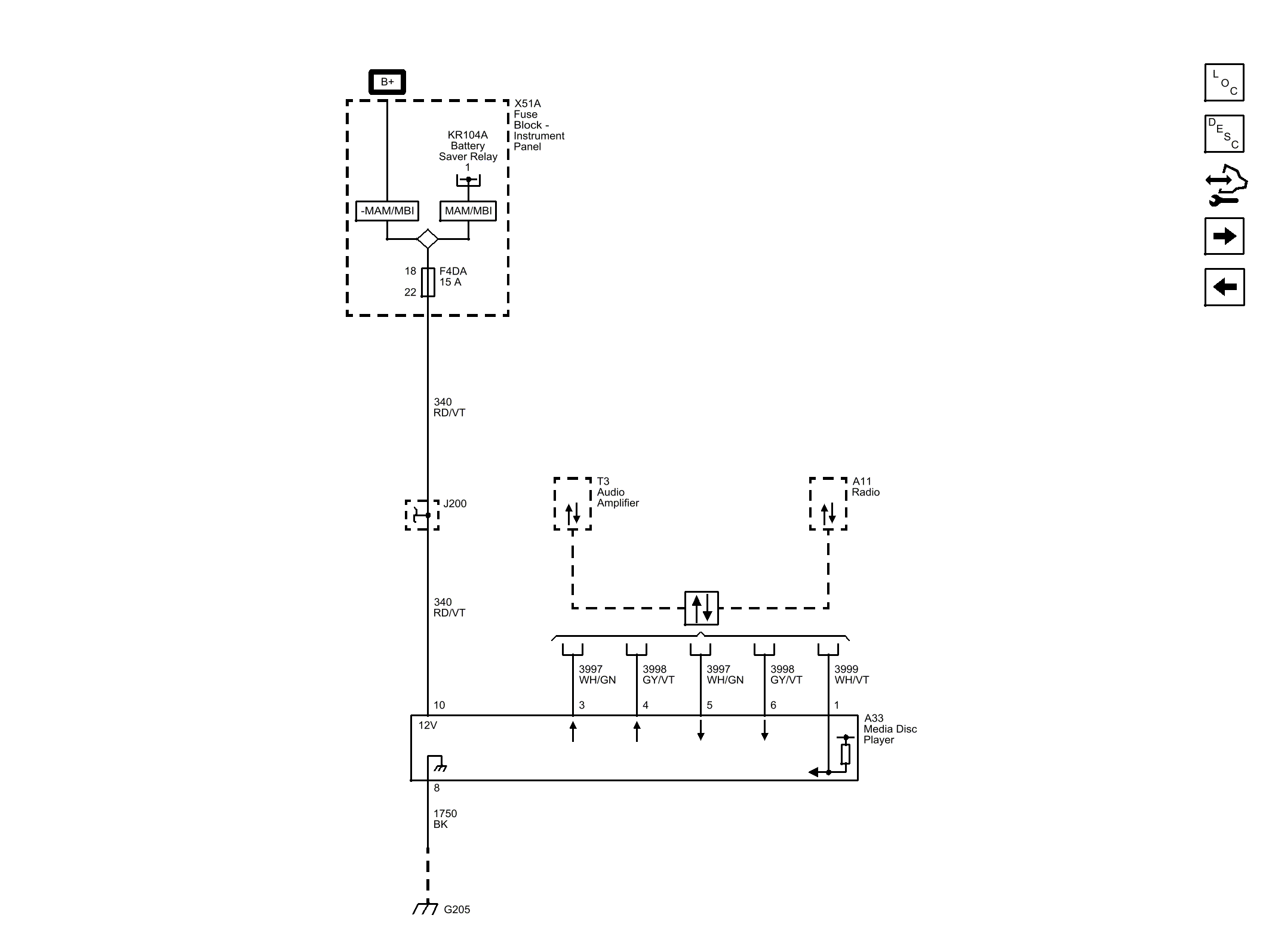
Media Disc Player Power, Ground and Serial Data

Fig 1: Media Disc Player Power, Ground and Serial Data Wiring Schematic
GM2916143Courtesy of GENERAL MOTORS COMPANY