LEMON Manuals: Even more car manuals for everyone
Home >> Chevrolet >> 2014 >> Impala LS >> Repair and Diagnosis (Single Page) >> Accessories & Equipment >> Anti-Theft Systems >> Keyless Entry System And Remote Functions >> Schematic Wiring Diagrams >> Remote Function Wiring Schematics >> Keyless Entry - Passive (ATH) and Passive Start (BTM)

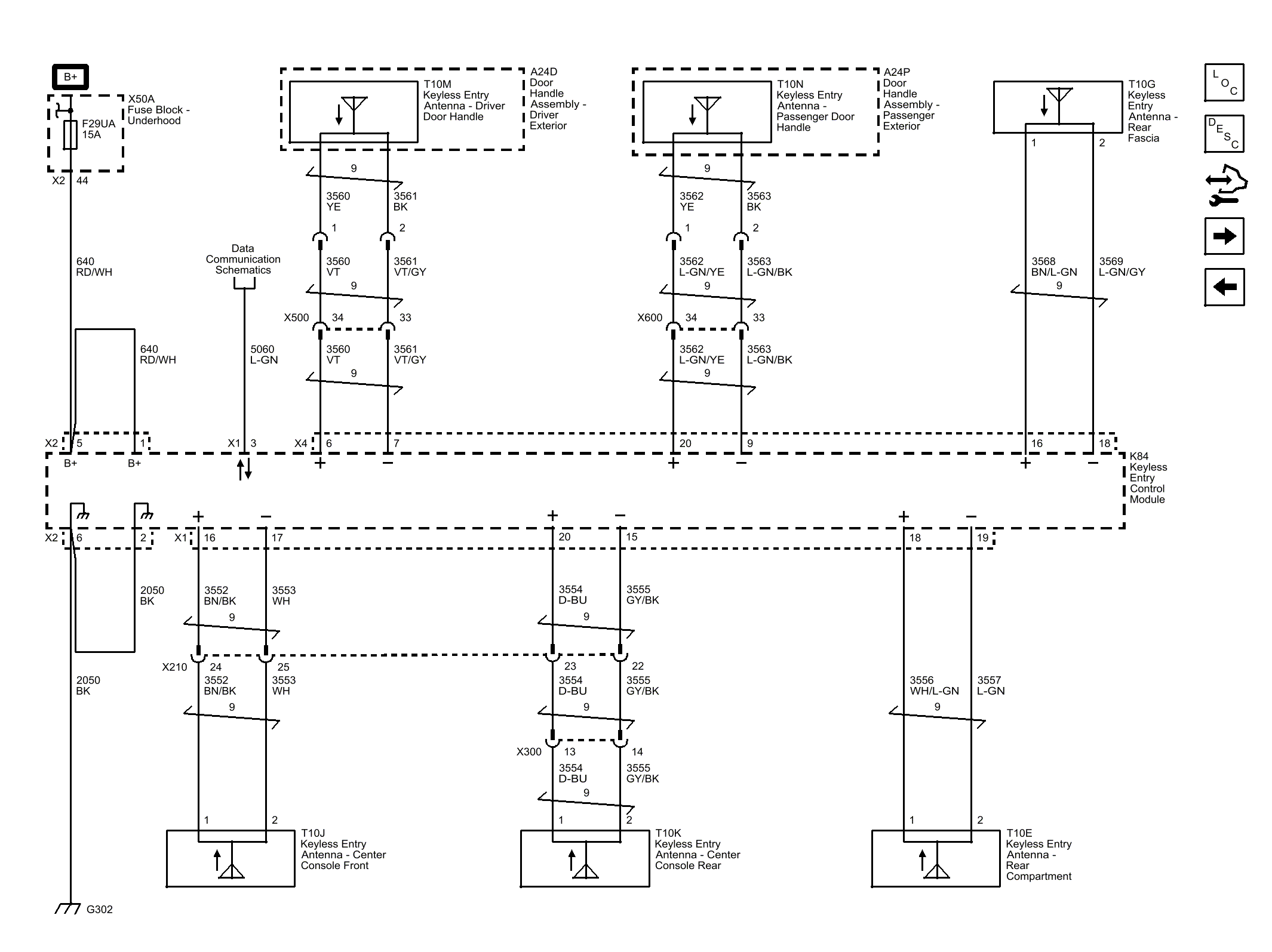
Keyless Entry - Passive (ATH) and Passive Start (BTM)

Fig 1: Keyless Entry Wiring Schematic - Passive (ATH) and Passive Start (BTM)
GM2916855Courtesy of GENERAL MOTORS COMPANY