LEMON Manuals: Even more car manuals for everyone
Home >> Chevrolet >> 2014 >> Express 1500 LS, AWD >> Repair and Diagnosis >> Accessories & Equipment >> Drivers Assistance Systems - ADAS >> Object Detection System And Pedestrian Protection System >> Schematic Wiring Diagrams (Object Detection System And Pedestrian Protection System) >> Object Detection Wiring Schematics (Object Detection System And Pedestrian Protection System) >> Rear Vision Camera (Without UYS)(Object Detection System And Pedestrian Protection System)

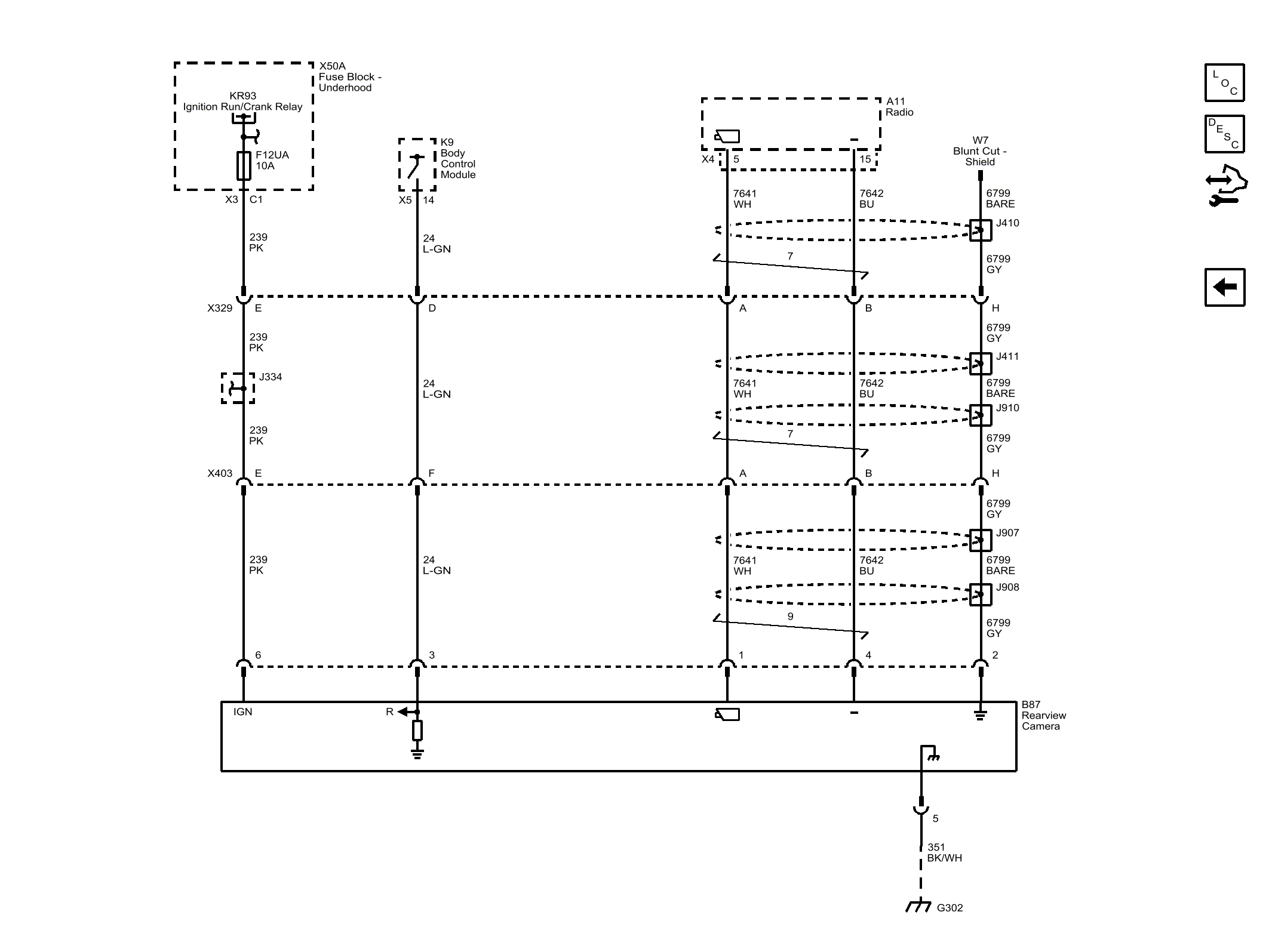
Rear Vision Camera (Without UYS)(Object Detection System And Pedestrian Protection System)

Fig 1: Rear Vision Camera (without UYS) Wiring Schematics
GM3395618Courtesy of GENERAL MOTORS COMPANY