LEMON Manuals: Even more car manuals for everyone
Home >> Chevrolet >> 2014 >> Camaro LS, Automatic Trans >> Repair and Diagnosis >> Accessories & Equipment >> Drivers Assistance Systems - ADAS >> Object Detection System And Pedestrian Protection System >> Schematic Wiring Diagrams >> Object Detection Wiring Schematics >> UD7

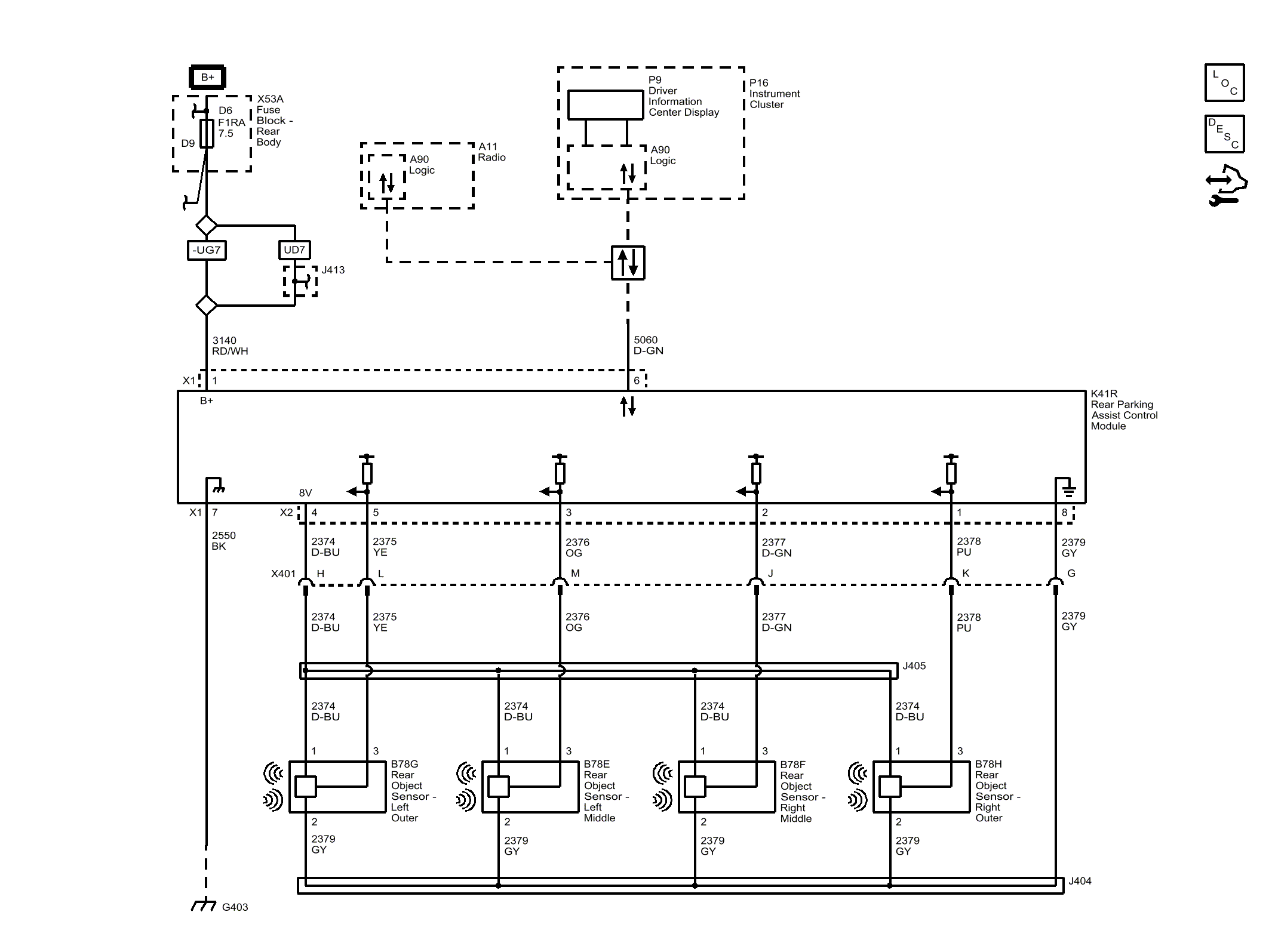
Object Detection Wiring Schematics: UD7

Fig 1: UD7
GM3344370Courtesy of GENERAL MOTORS COMPANY