LEMON Manuals: Even more car manuals for everyone
Home >> Chevrolet >> 2013 >> Volt >> Repair and Diagnosis >> External Pages >> Different car >> Section 51 (Cellular System, Entertainment System, And Navigation System) >> Wiring Schematics >> Radio/Navigation System Wiring Schematics

Radio/Navigation System Wiring Schematics

WARNING: This page is about a different car, the 2011 Chevrolet Volt. However, it is still accessible from the selected car via links, so may be relevant.
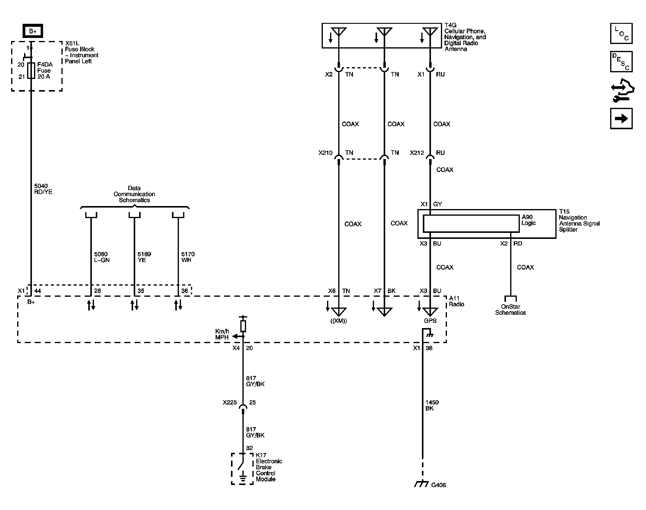
Fig 1: Power, Ground, Antennas And Serial Data Wiring Schematic
GM2489884Courtesy of GENERAL MOTORS CORP.
Fig 2: Amplifier Inputs Wiring Schematic
GM2489885Courtesy of GENERAL MOTORS CORP.
Fig 3: Speakers Wiring Schematic
GM2489886Courtesy of GENERAL MOTORS CORP.
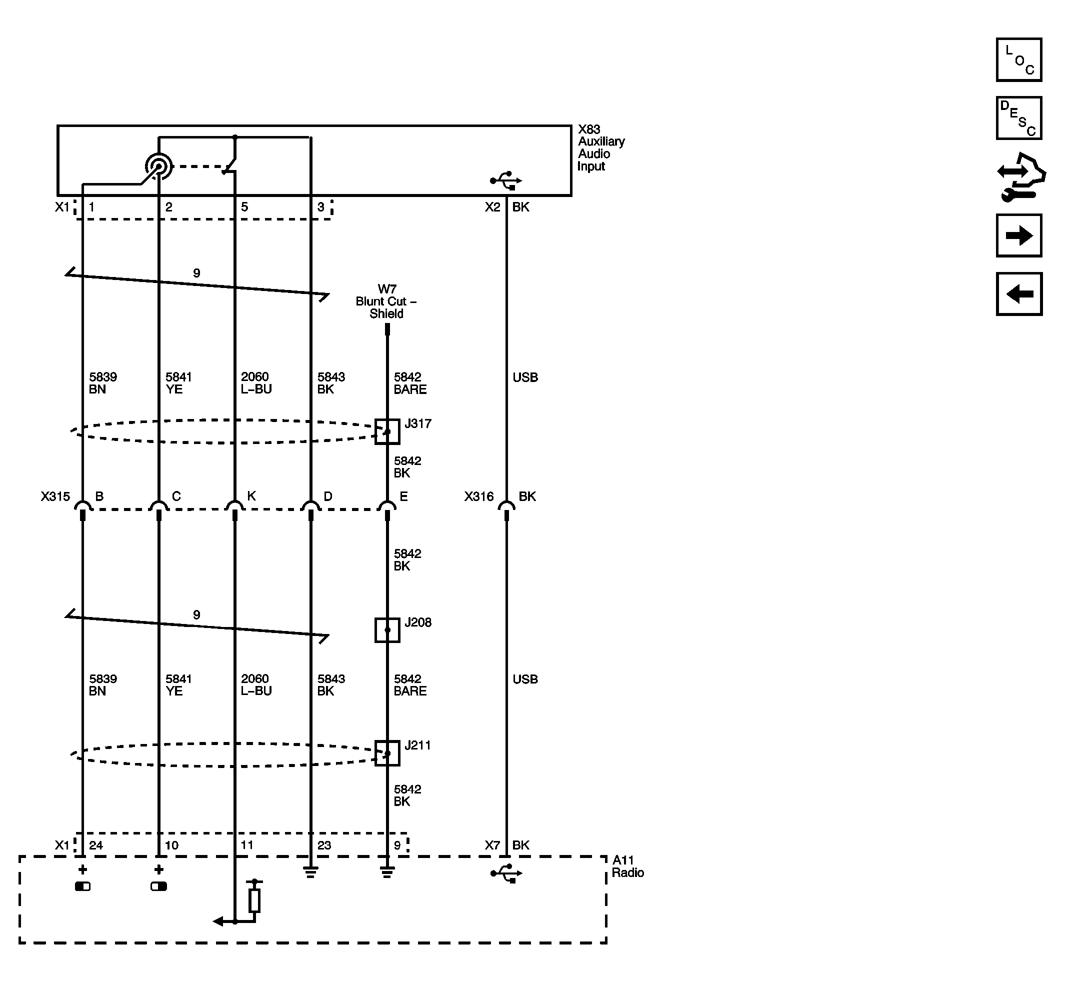
Fig 4: Auxiliary Audio Input Wiring Schematic
GM2489887Courtesy of GENERAL MOTORS CORP.
Fig 5: Info Display Wiring Schematic
GM2489888Courtesy of GENERAL MOTORS CORP.