LEMON Manuals: Even more car manuals for everyone
Home >> Chevrolet >> 2013 >> Volt >> Repair and Diagnosis >> External Pages >> Different car >> Section 51 (Cellular System, Entertainment System, And Navigation System) >> Wiring Schematics >> OnStar Schematics

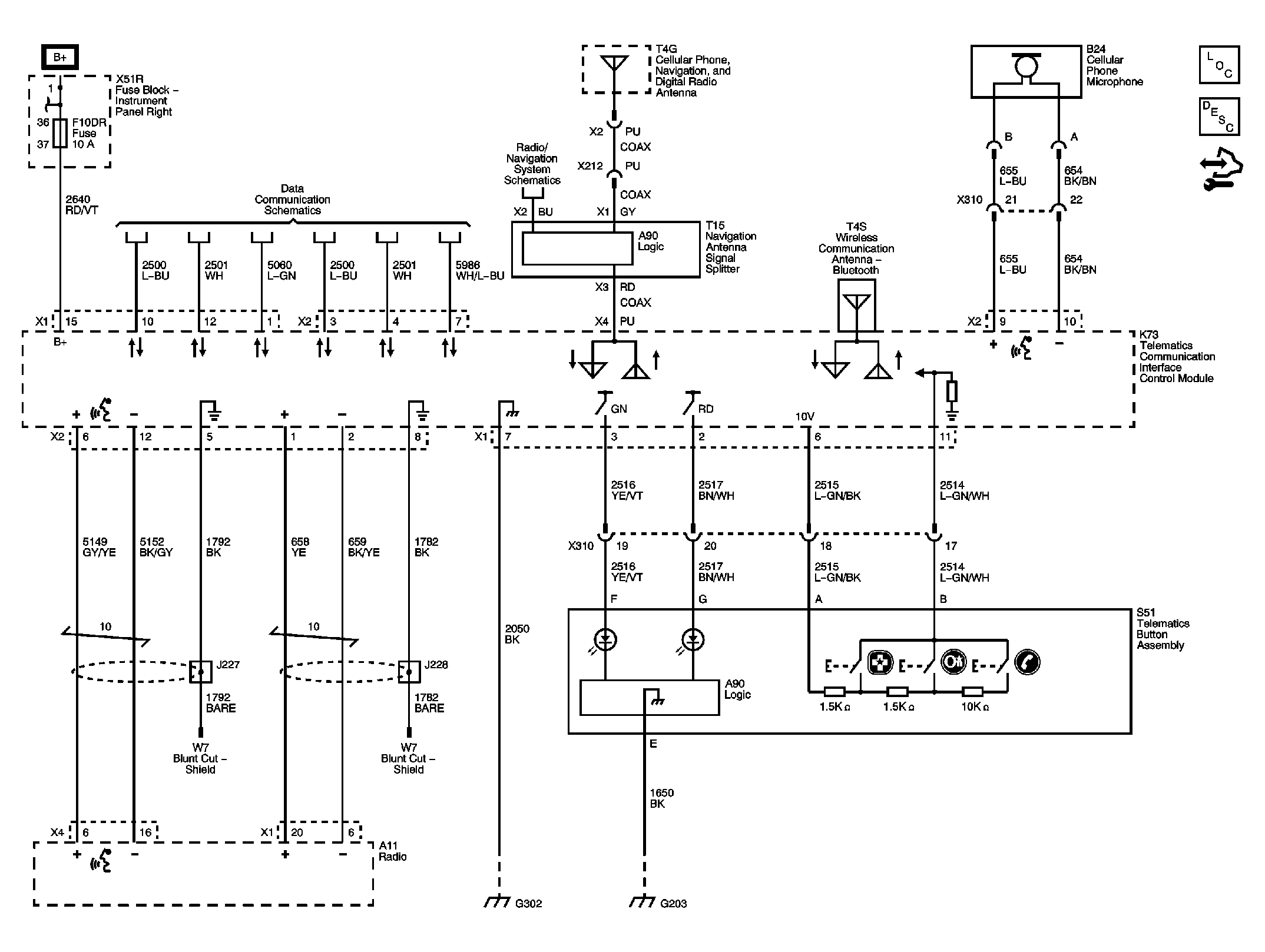
OnStar Schematics

WARNING: This page is about a different car, the 2011 Chevrolet Volt. However, it is still accessible from the selected car via links, so may be relevant.
Fig 1: Onstar Wiring Schematic
GM2489909Courtesy of GENERAL MOTORS CORP.