LEMON Manuals: Even more car manuals for everyone
Home >> Chevrolet >> 2013 >> Volt >> Repair and Diagnosis >> External Pages >> Different car >> Section 193 (Object Detection System - Park Assist System) >> Schematic Wiring Diagrams >> Object Detection Wiring Schematics >> Rearview Camera Wiring Schematics

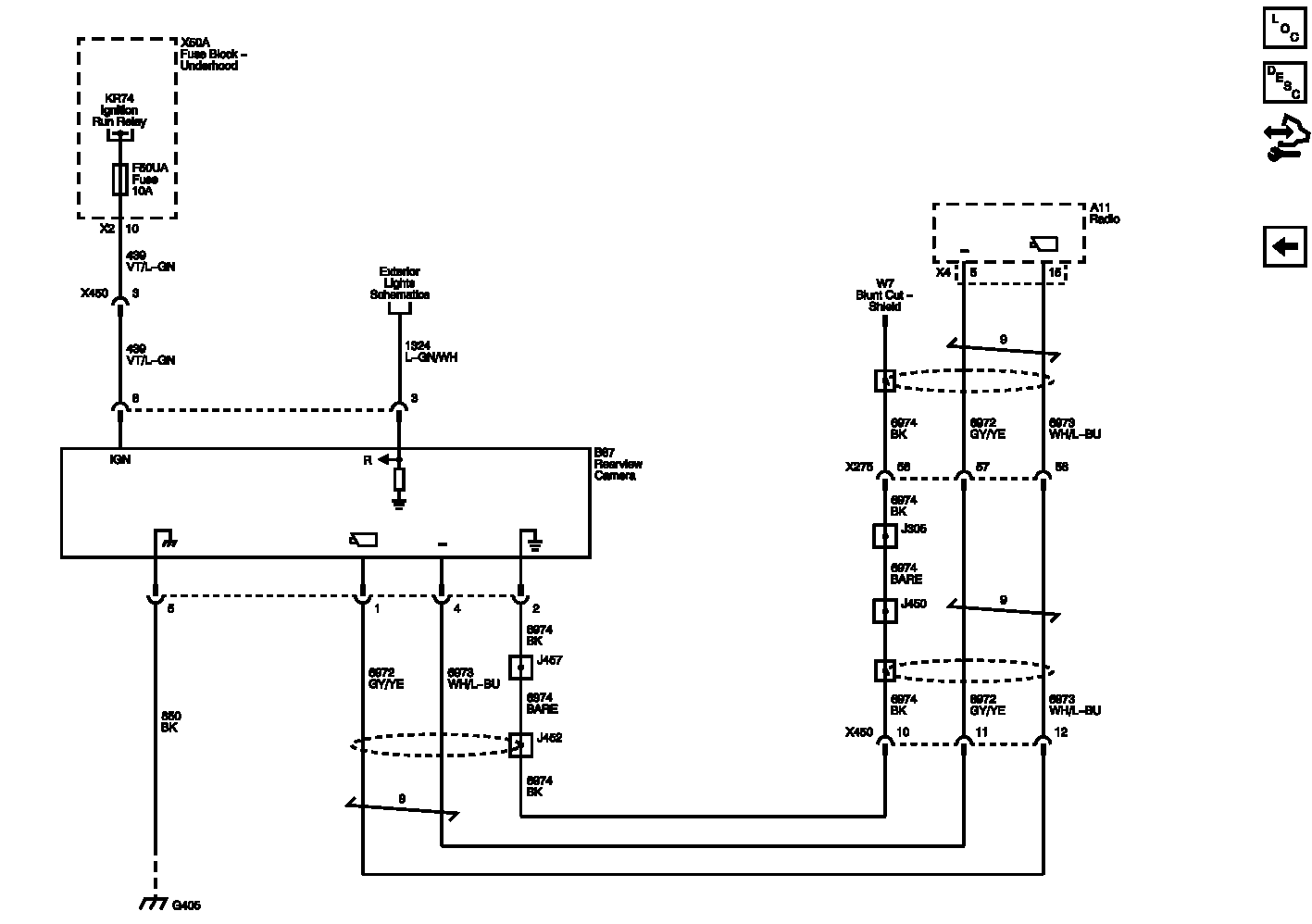
Rearview Camera Wiring Schematics

WARNING: This page is about a different car, the 2012 Chevrolet Volt. However, it is still accessible from the selected car via links, so may be relevant.
Fig 1: Rearview Camera Wiring Schematics
GM2614583Courtesy of GENERAL MOTORS COMPANY