LEMON Manuals: Even more car manuals for everyone
Home >> Chevrolet >> 2013 >> Trax LTZ, FWD >> Repair and Diagnosis >> Accessories & Equipment >> Drivers Assistance Systems - ADAS >> Object Detection System And Pedestrian Protection System >> Schematic and Routing Diagrams >> Object Detection Schematics >> Rear Sensors

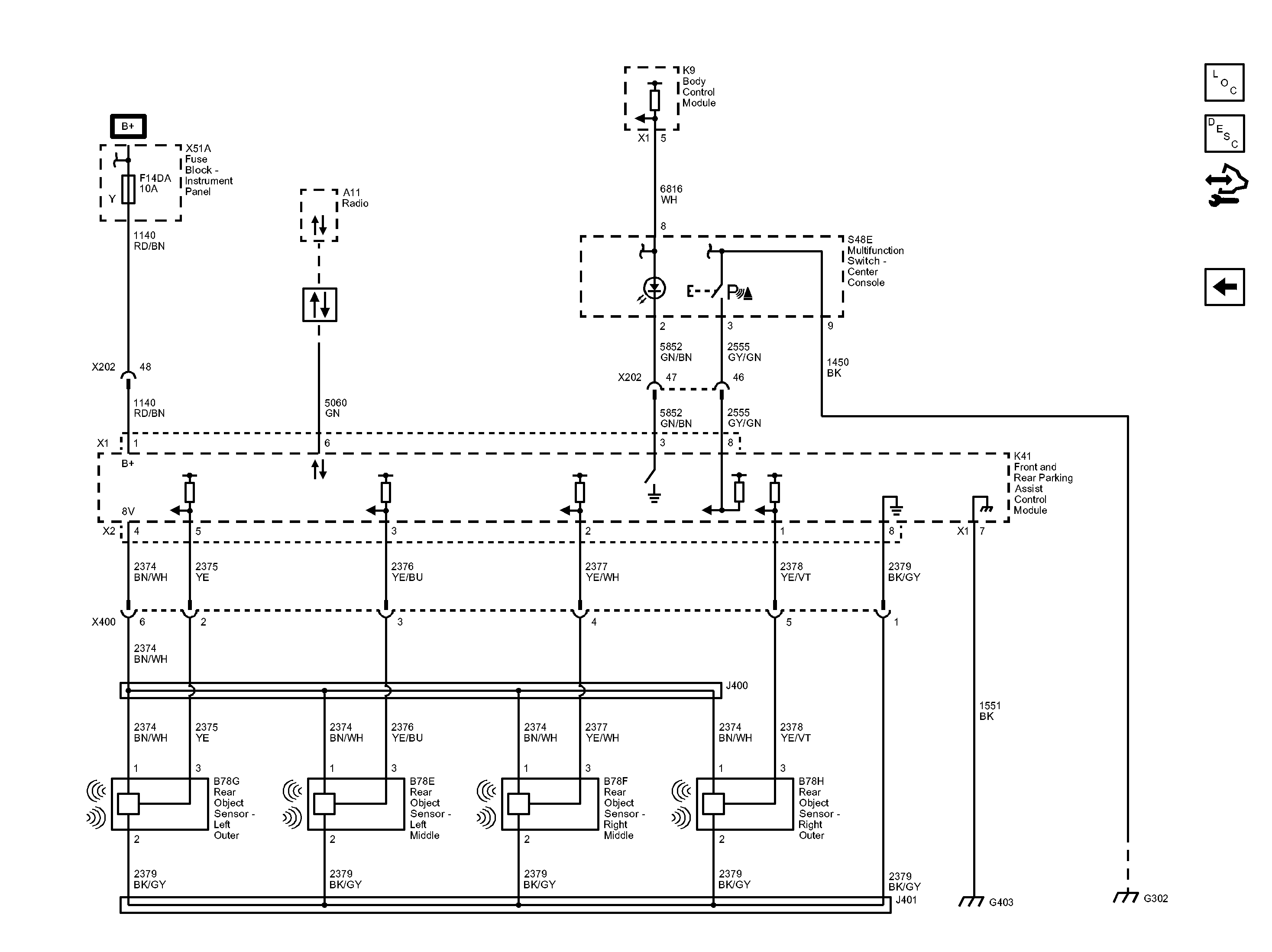
Rear Sensors

Fig 1: Rear Sensors Wiring Schematic
GM2873983Courtesy of GENERAL MOTORS COMPANY