LEMON Manuals: Even more car manuals for everyone
Home >> Chevrolet >> 2013 >> Trax LS, Standard Trans >> Repair and Diagnosis >> External Pages >> Different car >> Section 96 (Object Detection System And Pedestrian Protection System) >> Schematic Wiring Diagrams >> Object Detection Wiring Schematics (Encore) >> Side Object Detection (Encore with UFT)

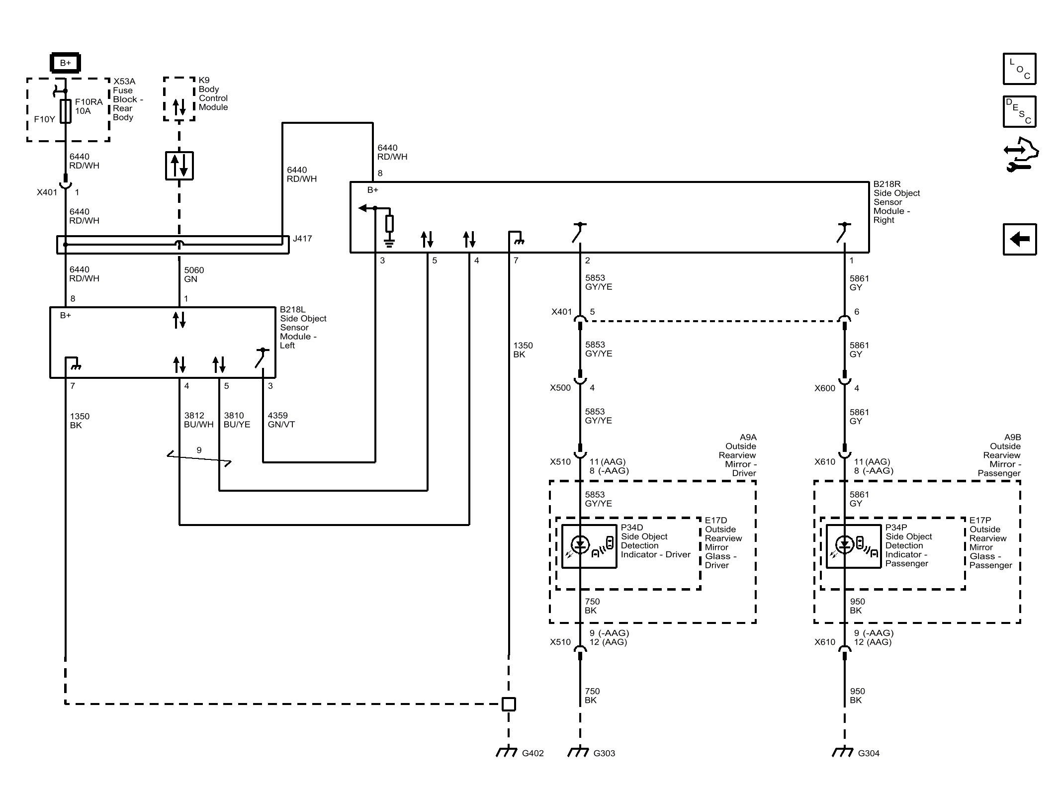
Side Object Detection (Encore with UFT)

WARNING: This page is about a different car, the 2016 Chevrolet Trax and 2016 Buick Encore. However, it is still accessible from the selected car via links, so may be relevant.
Fig 1: Side Object Detection (Encore with UFT)
GM3988704Courtesy of GENERAL MOTORS COMPANY