LEMON Manuals: Even more car manuals for everyone
Home >> Chevrolet >> 2013 >> Traverse LS, AWD >> Repair and Diagnosis >> External Pages >> Different car >> Section 171 (Object Detection System) >> Schematic Wiring Diagrams >> Object Detection Wiring Schematics >> Power, Ground, and Rear Sensors (UD5)

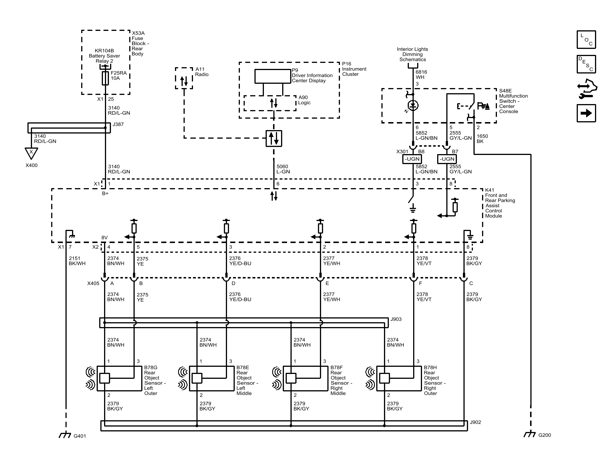
Power, Ground, and Rear Sensors (UD5)

WARNING: This page is about a different car, the 2015 Cadillac SRX. However, it is still accessible from the selected car via links, so may be relevant.
Fig 1: Power, Ground, and Rear Sensors (UD5)
GM3755224Courtesy of GENERAL MOTORS COMPANY