LEMON Manuals: Even more car manuals for everyone
Home >> Chevrolet >> 2013 >> Traverse LS, AWD >> Repair and Diagnosis >> External Pages >> Different car >> Section 17 (Cellular Systems, Entertainment Systems & Navigation Systems) >> Schematic and Routing Diagrams >> OnStar Schematics

OnStar Schematics

WARNING: This page is about a different car, the 2010 Cadillac SRX. However, it is still accessible from the selected car via links, so may be relevant.
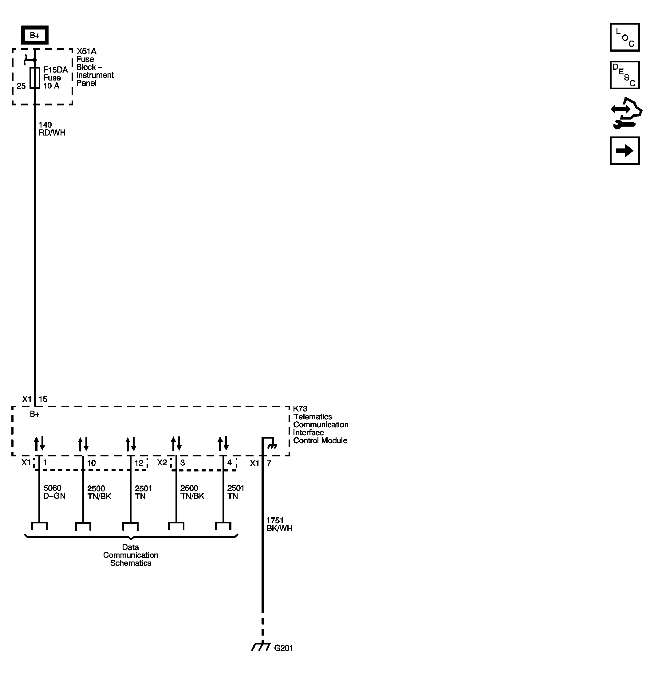
Fig 1: Power, Ground & Serial Data Circuit Schematic
GM2246504Courtesy of GENERAL MOTORS CORP.
Fig 2: Communication Signals Control Circuit Schematic
GM2246517Courtesy of GENERAL MOTORS CORP.
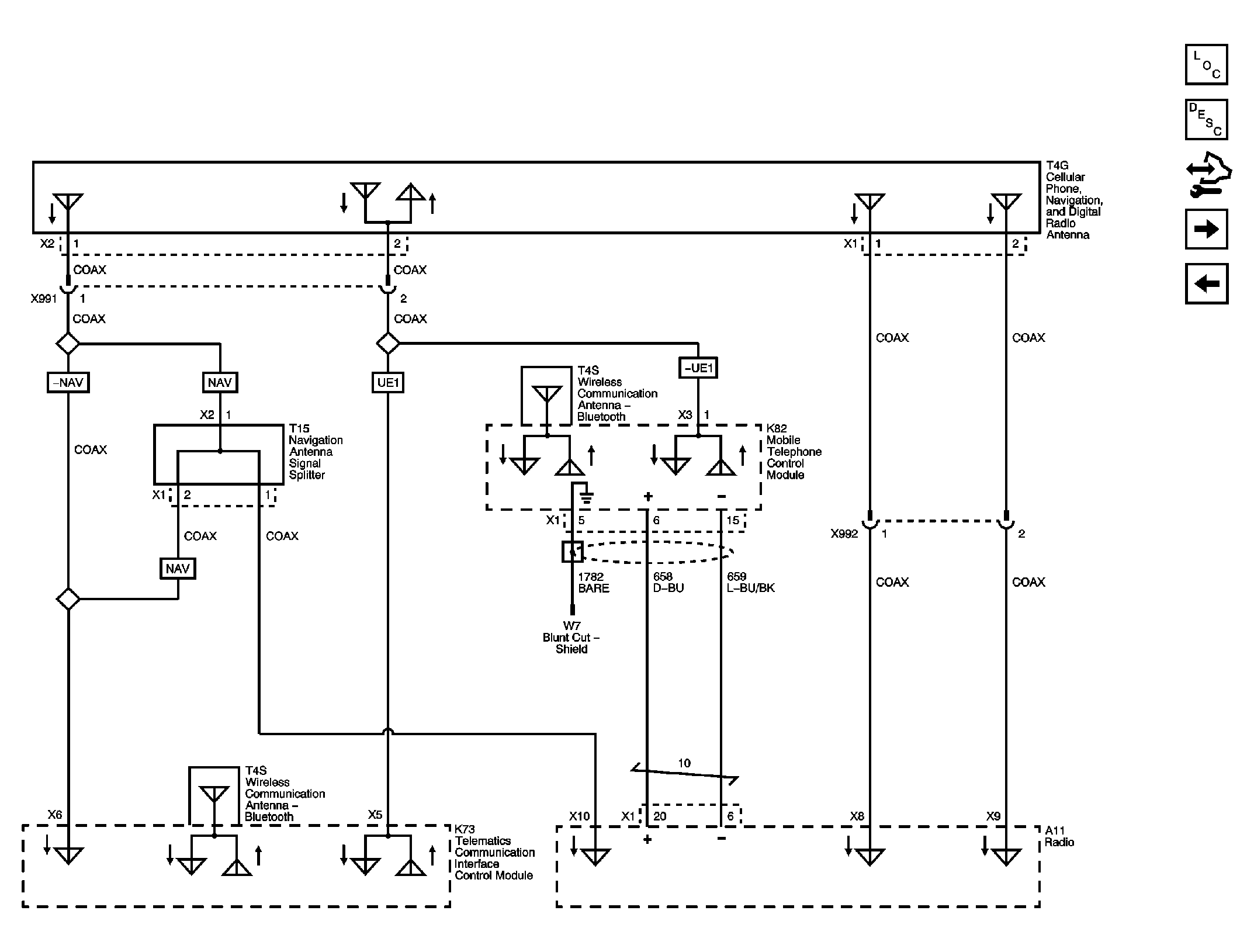
Fig 3: Antenna Signals Circuit Schematic
GM2246520Courtesy of GENERAL MOTORS CORP.