LEMON Manuals: Even more car manuals for everyone
Home >> Chevrolet >> 2013 >> Traverse LS, AWD >> Repair and Diagnosis >> Engine Performance >> System >> Data Communication System >> Schematic and Routing Diagrams >> Data Communication Schematics >> High Speed GMLAN

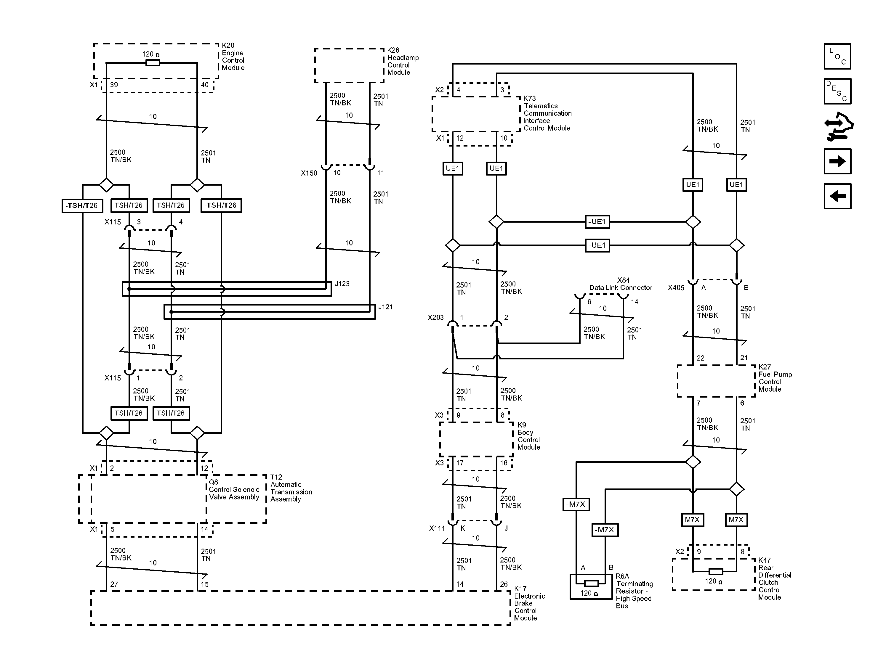
High Speed GMLAN

Fig 1: High Speed GMLAN Wiring Schematic
GM2867651Courtesy of GENERAL MOTORS COMPANY