LEMON Manuals: Even more car manuals for everyone
Home >> Chevrolet >> 2013 >> Traverse LS, AWD >> Repair and Diagnosis >> Engine Performance >> System >> Data Communication System >> Schematic and Routing Diagrams >> Data Communication Schematics >> Communication Enable And Linear Interconnect Network (LIN)

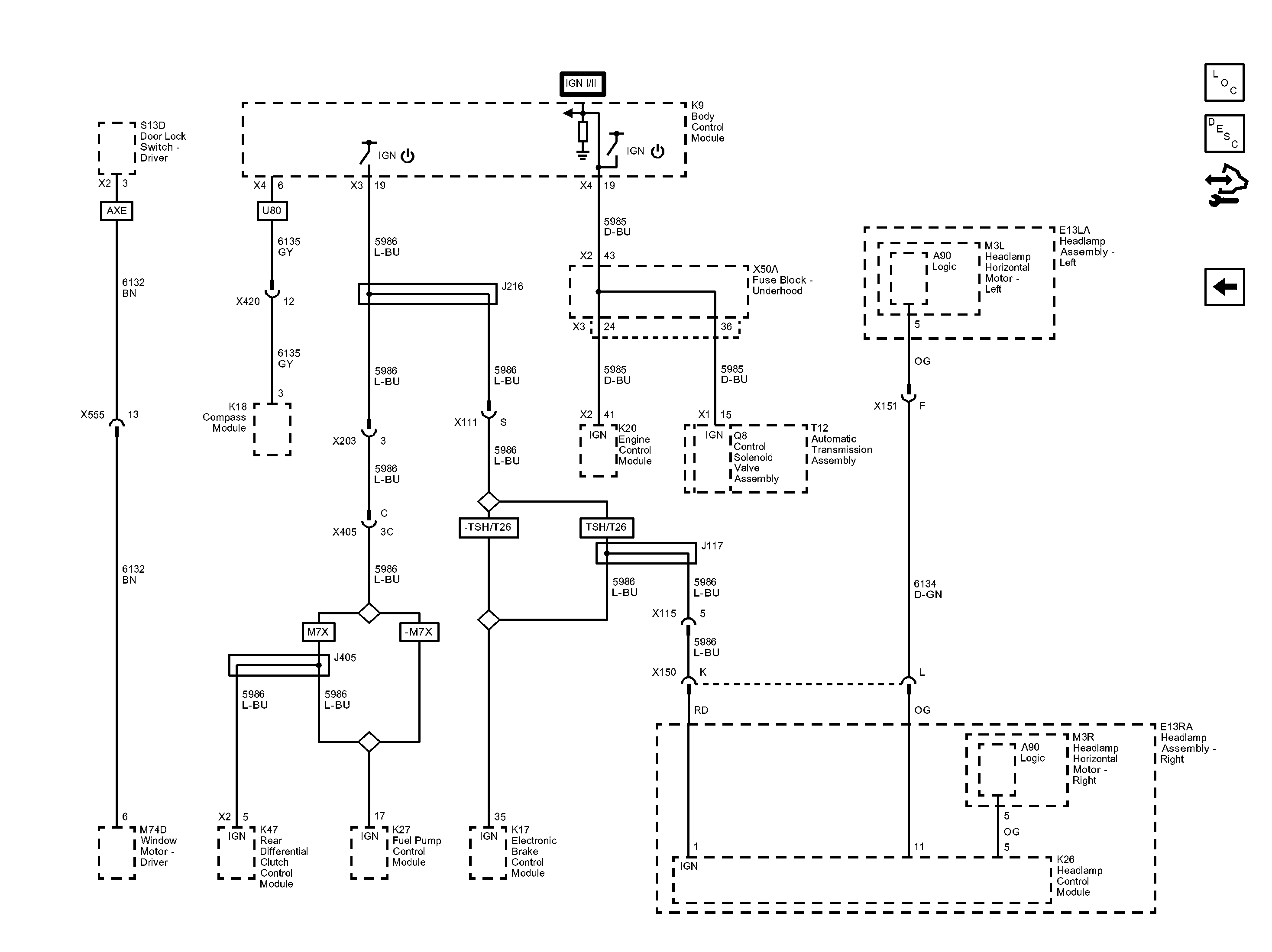
Communication Enable And Linear Interconnect Network (LIN)

Fig 1: Communication Enable And Linear Interconnect Network (LIN) Wiring Schematic
GM2867653Courtesy of GENERAL MOTORS COMPANY