LEMON Manuals: Even more car manuals for everyone
Home >> Chevrolet >> 2013 >> Traverse LS, AWD >> Repair and Diagnosis (Single Page) >> Accessories & Equipment >> Anti-Theft Systems >> Power Door Lock System And Release Systems >> Schematic and Routing Diagrams >> Liftgate Schematics >> Module Power, Ground, Serial Data, Instrument Panel Switch And Actuator (TB5)

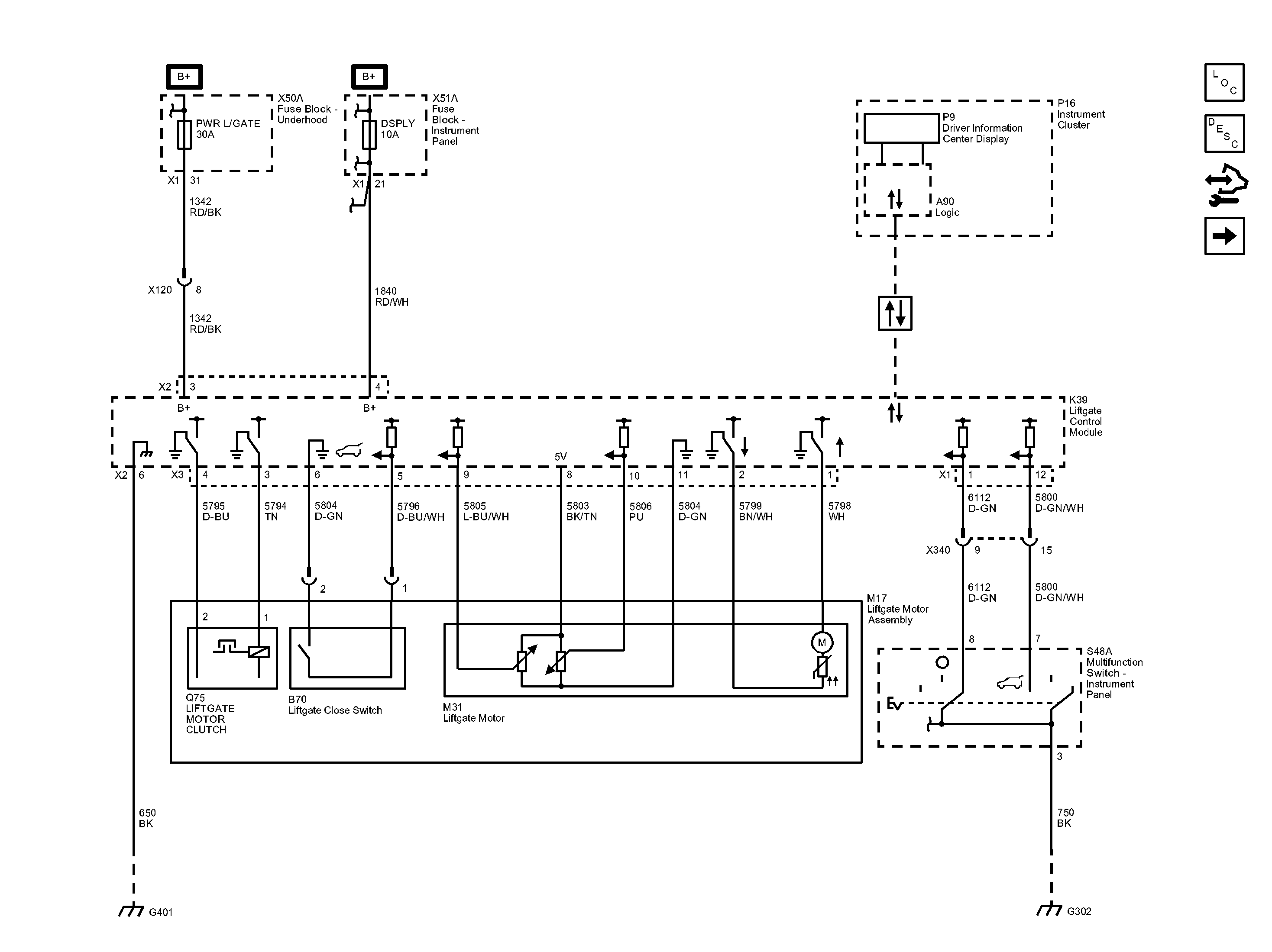
Module Power, Ground, Serial Data, Instrument Panel Switch And Actuator (TB5)

Fig 1: Module Power, Ground, Serial Data, Instrument Panel Switch And Actuator (TB5) Wiring Schematic
GM2867185Courtesy of GENERAL MOTORS COMPANY