LEMON Manuals: Even more car manuals for everyone
Home >> Chevrolet >> 2013 >> Sonic RS, Automatic Trans >> Repair and Diagnosis >> External Pages >> Different car >> Section 509 (Cellular System, Entertainment System, And Navigation System) >> Schematic Wiring Diagrams >> Radio/Navigation System Wiring Schematics >> Navigation System (UEW) Wiring Schematics

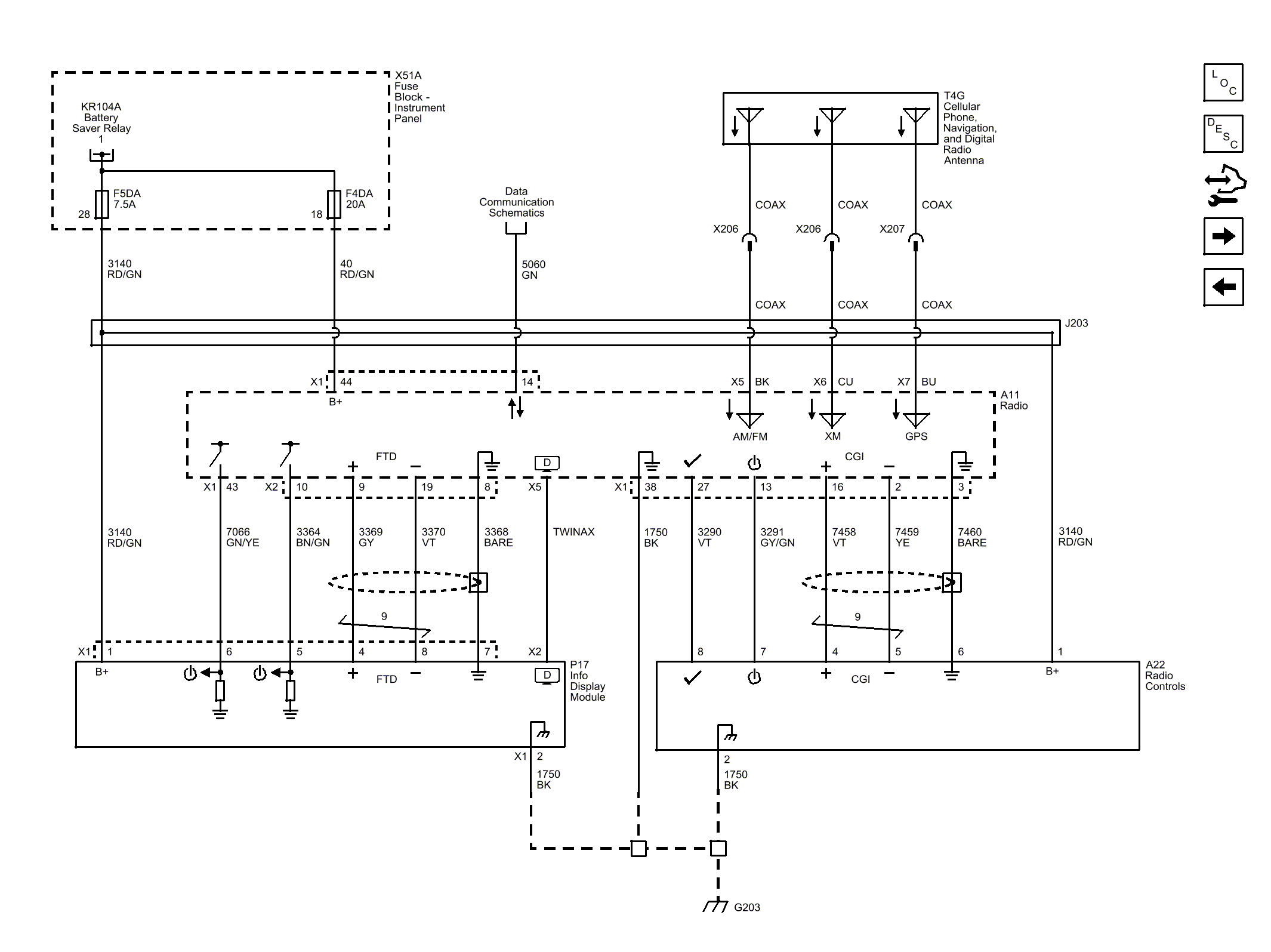
Navigation System (UEW) Wiring Schematics

WARNING: This page is about a different car, the 2014 Chevrolet Cruze. However, it is still accessible from the selected car via links, so may be relevant.
Fig 1: Navigation System (UEW) Wiring Schematic
GM3250286Courtesy of GENERAL MOTORS COMPANY