LEMON Manuals: Even more car manuals for everyone
Home >> Chevrolet >> 2013 >> Sonic RS, Automatic Trans >> Repair and Diagnosis >> External Pages >> Different car >> Section 509 (Cellular System, Entertainment System, And Navigation System) >> Schematic Wiring Diagrams >> Radio/Navigation System Wiring Schematics >> Multimedia Player Interface (KTA) Wiring Schematics

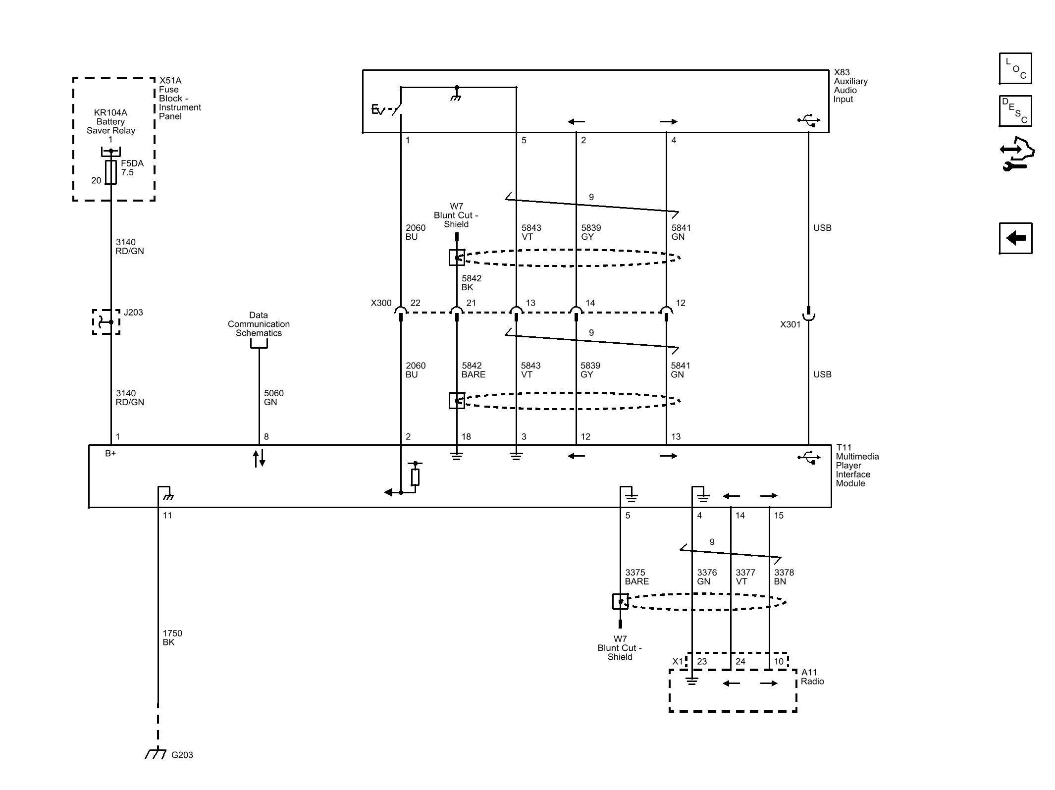
Multimedia Player Interface (KTA) Wiring Schematics

WARNING: This page is about a different car, the 2014 Chevrolet Cruze. However, it is still accessible from the selected car via links, so may be relevant.
Fig 1: Multimedia Player Interface (KTA) Wiring Schematic
GM3250292Courtesy of GENERAL MOTORS COMPANY