LEMON Manuals: Even more car manuals for everyone
Home >> Chevrolet >> 2013 >> Sonic RS, Automatic Trans >> Repair and Diagnosis >> External Pages >> Different car >> Section 409 (Cellular System, Entertainment System, And Navigation System) >> Wiring Schematics >> Radio/Navigation System Wiring Schematics >> Power, Ground, Serial Data, Antenna And Display

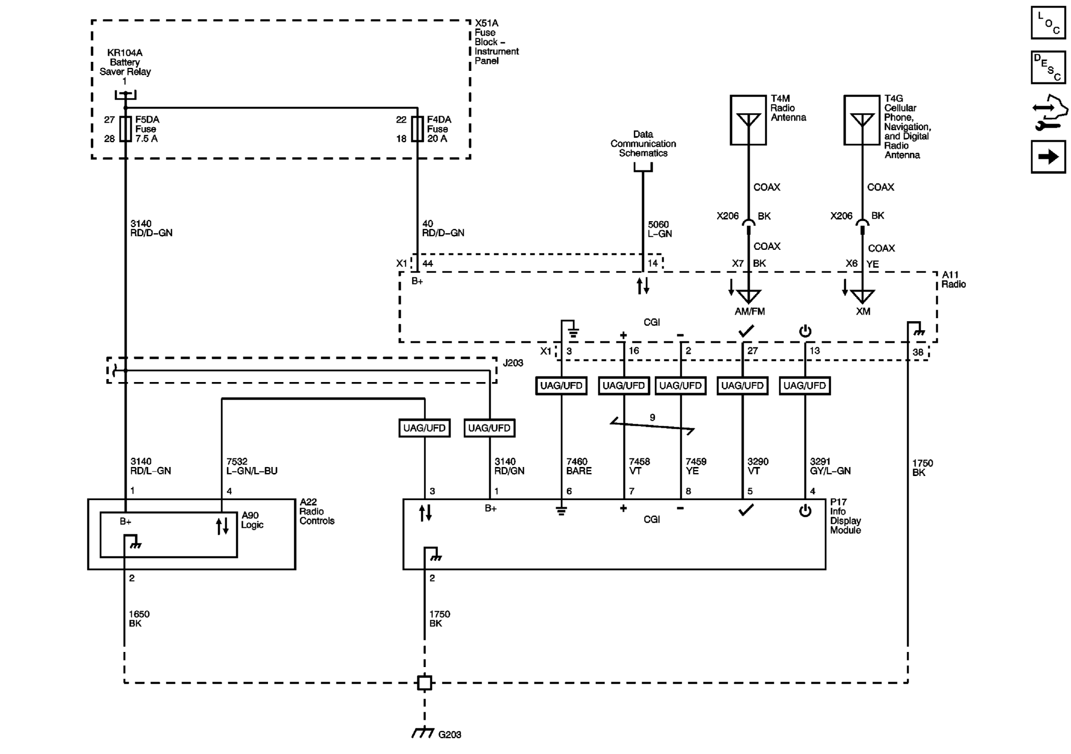
Power, Ground, Serial Data, Antenna And Display

WARNING: This page is about a different car, the 2012 Chevrolet Cruze. However, it is still accessible from the selected car via links, so may be relevant.
Fig 1: Power, Ground, Serial Data, Antenna And Display Wiring Schematic
GM2585461Courtesy of GENERAL MOTORS COMPANY