LEMON Manuals: Even more car manuals for everyone
Home >> Chevrolet >> 2013 >> Impala LS >> Repair and Diagnosis >> Transmission >> Automatic Trans >> Shift Lock Control System >> Schematic Wiring Diagrams >> Shift Lock Control Wiring Schematics >> Shift Lock Controls

Shift Lock Controls

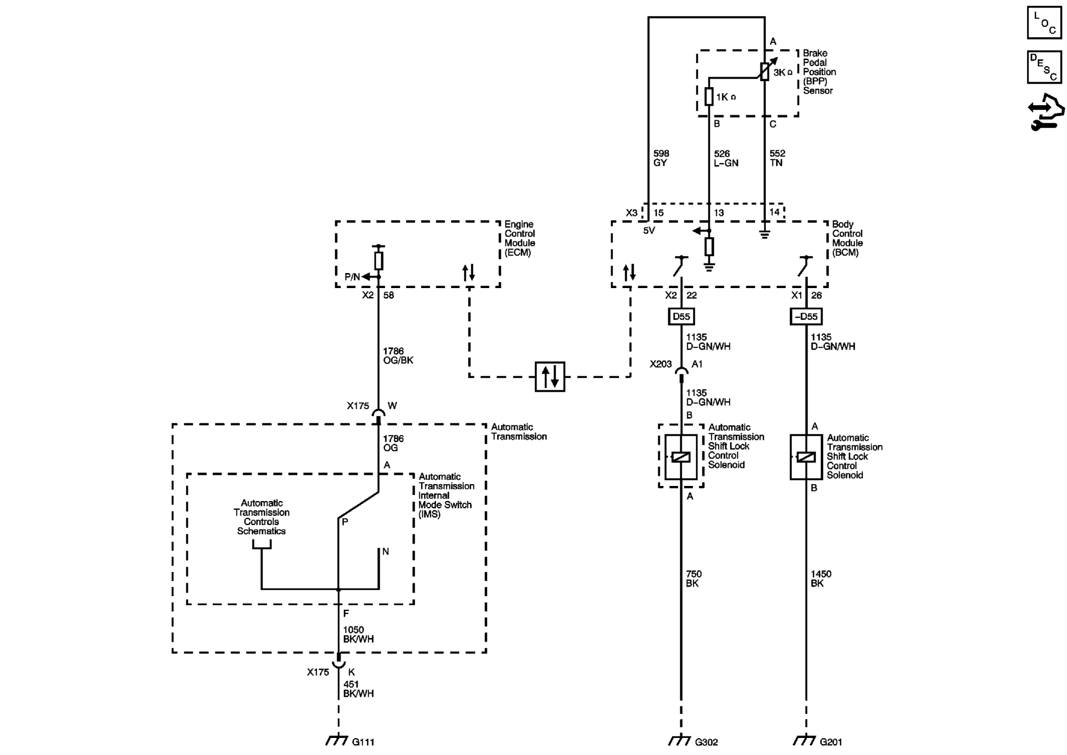
Fig 1: Shift Lock Controls Wiring Schematic
GM2839626Courtesy of GENERAL MOTORS COMPANY