LEMON Manuals: Even more car manuals for everyone
Home >> Chevrolet >> 2012 >> Traverse LS, AWD >> Repair and Diagnosis >> External Pages >> Different car >> Section 191 (Object Detection System - Park Assist System) >> Schematic and Routing Diagrams >> Object Detection Schematics >> Rear Park Assist (UD7)

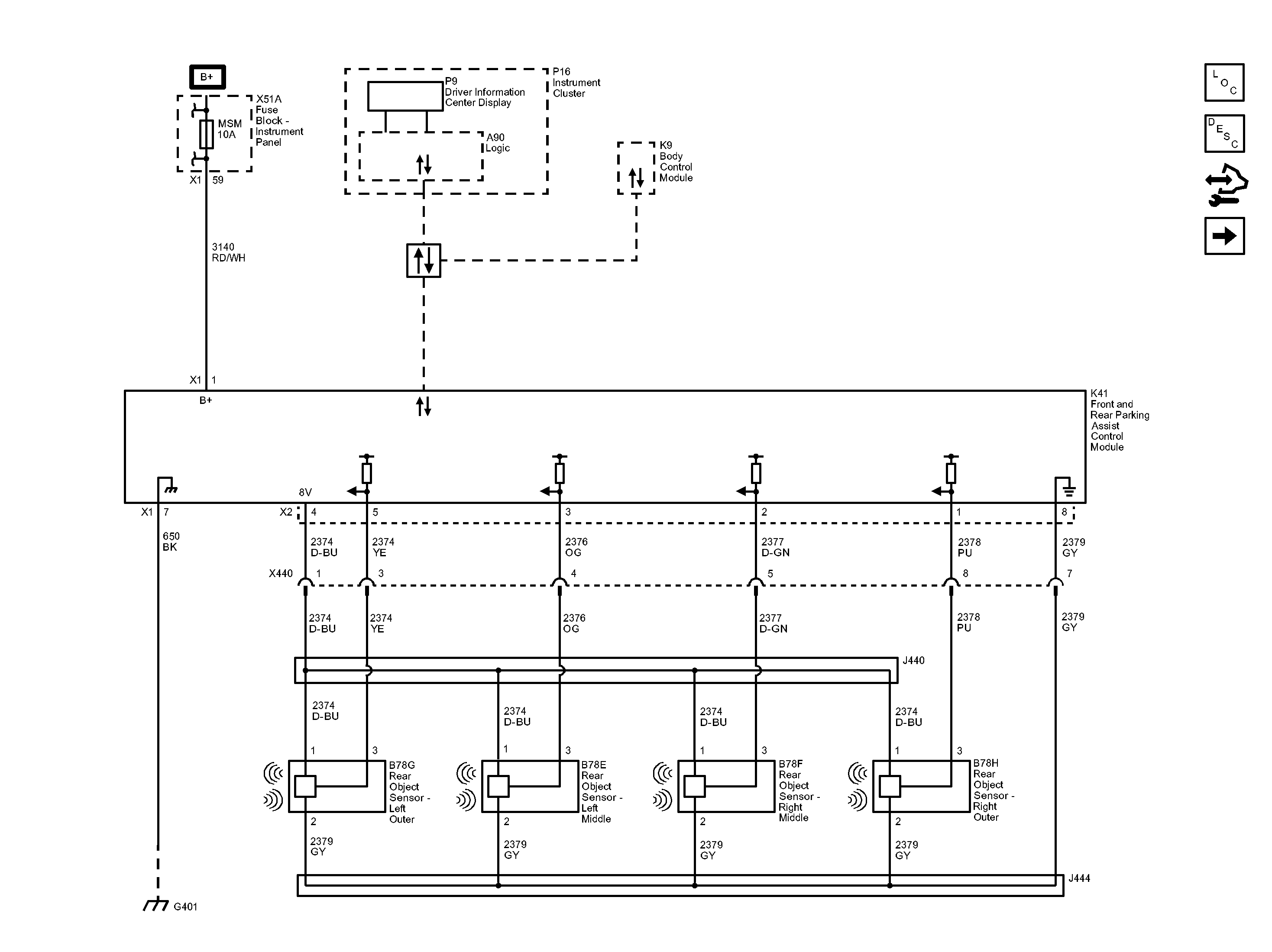
Rear Park Assist (UD7)

WARNING: This page is about a different car, the 2013 GMC Acadia, 2013 Chevrolet Traverse, and 2013 Buick Enclave. However, it is still accessible from the selected car via links, so may be relevant.
Fig 1: Rear Park Assist (UD7) Wiring Schematic
GM2868132Courtesy of GENERAL MOTORS COMPANY