LEMON Manuals: Even more car manuals for everyone
Home >> Chevrolet >> 2012 >> Traverse LS, AWD >> Repair and Diagnosis >> External Pages >> Different car >> Section 17 (Cellular Systems, Entertainment Systems & Navigation Systems) >> Schematic and Routing Diagrams >> Video System Schematics

Video System Schematics

WARNING: This page is about a different car, the 2010 Cadillac SRX. However, it is still accessible from the selected car via links, so may be relevant.
Fig 1: Headrest Displays Power & Ground Circuit Schematic
GM2246619Courtesy of GENERAL MOTORS CORP.
Fig 2: Driver Headrest Display Signals without ULD, With UYZ Circuit Schematic
GM2246621Courtesy of GENERAL MOTORS CORP.
Fig 3: Driver Headrest Display Signals Without ULD or UYZ Circuit Schematic
GM2246625Courtesy of GENERAL MOTORS CORP.
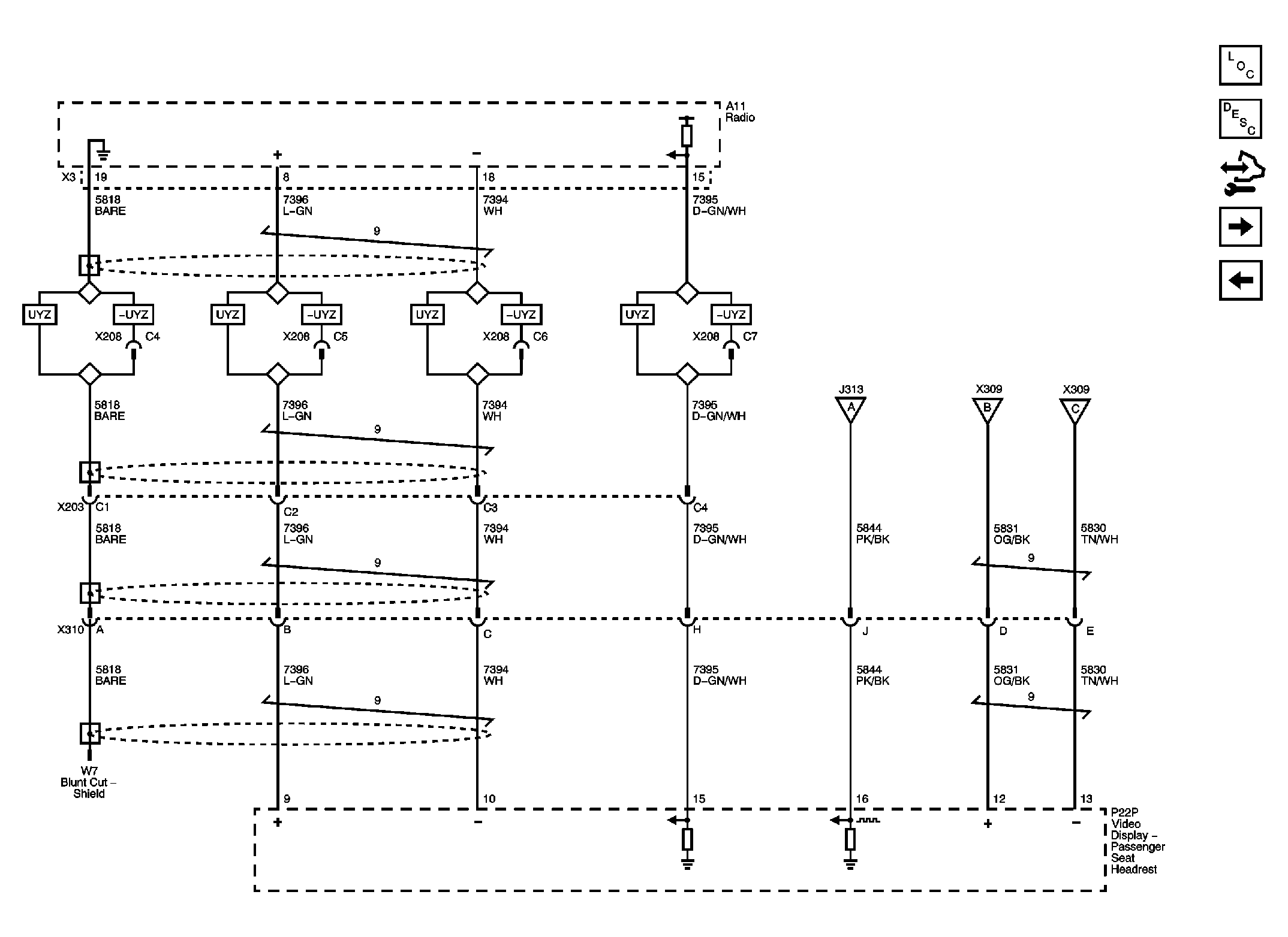
Fig 4: Passenger Headrest Display Signals Circuit Schematic
GM2246629Courtesy of GENERAL MOTORS CORP.
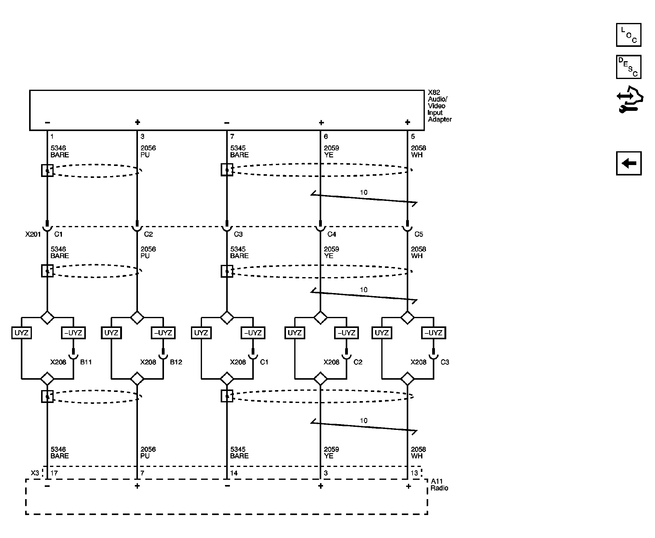
Fig 5: Video Inputs Circuit Schematic (UWG)
GM2382487Courtesy of GENERAL MOTORS CORP.