LEMON Manuals: Even more car manuals for everyone
Home >> Chevrolet >> 2012 >> Traverse LS, AWD >> Repair and Diagnosis >> Electrical >> Charging Systems >> Battery, Charging System And Starting System >> Schematic Wiring Diagrams >> Starting System and Charging System Wiring Schematics >> Starting System

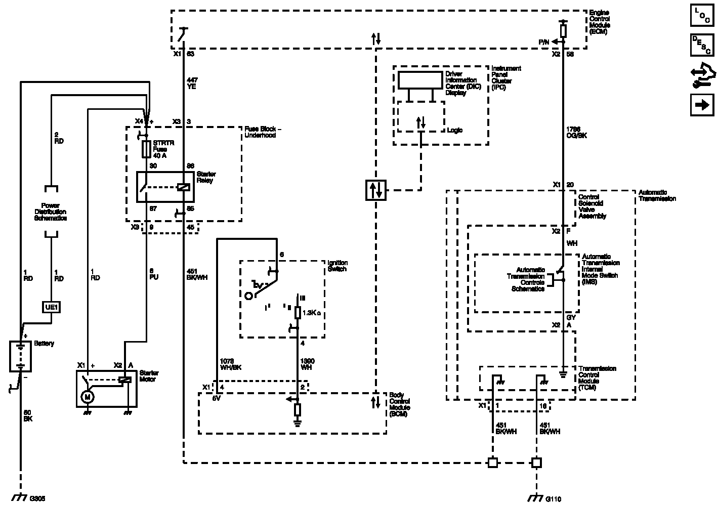
Starting System

Fig 1: Starting System Wiring Schematic
GM2567403Courtesy of GENERAL MOTORS COMPANY