LEMON Manuals: Even more car manuals for everyone
Home >> Chevrolet >> 2012 >> Impala LS, Gas >> Repair and Diagnosis >> Transmission >> Automatic Trans >> Shift Lock Control System >> Wiring Schematics >> Shift Lock Control Wiring Schematics >> Shift Lock Control System

Shift Lock Control System

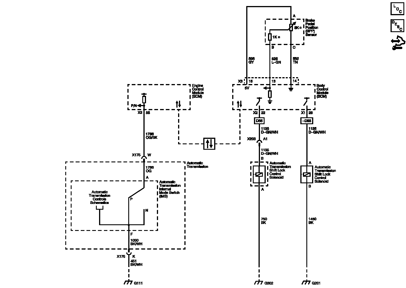
Fig 1: Shift Lock Control System Wiring Schematic
GM2583158Courtesy of GENERAL MOTORS COMPANY