LEMON Manuals: Even more car manuals for everyone
Home >> Chevrolet >> 2012 >> Cruze LTZ >> Repair and Diagnosis >> Engine Performance >> System >> Data Communications System >> Wiring Schematics >> Data Communication Wiring Schematics >> Local Interconnect Network (LIN) Serial Data

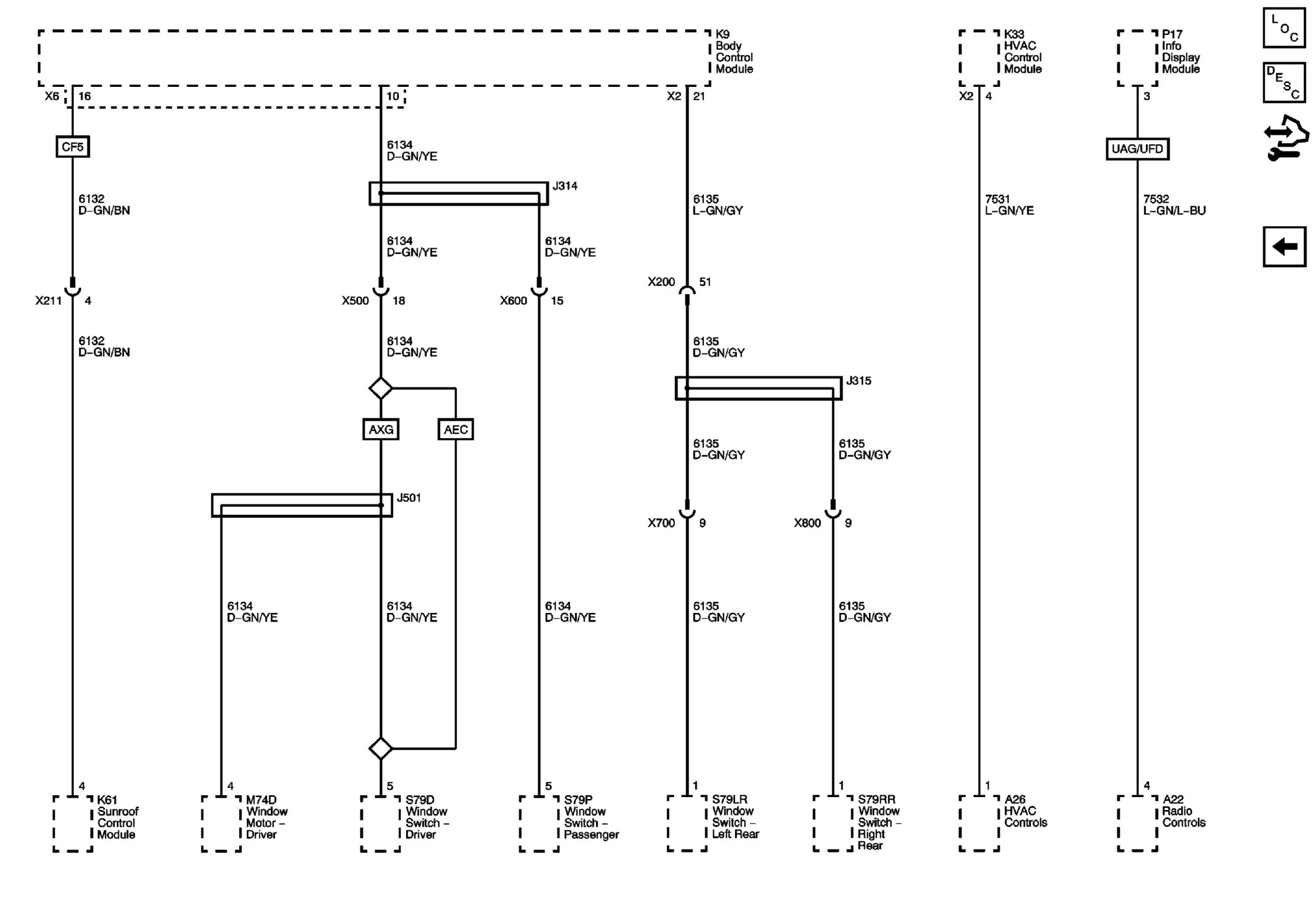
Local Interconnect Network (LIN) Serial Data

Fig 1: Local Interconnect Network (LIN) Serial Data Wiring Schematic
GM2587653Courtesy of GENERAL MOTORS COMPANY