LEMON Manuals: Even more car manuals for everyone
Home >> Chevrolet >> 2011 >> Volt >> Repair and Diagnosis >> External Pages >> Different car >> Section 20 (Cellular System, Entertainment System, And Navigation System) >> Schematic Wiring Diagrams >> Radio/Navigation System Wiring Schematics >> Auxiliary Audio Input Wiring Schematics

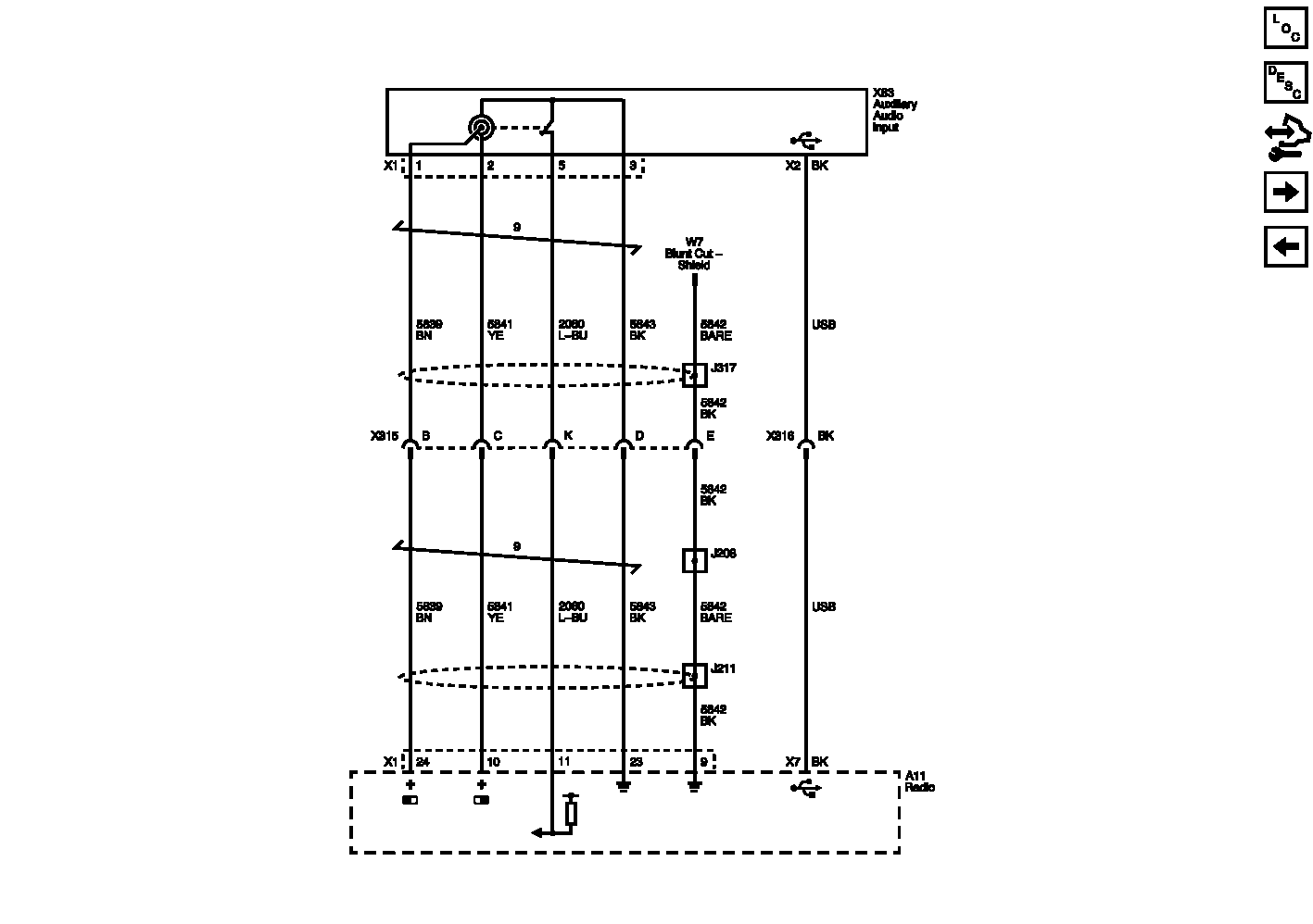
Auxiliary Audio Input Wiring Schematics

WARNING: This page is about a different car, the 2012 Chevrolet Volt. However, it is still accessible from the selected car via links, so may be relevant.
Fig 1: Auxiliary Audio Input Wiring Schematics
GM2614562Courtesy of GENERAL MOTORS COMPANY