LEMON Manuals: Even more car manuals for everyone
Home >> Chevrolet >> 2011 >> Volt >> Repair and Diagnosis >> Engine Performance >> System >> Data Communications System >> Wiring Schematics >> Data Communication Wiring Schematics

Data Communication Wiring Schematics

Fig 1: High Speed GMLAN Wiring Schematic
GM2477166Courtesy of GENERAL MOTORS CORP.
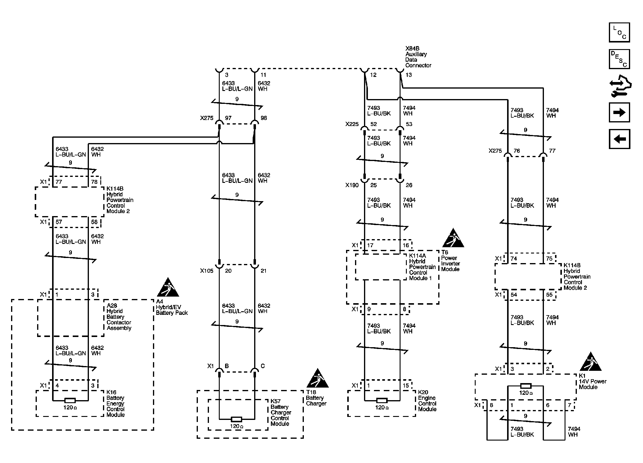
Fig 2: High Voltage Management And Powertrain Expansion Busses Wiring Schematic
GM2477170Courtesy of GENERAL MOTORS CORP.
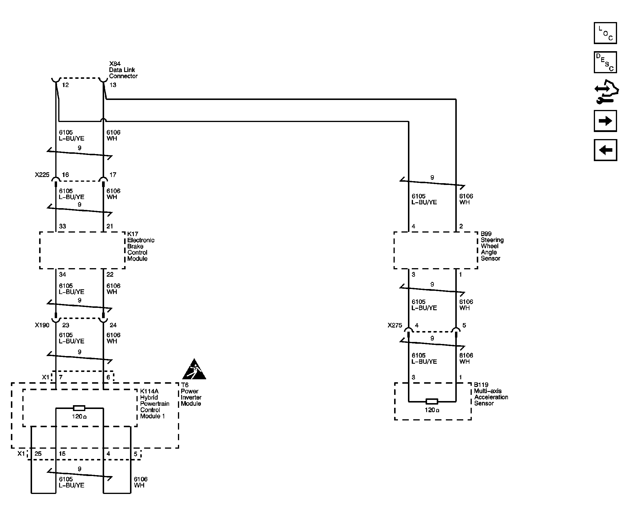
Fig 3: Chassis Expansion Bus Wiring Schematic
GM2477175Courtesy of GENERAL MOTORS CORP.
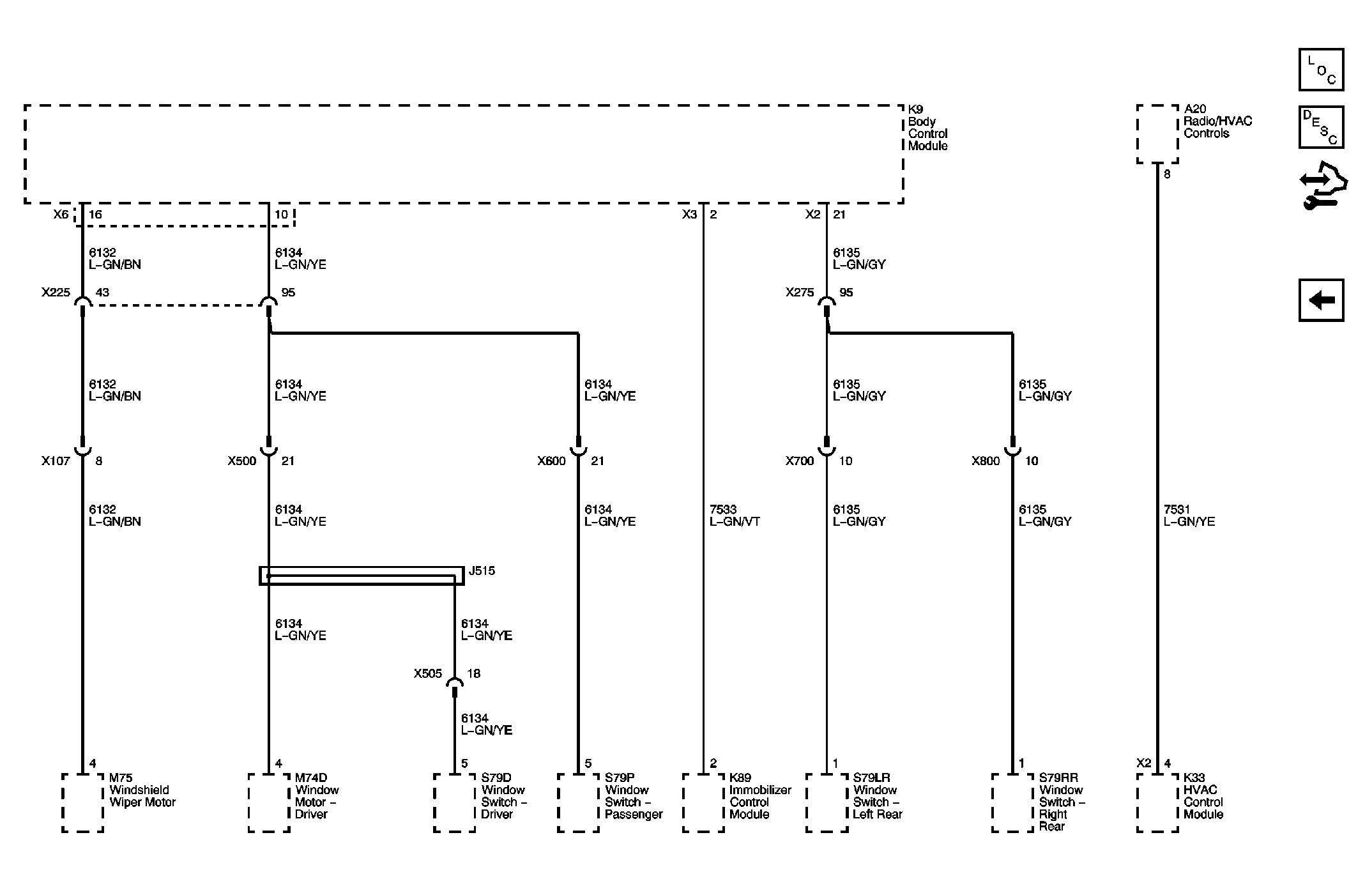
Fig 4: Low Speed CAN Wiring Schematic
GM2477179Courtesy of GENERAL MOTORS CORP.
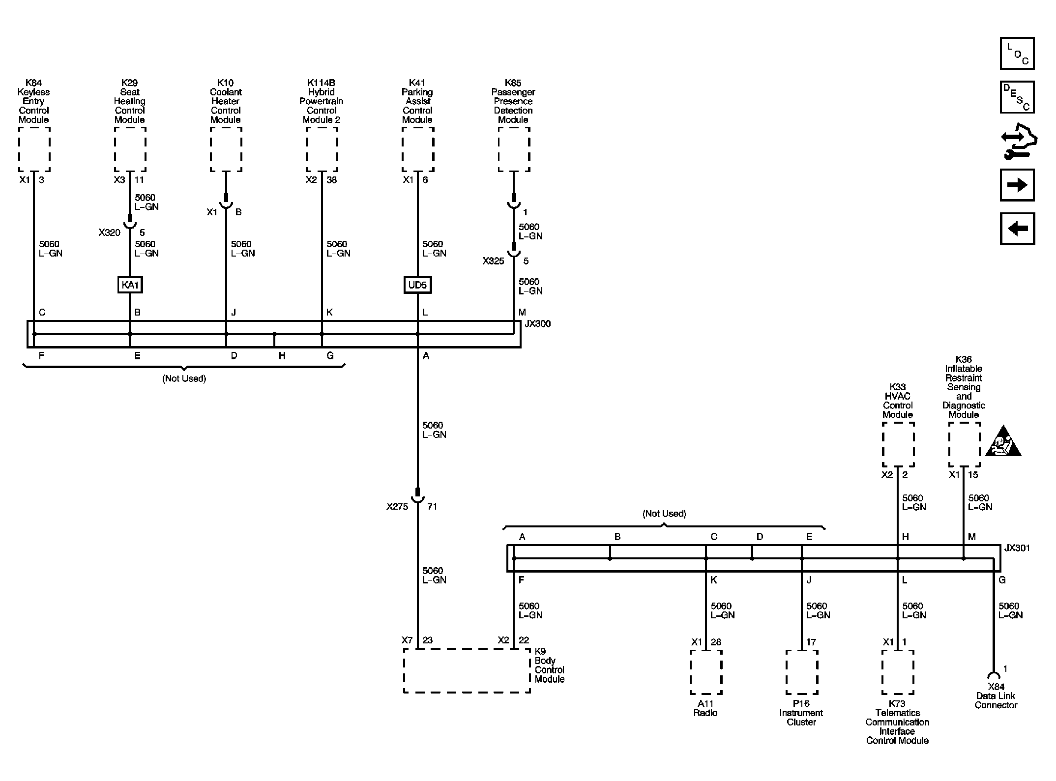
Fig 5: Communications Enable Wiring Schematic
GM2477189Courtesy of GENERAL MOTORS CORP.
Fig 6: Serial Data Wake-Up
GM2499210Courtesy of GENERAL MOTORS CORP.
Fig 7: Linear Interconnect Network (LIN) Wiring Schematic
GM2477193Courtesy of GENERAL MOTORS CORP.