LEMON Manuals: Even more car manuals for everyone
Home >> Chevrolet >> 2011 >> Traverse LS, AWD >> Repair and Diagnosis >> Engine Performance >> System >> Data Communications System >> Wiring Schematic Diagrams >> Data Communication Wiring Schematics >> Communication Enable and Linear Interconnect Network (LIN)

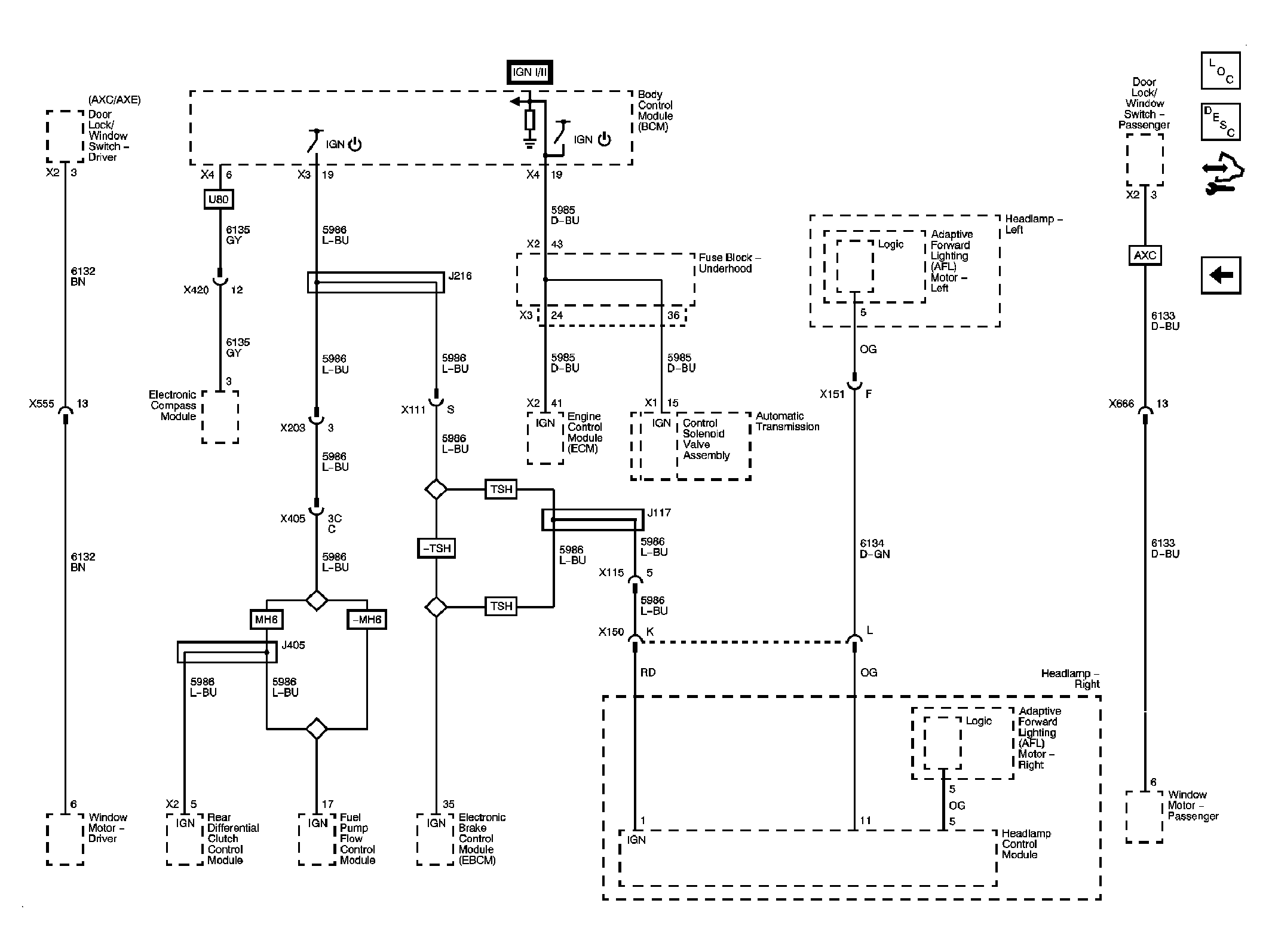
Communication Enable and Linear Interconnect Network (LIN)

Fig 1: Wiring Schematic Communication Enable And Linear Interconnect Network (LIN)
GM2381836Courtesy of GENERAL MOTORS CORP.