LEMON Manuals: Even more car manuals for everyone
Home >> Chevrolet >> 2011 >> Traverse LS, AWD >> Repair and Diagnosis (Single Page) >> Accessories & Equipment >> Anti-Theft Systems >> Power Door Lock System And Release Systems >> Wiring Schematics >> Liftgate Wiring Schematics >> Module Power, Ground, Serial Data, Instrument Panel Switch, and Actuator

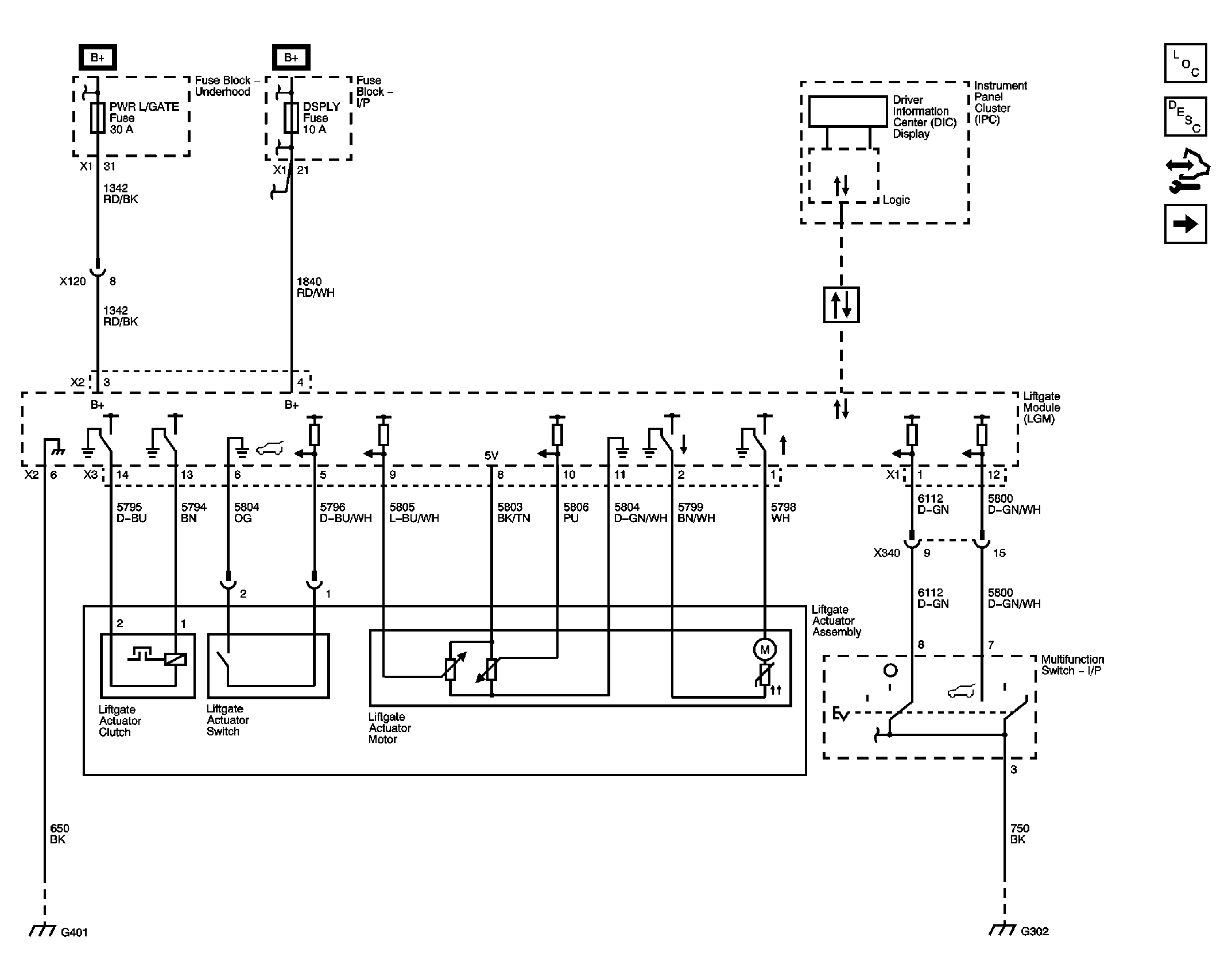
Module Power, Ground, Serial Data, Instrument Panel Switch, and Actuator

Fig 1: Module Power, Ground, Serial Data, Instrument Panel Switch, and Actuator Wiring Schematic
GM2381640Courtesy of GENERAL MOTORS CORP.