LEMON Manuals: Even more car manuals for everyone
Home >> Chevrolet >> 2011 >> Equinox LS, AWD >> Repair and Diagnosis >> Accessories & Equipment >> Drivers Assistance Systems - ADAS >> Object Detection System - Park Assist System >> Wiring Schematics >> Object Detection System Wiring Schematics

Object Detection System Wiring Schematics

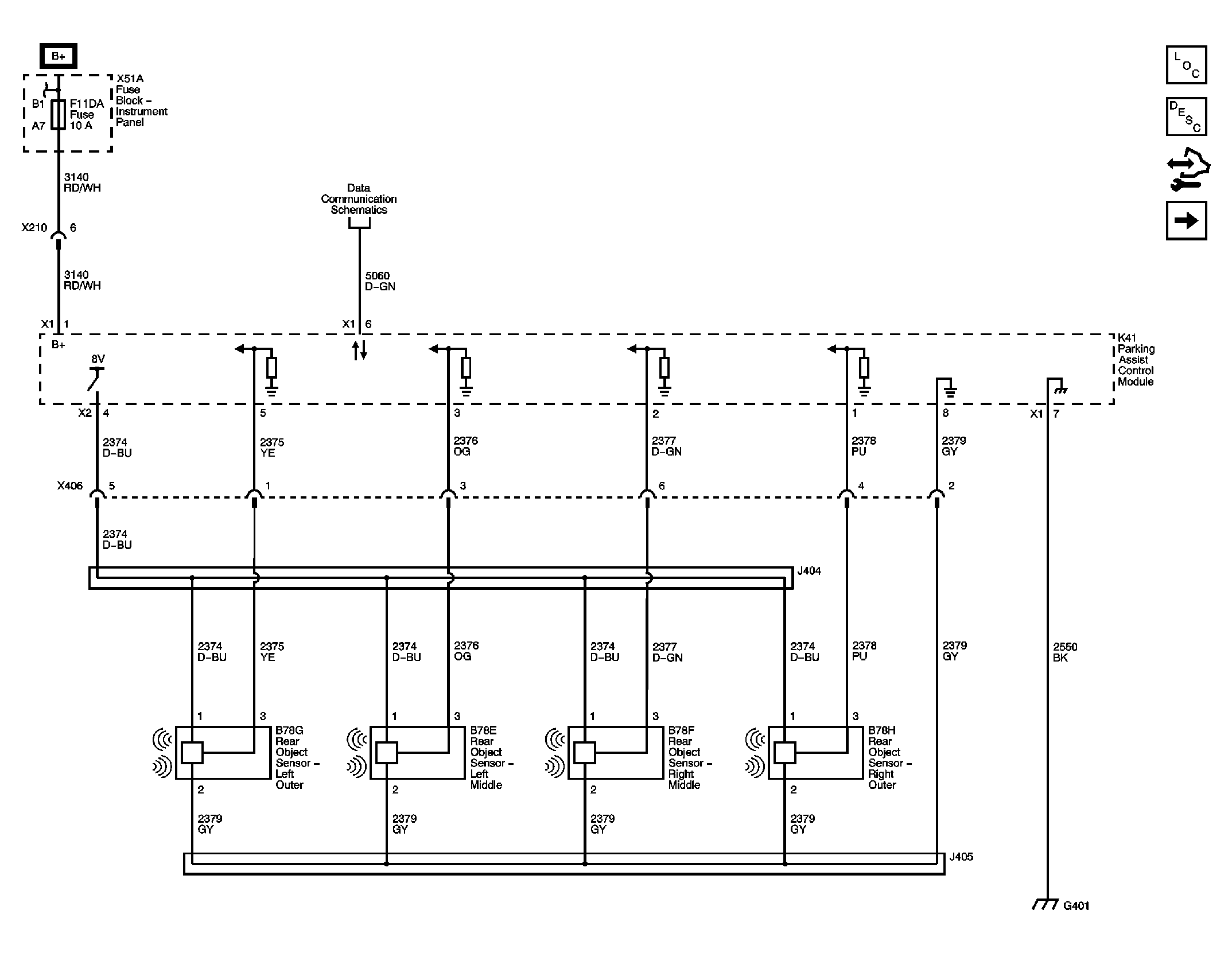
Fig 1: Rear Parking Assist Wiring Schematic (UD7)
GM2409994Courtesy of GENERAL MOTORS CORP.
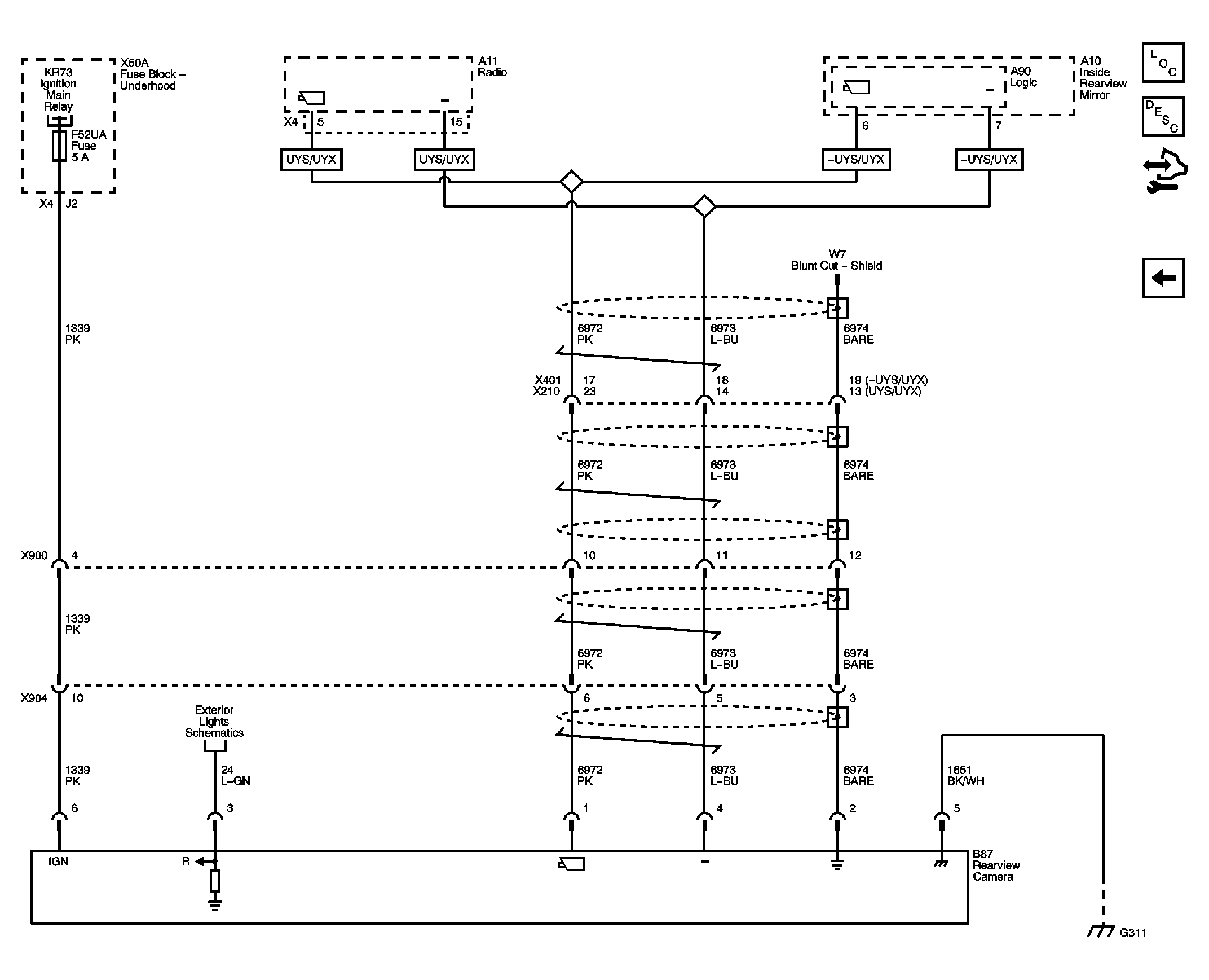
Fig 2: Rearview Camera Wiring Schematic (UVC)
GM2409995Courtesy of GENERAL MOTORS CORP.