LEMON Manuals: Even more car manuals for everyone
Home >> Chevrolet >> 2011 >> Cruze LS, Standard >> Repair and Diagnosis >> Engine Performance >> System >> Data Communications System >> Wiring Schematics >> Data Communication System Wiring Schematics

Data Communication System Wiring Schematics

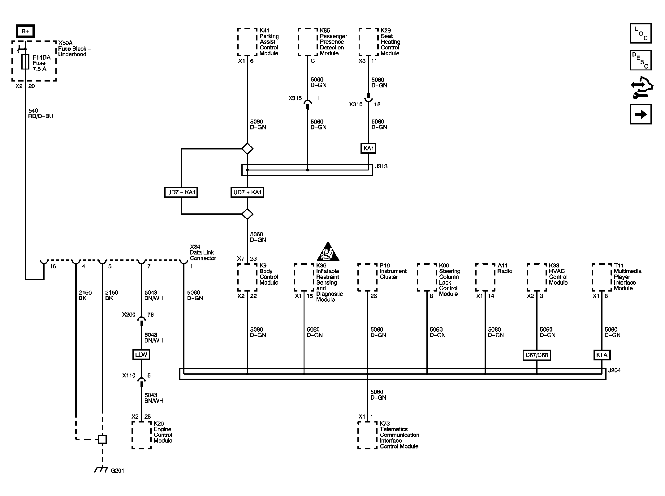
Fig 1: Low Speed GMLAN Wiring Schematic
GM2458197Courtesy of GENERAL MOTORS CORP.
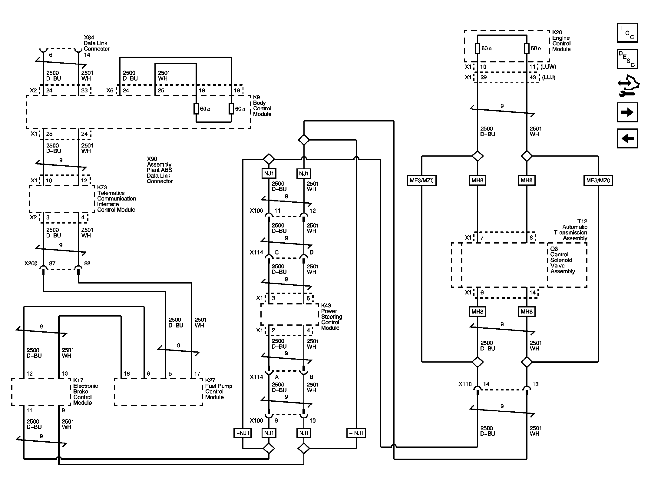
Fig 2: High Speed GMLAN Wiring Schematic
GM2458198Courtesy of GENERAL MOTORS CORP.
Fig 3: Chassis Expansion Bus Wiring Schematic
GM2458199Courtesy of GENERAL MOTORS CORP.
Fig 4: Enable Serial Data Wiring Schematic
GM2458201Courtesy of GENERAL MOTORS CORP.
Fig 5: Local Interconnect Network (LIN) Serial Data Wiring Schematic
GM2458202Courtesy of GENERAL MOTORS CORP.