LEMON Manuals: Even more car manuals for everyone
Home >> Chevrolet >> 2011 >> Cruze LS, Automatic >> Repair and Diagnosis >> Accessories & Equipment >> Infotainment >> Cellular System, Entertainment System, And Navigation System >> Wiring Schematics >> Radio/Navigation System Schematics

Radio/Navigation System Schematics

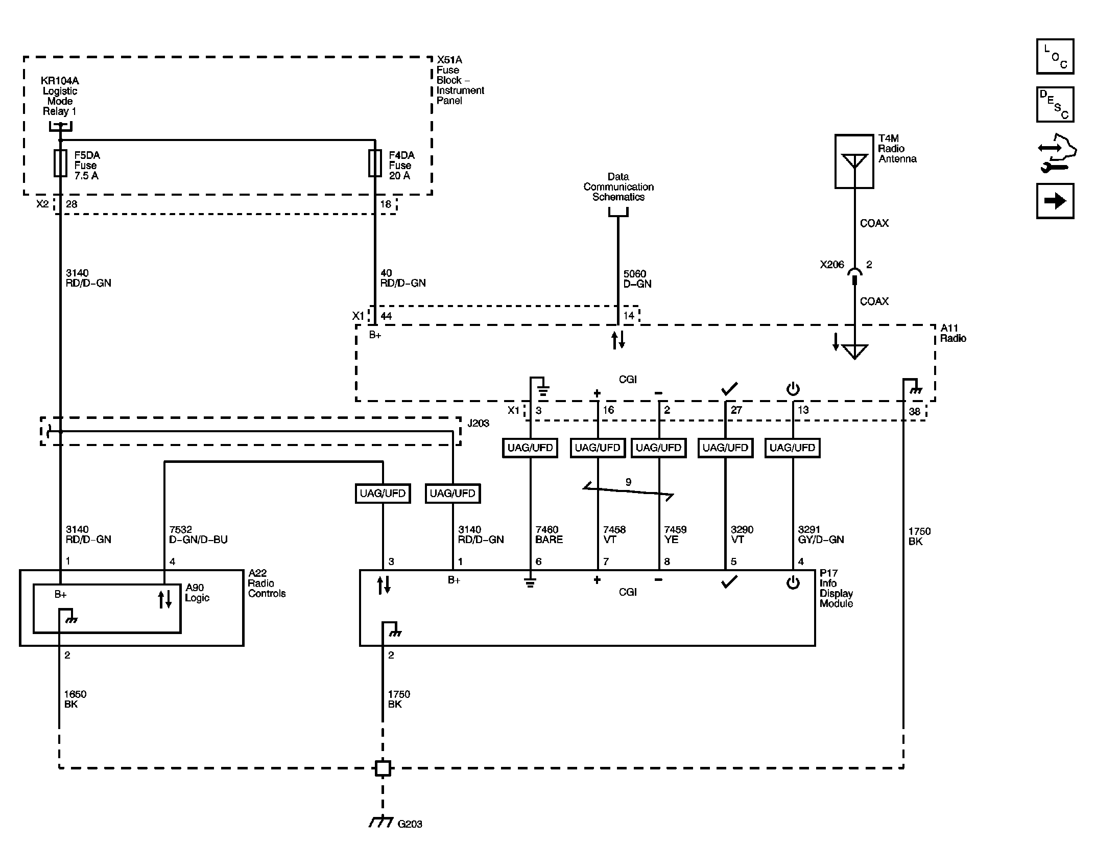
Fig 1: Power, Ground, Serial Data, Antenna, and Display Wiring Schematic
GM2458130Courtesy of GENERAL MOTORS CORP.
Fig 2: Door Speakers (without UQA) Wiring Schematic
GM2458131Courtesy of GENERAL MOTORS CORP.
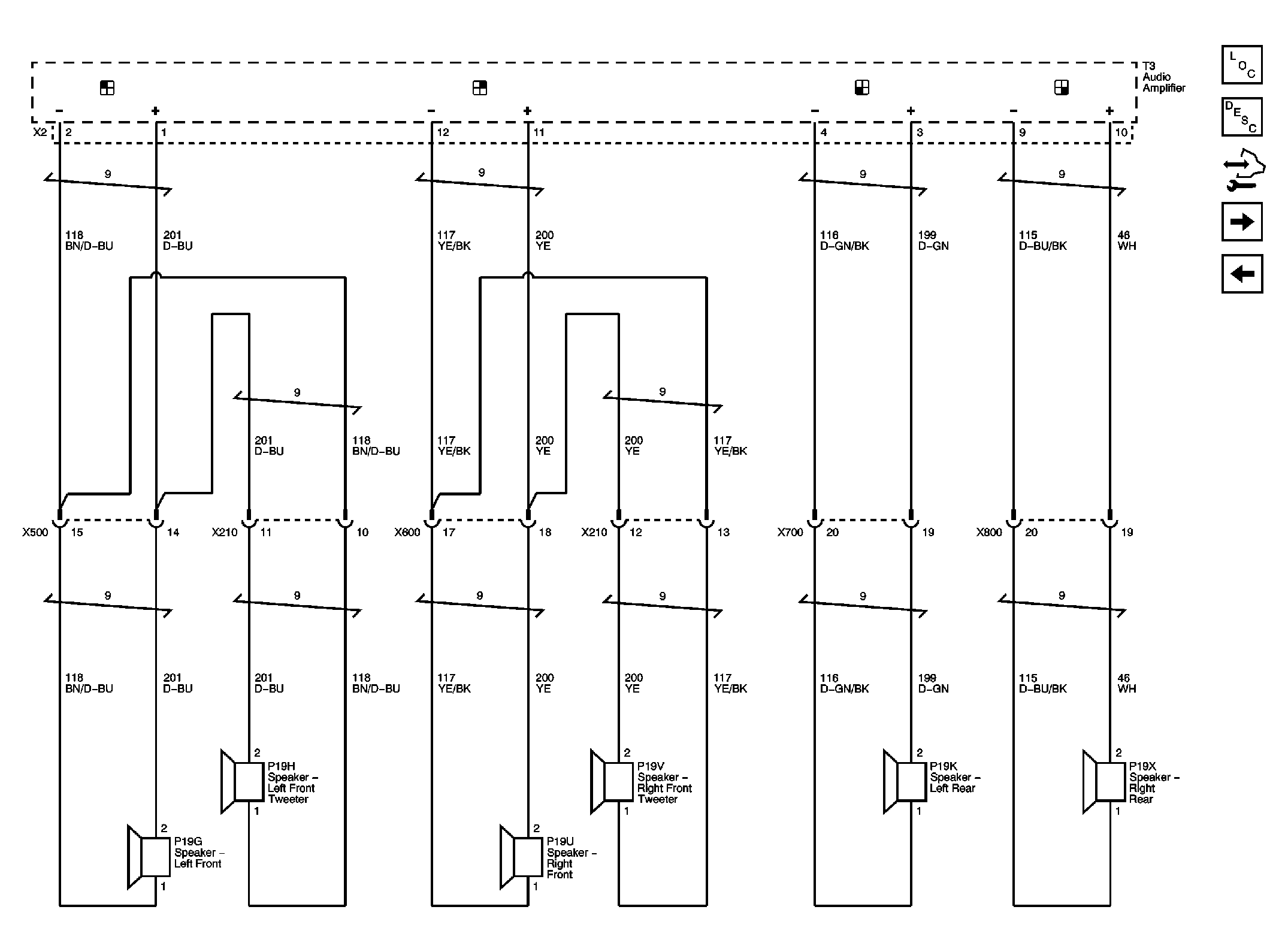
Fig 3: Amplifier (UQA) Wiring Schematic
GM2458133Courtesy of GENERAL MOTORS CORP.
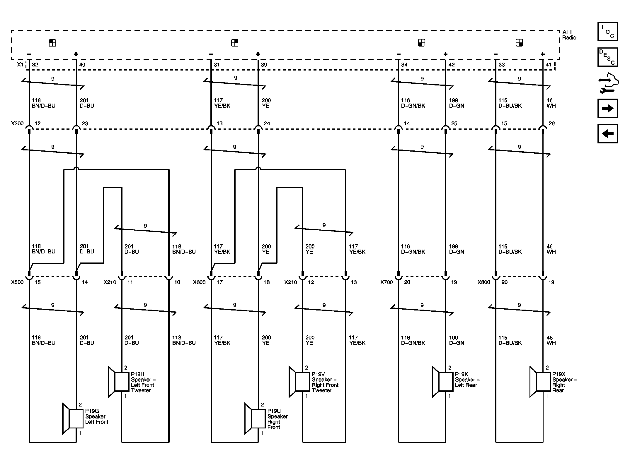
Fig 4: Door Speakers (UQA) Wiring Schematic
GM2458134Courtesy of GENERAL MOTORS CORP.
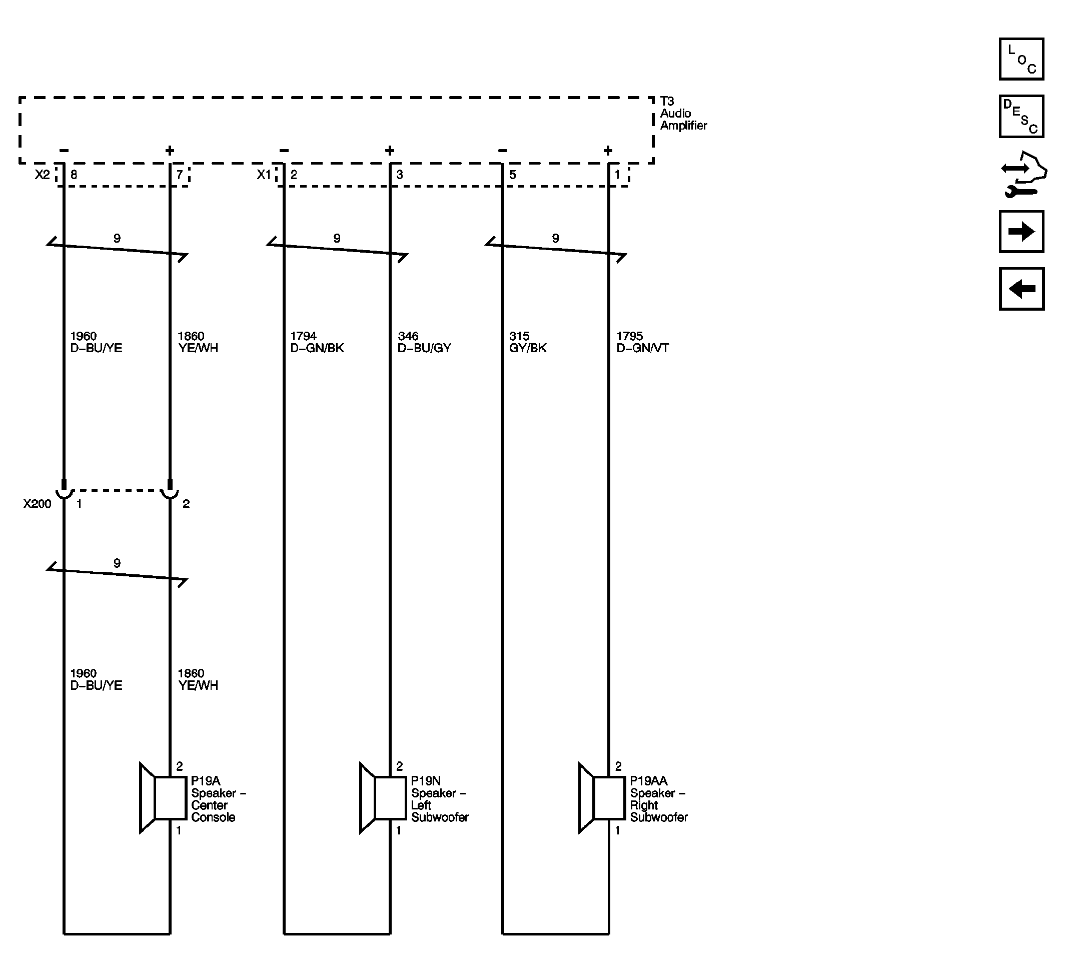
Fig 5: Center Speaker and Subwoofer (UQA) Wiring Schematic
GM2458135Courtesy of GENERAL MOTORS CORP.
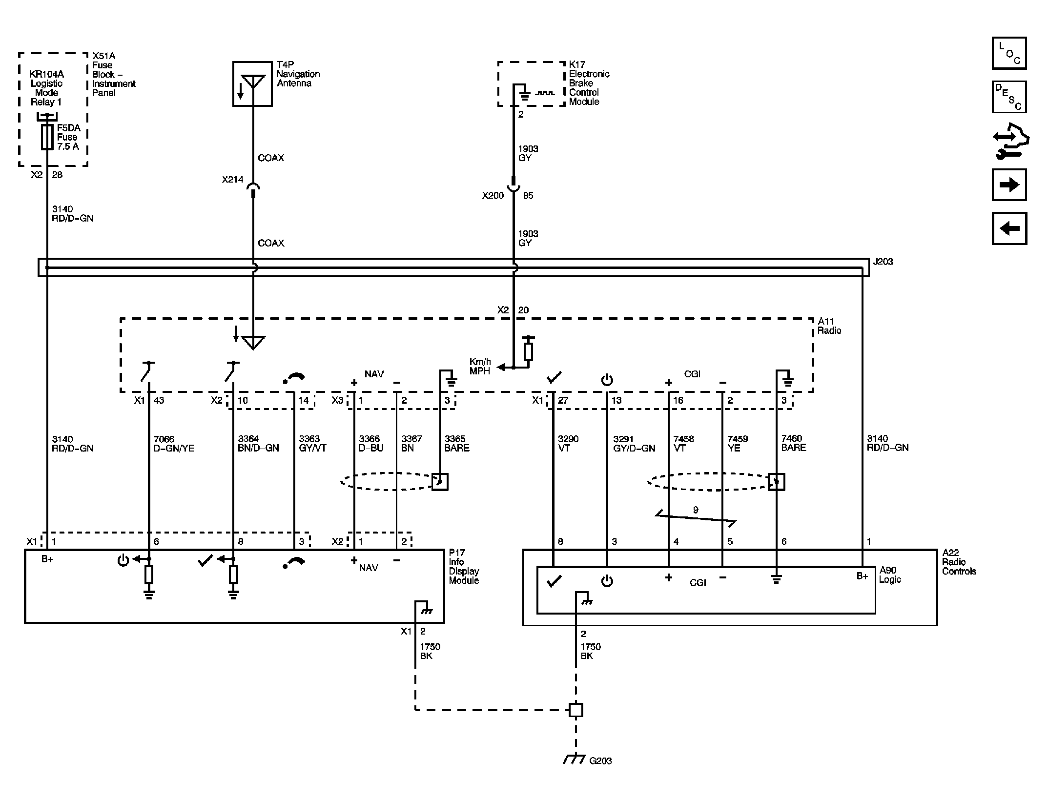
Fig 6: Navigation System (UYS) Wiring Schematic
GM2458136Courtesy of GENERAL MOTORS CORP.
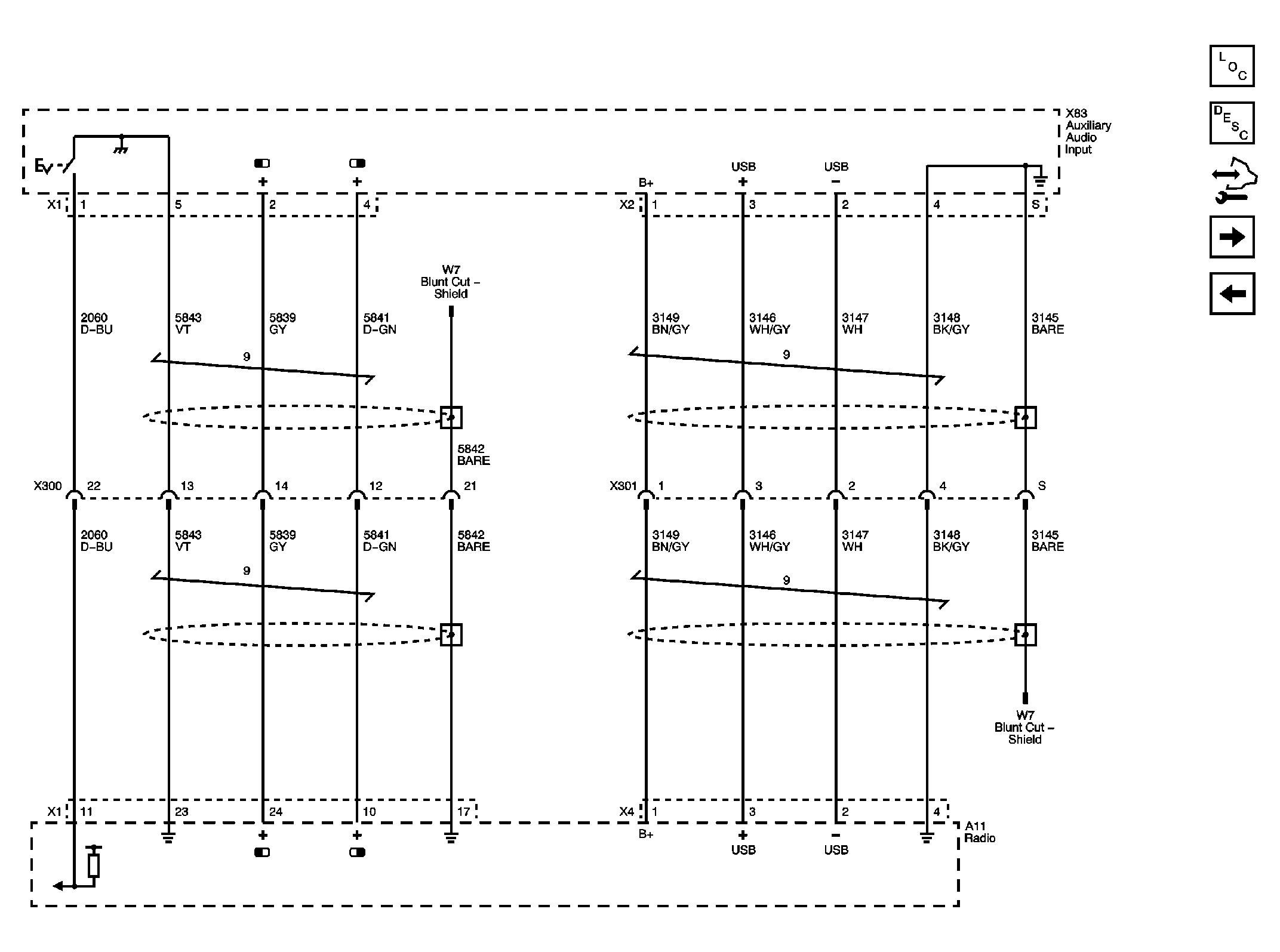
Fig 7: Audio Input (without KTA) Wiring Schematic
GM2458138Courtesy of GENERAL MOTORS CORP.
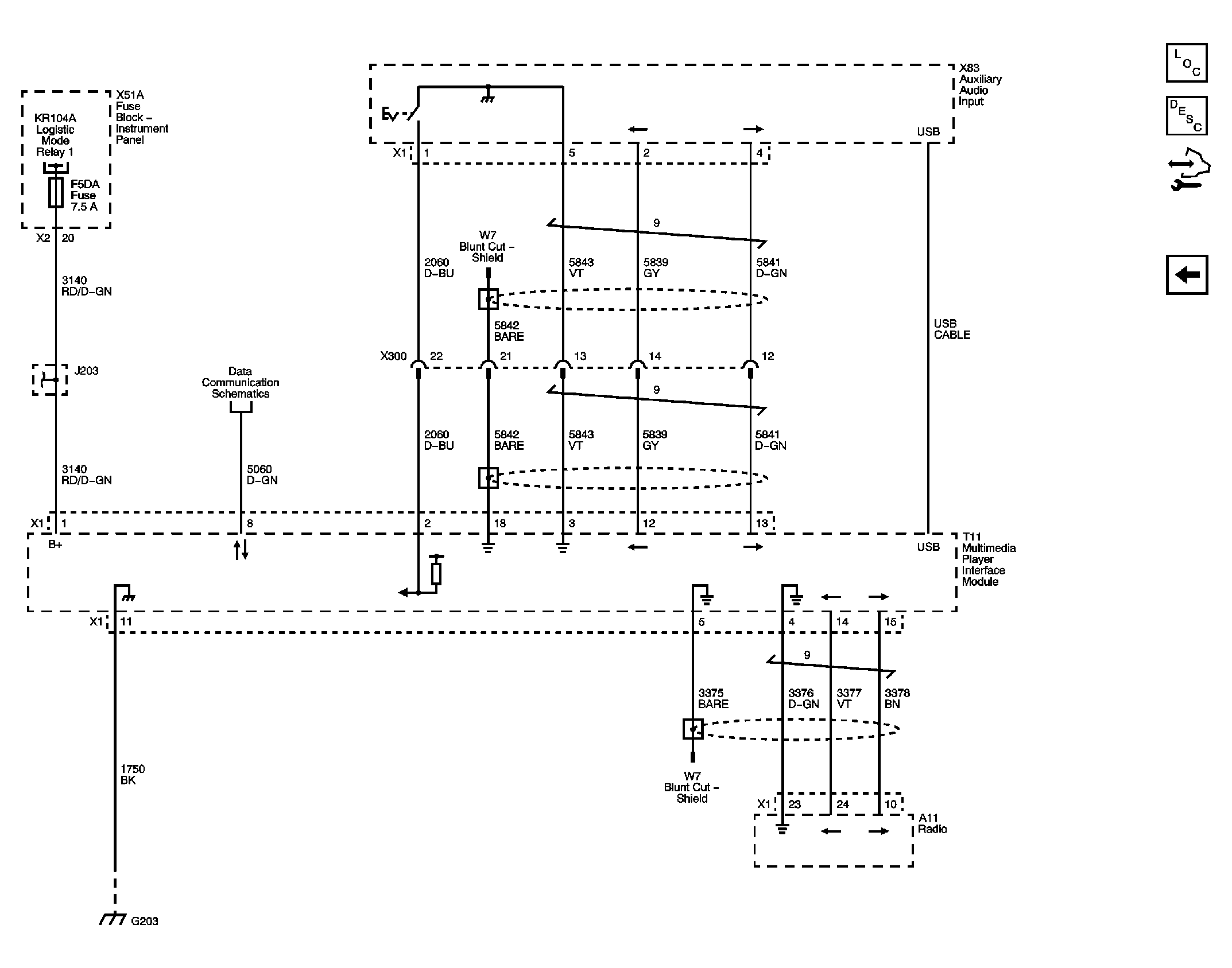
Fig 8: Multimedia Player Interface (KTA) Wiring Schematic
GM2458139Courtesy of GENERAL MOTORS CORP.