LEMON Manuals: Even more car manuals for everyone
Home >> Chevrolet >> 2011 >> Cruze Eco >> Repair and Diagnosis >> Accessories & Equipment >> Drivers Assistance Systems - ADAS >> Object Detection System - Park Assist System >> Schematic and Routing Diagrams >> Object Detection Schematics

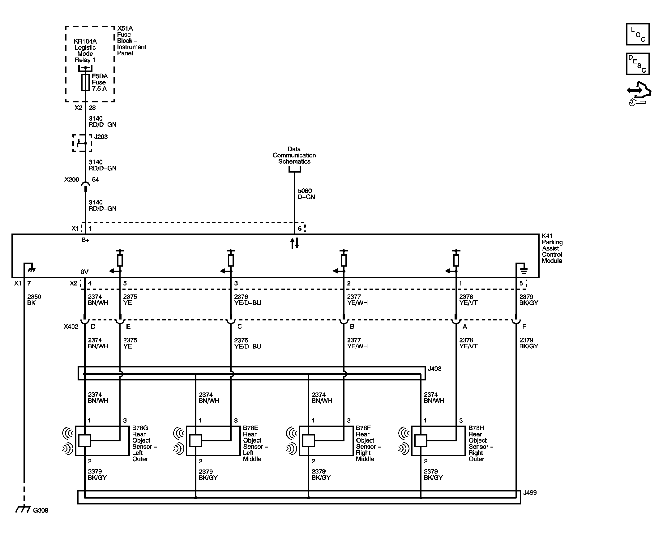
Object Detection Schematics

Fig 1: UD7 Schematics
GM2461665Courtesy of GENERAL MOTORS CORP.