LEMON Manuals: Even more car manuals for everyone
Home >> Chevrolet >> 2011 >> Caprice >> Repair and Diagnosis >> External Pages >> Different car >> Section 44 (Keyless Entry System And Remote Functions) >> Schematic and Routing Diagrams >> Remote Function Schematics

Remote Function Schematics

WARNING: This page is about a different car, the 2010 Chevrolet Camaro. However, it is still accessible from the selected car via links, so may be relevant.
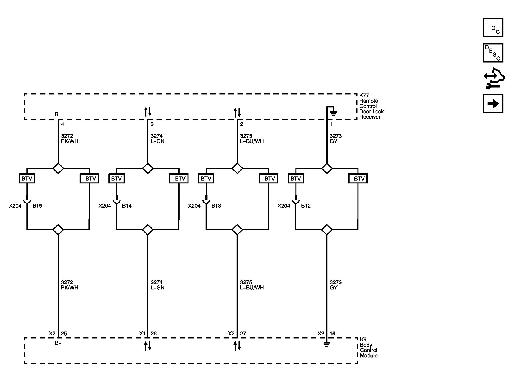
Fig 1: Keyless Entry
GM2208229Courtesy of GENERAL MOTORS CORP.
Fig 2: Garage Door Opener
GM2208230Courtesy of GENERAL MOTORS CORP.