LEMON Manuals: Even more car manuals for everyone
Home >> Chevrolet >> 2011 >> Camaro LS, Standard >> Repair and Diagnosis >> Accessories & Equipment >> Drivers Assistance Systems - ADAS >> Object Detection System - Park Assist System >> Wiring Schematics >> Object Detection Wiring Schematics

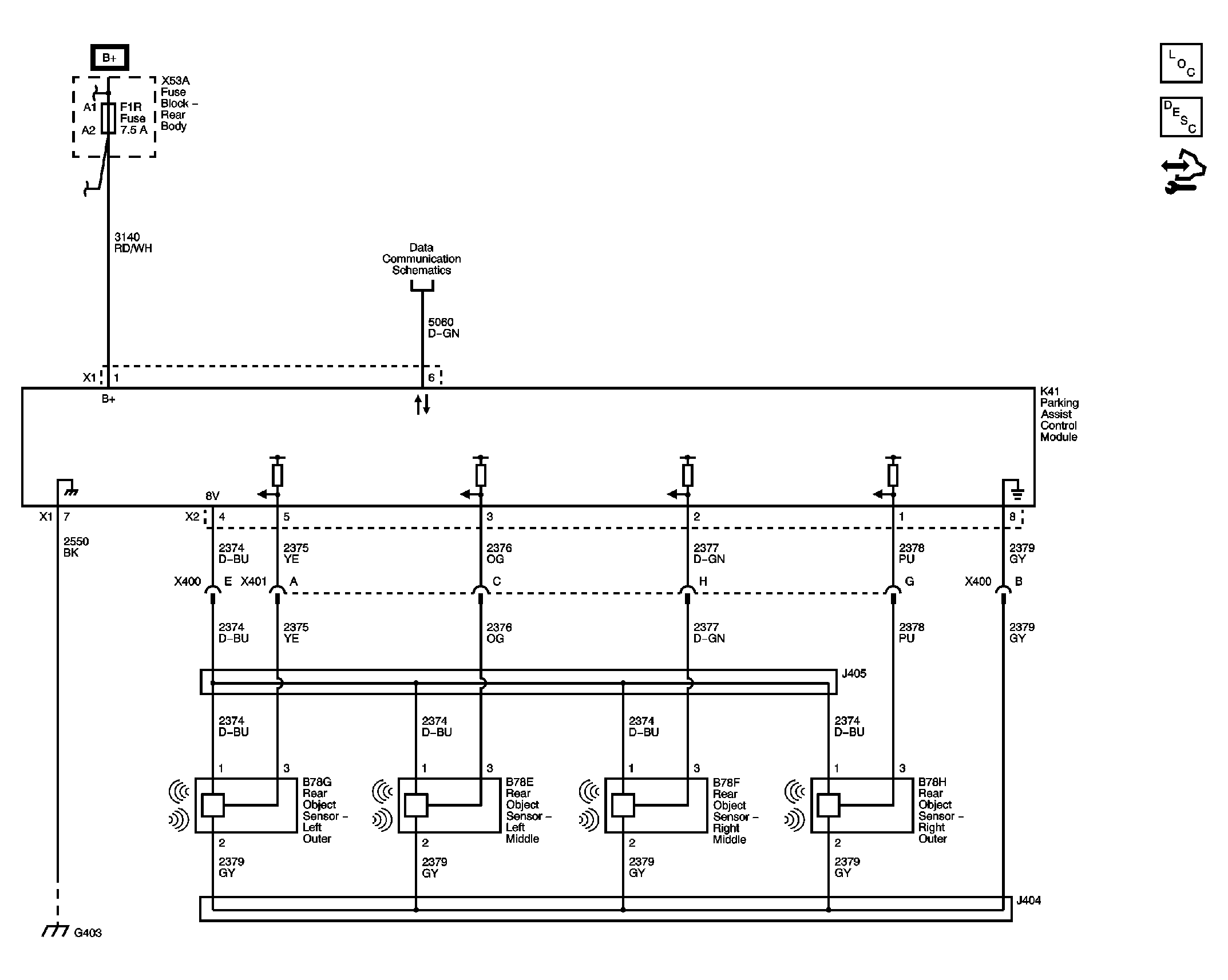
Object Detection Wiring Schematics

Fig 1: UD7 Wiring Schematic
GM2404240Courtesy of GENERAL MOTORS CORP.