LEMON Manuals: Even more car manuals for everyone
Home >> Chevrolet >> 2010 >> Traverse LS, AWD >> Repair and Diagnosis >> Accessories & Equipment >> Infotainment >> Cellular Systems, Entertainment Systems & Navigation Systems >> Schematic and Routing Diagrams >> Radio/Navigation System Schematics

Radio/Navigation System Schematics

Fig 1: Radio Antennas, Data Communication, Lighting, Power, and Vehicle Speed Signal Circuit Schematic
GM2248050Courtesy of GENERAL MOTORS CORP.
Fig 2: Audio Amplifier Power, Ground, and Front and Rear Audio Inputs Circuit Schematic (UQA or UQS)
GM2248053Courtesy of GENERAL MOTORS CORP.
Fig 3: Audio Amplifier Power, Ground, and Front and Rear Audio Inputs Circuit Schematic (UQA or UQS with UK6)
GM2248059Courtesy of GENERAL MOTORS CORP.
Fig 4: Audio Amplifier Center and Subwoofer Audio Inputs Circuit Schematic (UQS)
GM2248064Courtesy of GENERAL MOTORS CORP.
Fig 5: Speakers Circuit Schematic (UQF)
GM2248065Courtesy of GENERAL MOTORS CORP.
Fig 6: Speakers Circuit Schematic (UQF with ULD)
GM2248067Courtesy of GENERAL MOTORS CORP.
Fig 7: Door and A-Pillar Speakers Circuit Schematic (UQA or UQS)
GM2248073Courtesy of GENERAL MOTORS CORP.
Fig 8: Except Door and A-Pillar Speakers Circuit Schematic (UQA or UQS)
GM2248077Courtesy of GENERAL MOTORS CORP.
Fig 9: Rear Audio/HVAC Module Power, Ground, Lighting, Data Communication, and Infrared Module Circuit Schematic
GM2248084Courtesy of GENERAL MOTORS CORP.
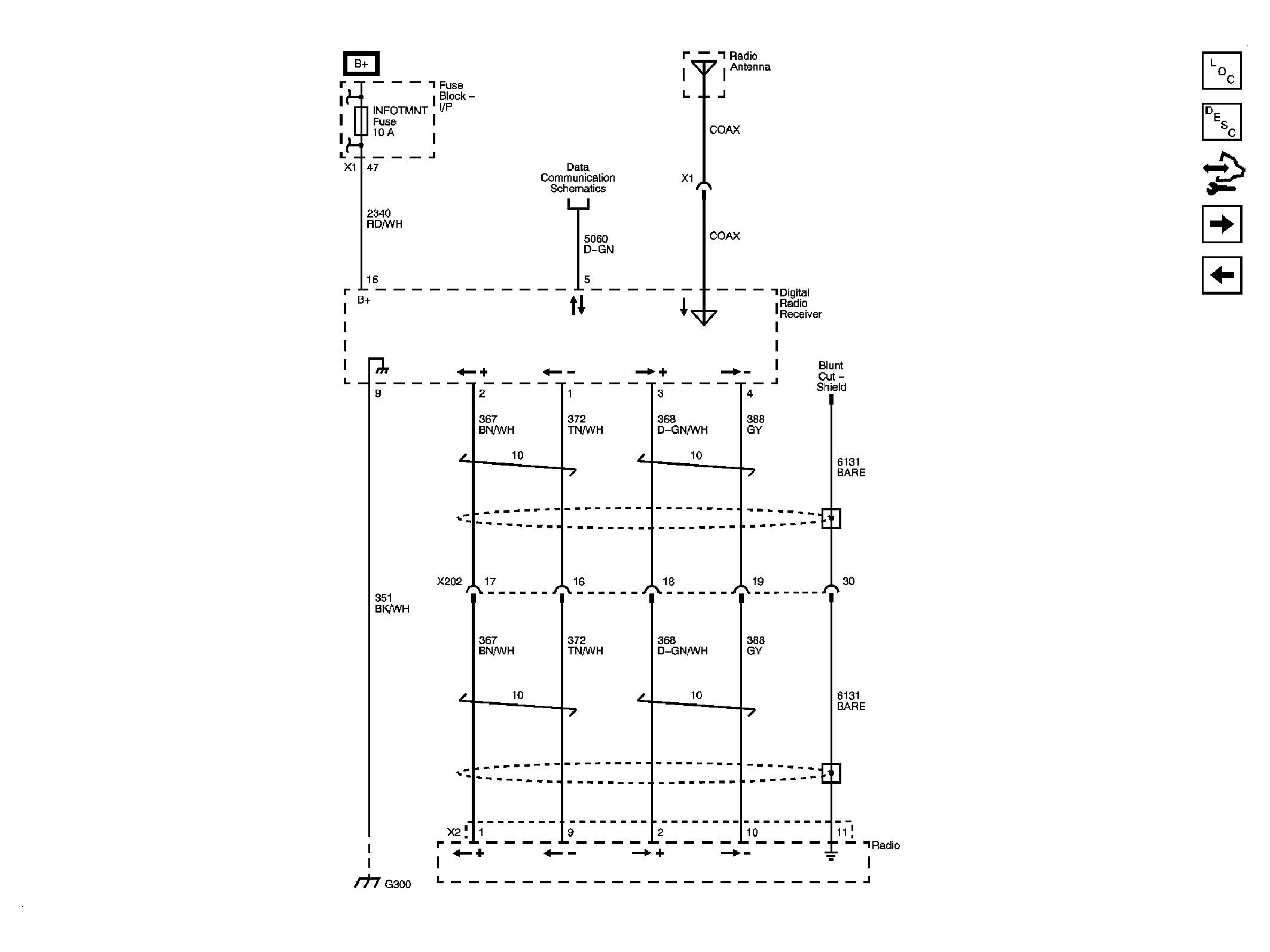
Fig 10: XM Radio Circuit Schematic (U2K or UBS)
GM2248086Courtesy of GENERAL MOTORS CORP.
Fig 11: Secondary Controls Circuit Schematic
GM2248090Courtesy of GENERAL MOTORS CORP.