LEMON Manuals: Even more car manuals for everyone
Home >> Chevrolet >> 2010 >> Traverse LS, AWD >> Repair and Diagnosis >> Accessories & Equipment >> Drivers Assistance Systems - ADAS >> Object Detection System >> Schematic and Routing Diagrams >> Object Detection Schematics

Object Detection Schematics

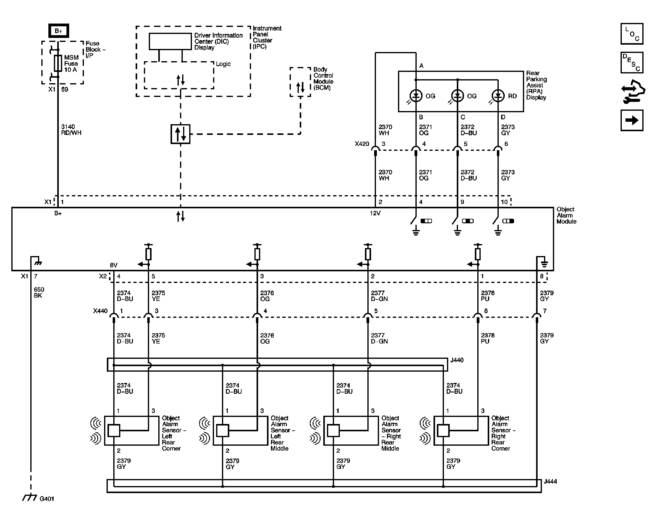
Fig 1: Rear Park Assist Circuit Schematic (UD7)
GM2248469Courtesy of GENERAL MOTORS CORP.
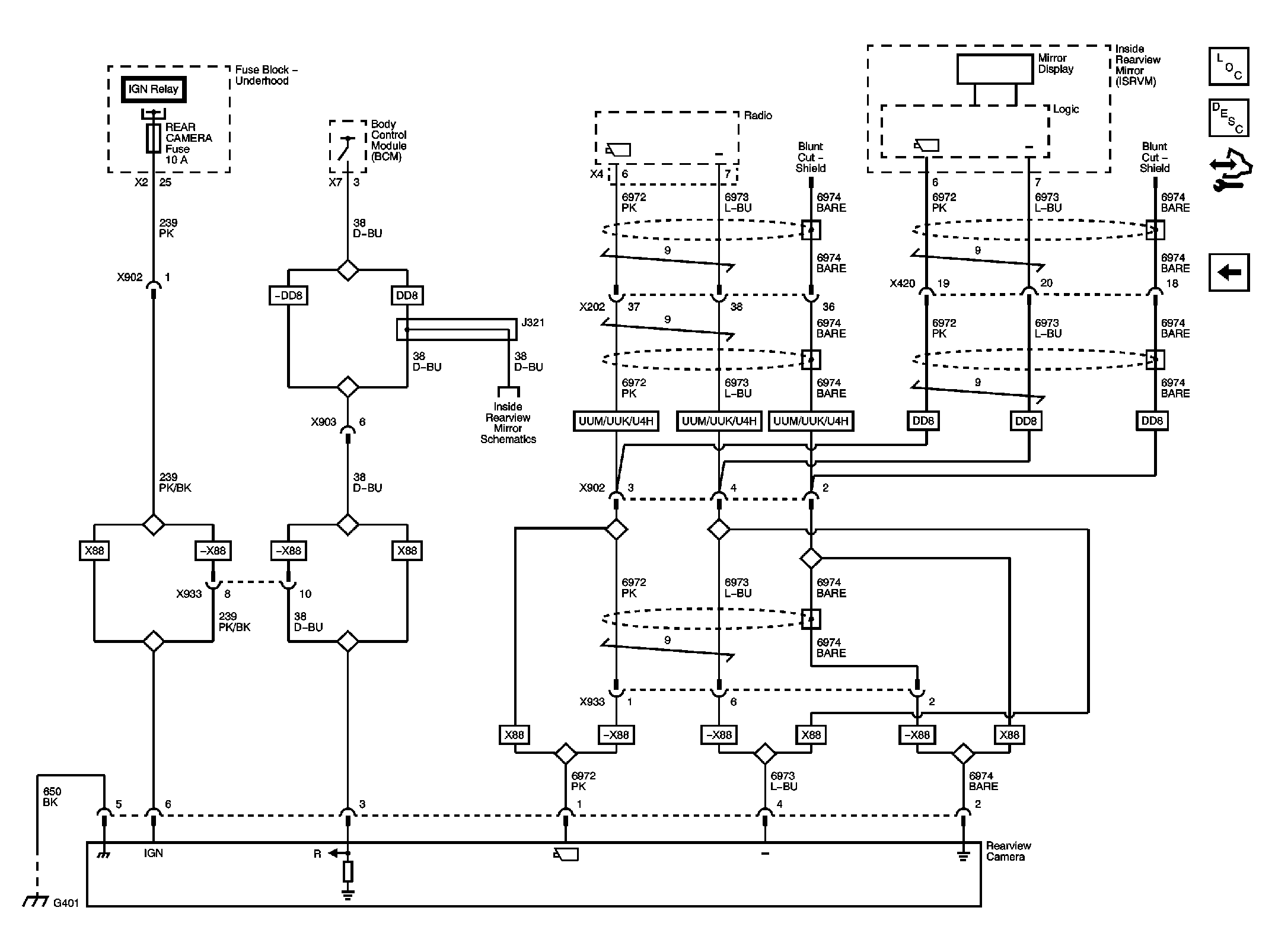
Fig 2: Rear Vision Camera Circuit Schematic (UVC)
GM2248474Courtesy of GENERAL MOTORS CORP.