LEMON Manuals: Even more car manuals for everyone
Home >> Chevrolet >> 2010 >> Impala Police >> Repair and Diagnosis >> Engine Performance >> System >> Data Communication System >> Schematic and Routing Diagrams >> Data Communication Schematics

Data Communication Schematics

Fig 1: Power, Ground, and Low Speed GMLAN Serial Data
GM2227971Courtesy of GENERAL MOTORS CORP.
Fig 2: High Speed GMLAN Serial Data
GM2227976Courtesy of GENERAL MOTORS CORP.
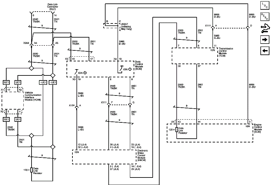
Fig 3: CAN Bus Serial Data - JL4
GM2227981Courtesy of GENERAL MOTORS CORP.