LEMON Manuals: Even more car manuals for everyone
Home >> Chevrolet >> 2010 >> Impala Police >> Repair and Diagnosis >> Accessories & Equipment >> Infotainment >> Cellular Systems, Entertainment Systems And Navigation Systems >> Schematic and Routing Diagrams >> Radio/Navigation System Schematics

Radio/Navigation System Schematics

Fig 1: Power, Ground, and References
GM2080670Courtesy of GENERAL MOTORS CORP.
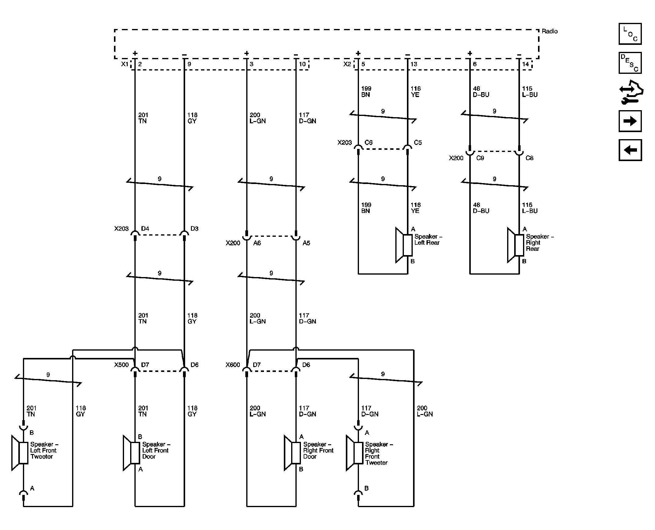
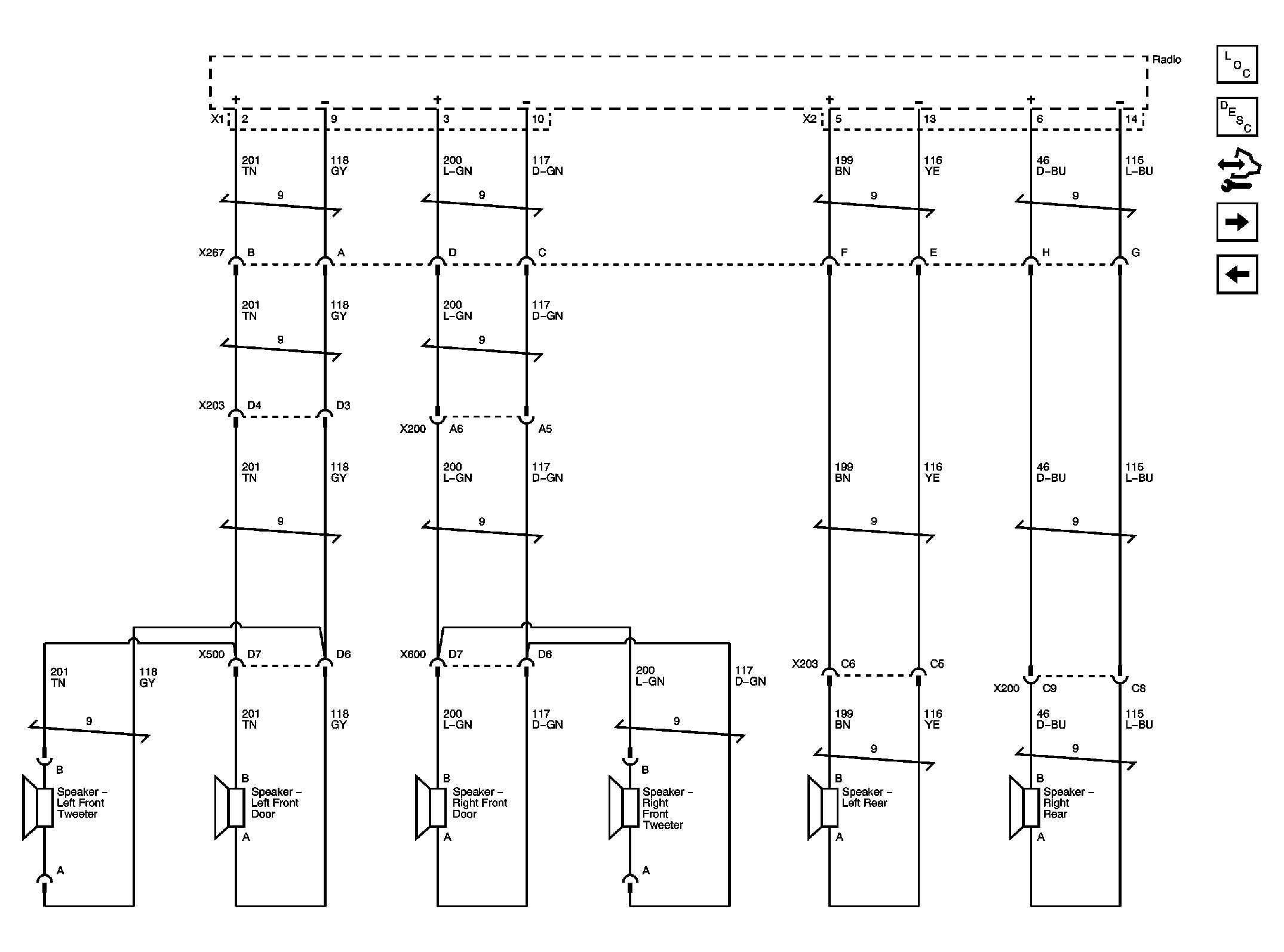
Fig 2: Radio to Speakers - UW6
GM2227885Courtesy of GENERAL MOTORS CORP.
Fig 3: Audio Signal Communications - UQ3
GM2227891Courtesy of GENERAL MOTORS CORP.
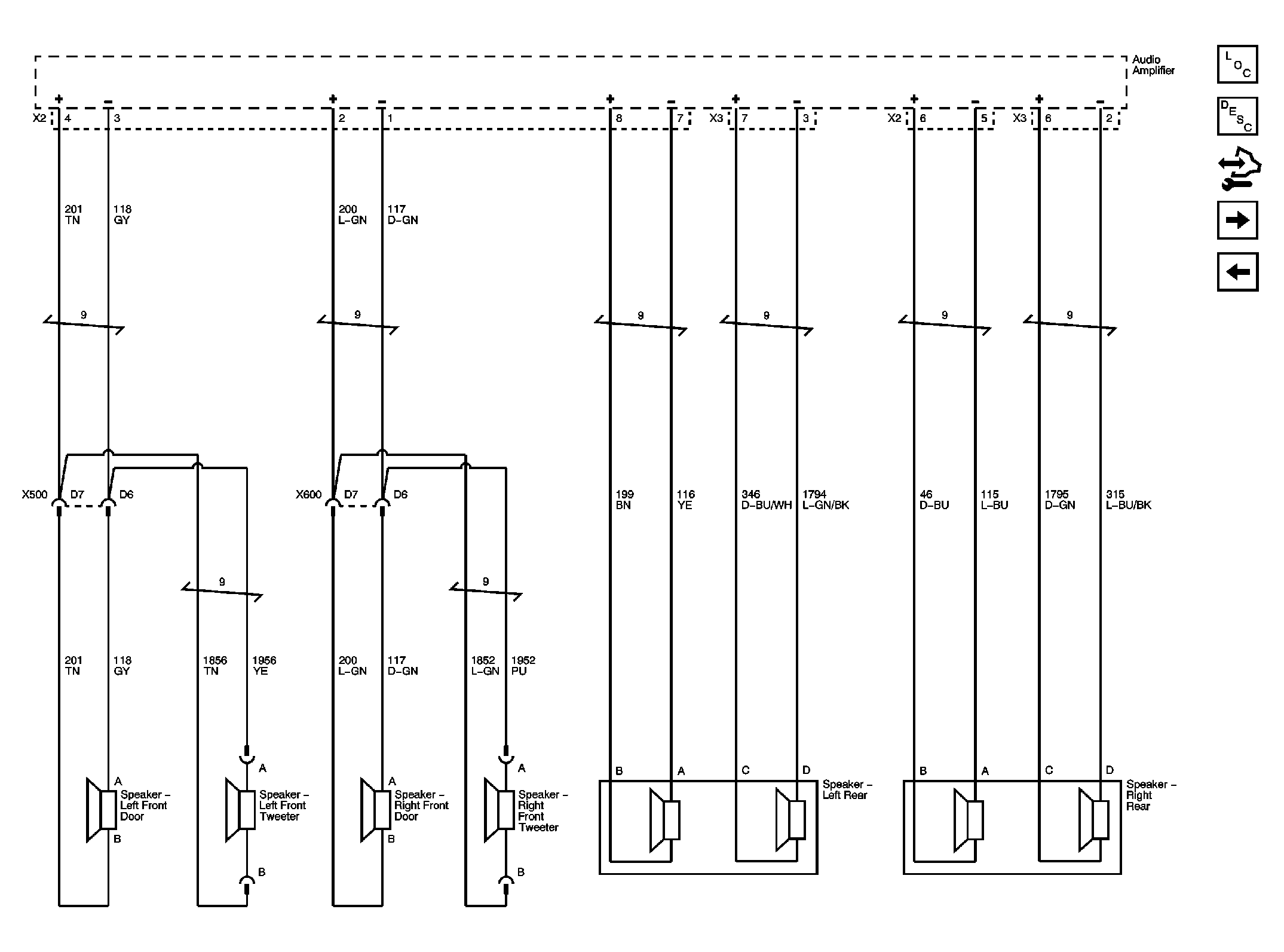
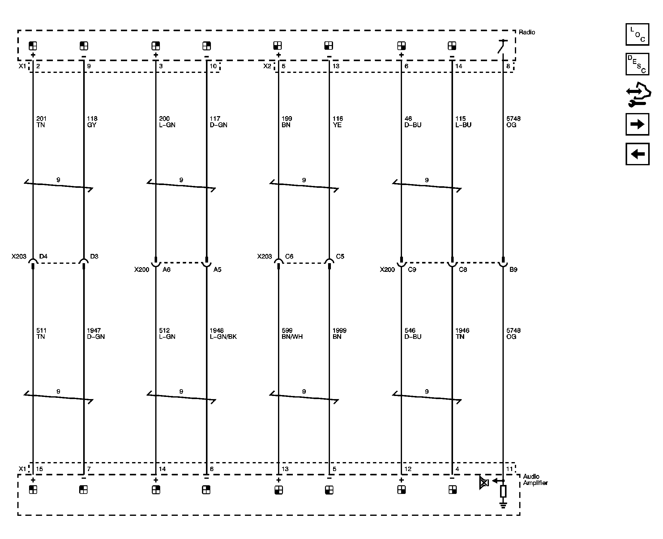
Fig 4: Audio Amplifier to Speakers - UQ3
GM2227897Courtesy of GENERAL MOTORS CORP.
Fig 5: Radio to Speakers - 9C1/9C3 w/o WX7
GM2227901Courtesy of GENERAL MOTORS CORP.
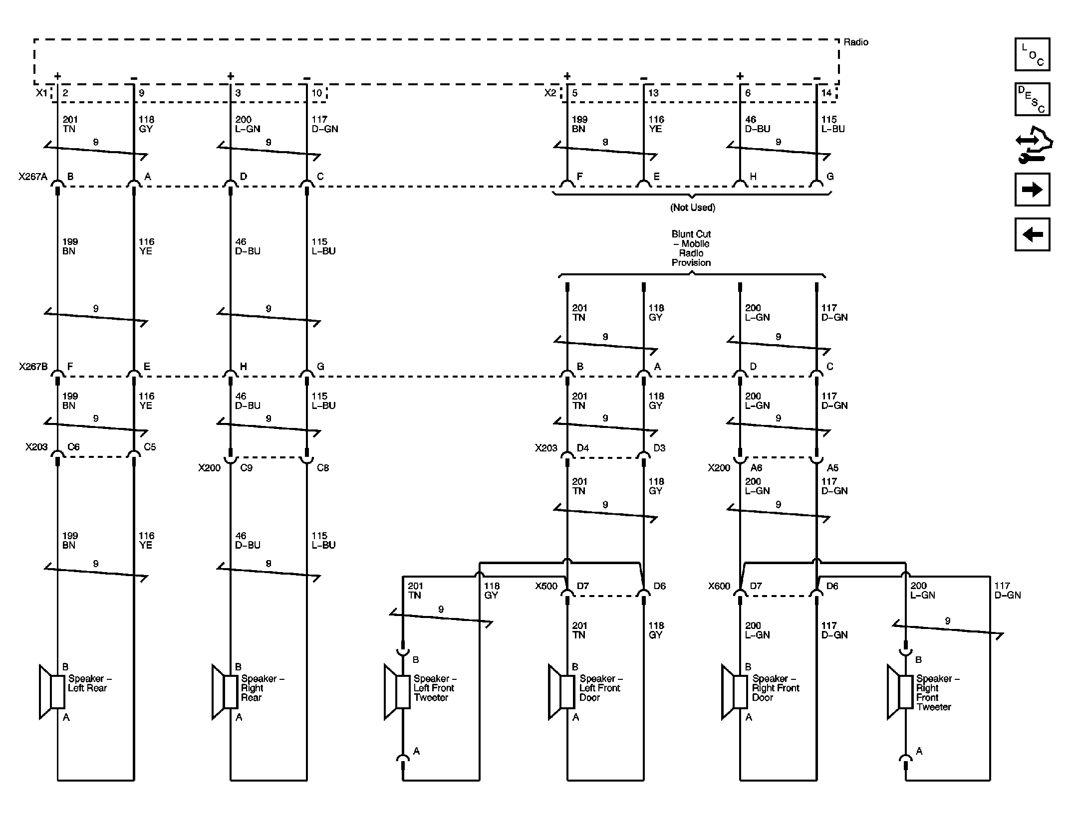
Fig 6: Radio to Speakers - 9C1/9C3 and WX7
GM2227907Courtesy of GENERAL MOTORS CORP.
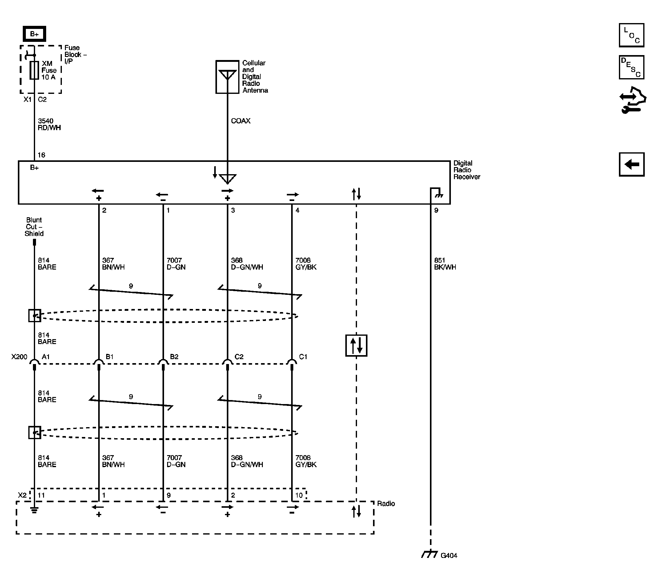
Fig 7: Satellite Radio - U2K
GM2227912Courtesy of GENERAL MOTORS CORP.