LEMON Manuals: Even more car manuals for everyone
Home >> Chevrolet >> 2010 >> HHR SS, Automatic >> Repair and Diagnosis >> Accessories & Equipment >> Infotainment >> Cellular Systems, Entertainment Systems & Navigation Systems >> Schematic and Routing Diagrams >> Radio/Navigation System Schematics

Radio/Navigation System Schematics

Fig 1: Radio (UW5)
GM2247525Courtesy of GENERAL MOTORS CORP.
Fig 2: Radio (UQ3)
GM2247527Courtesy of GENERAL MOTORS CORP.
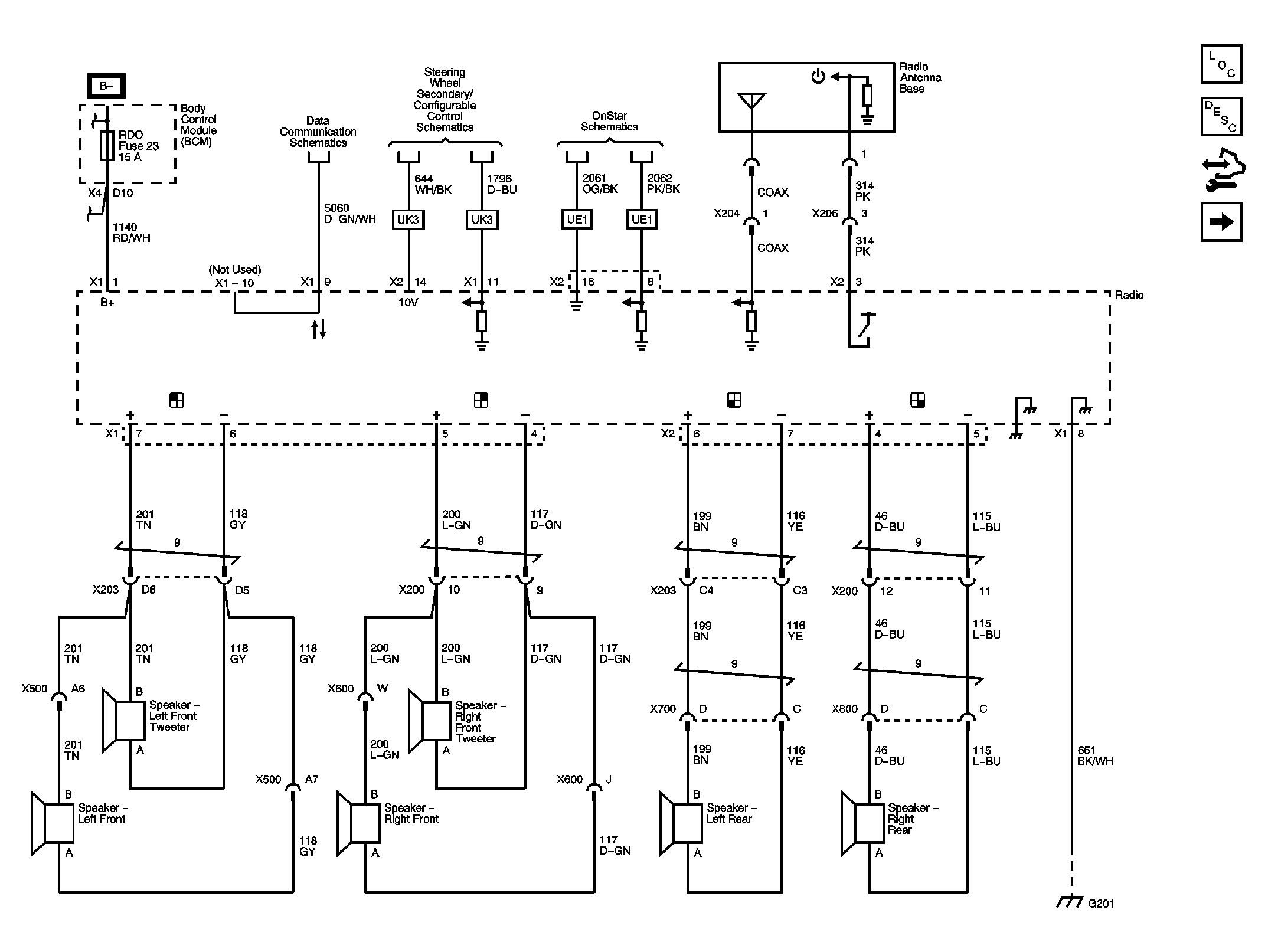
Fig 3: Radio (UQ3 with PAL)
GM2247549Courtesy of GENERAL MOTORS CORP.
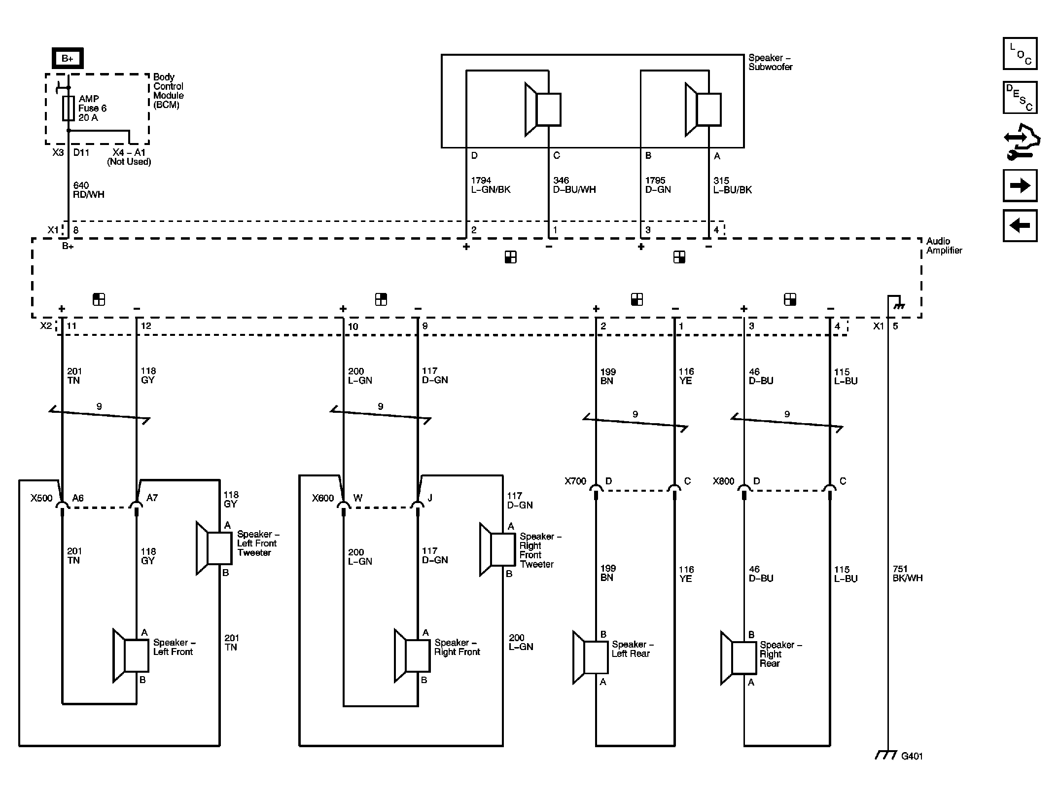
Fig 4: Amplifier (UQ3)
GM2247555Courtesy of GENERAL MOTORS CORP.
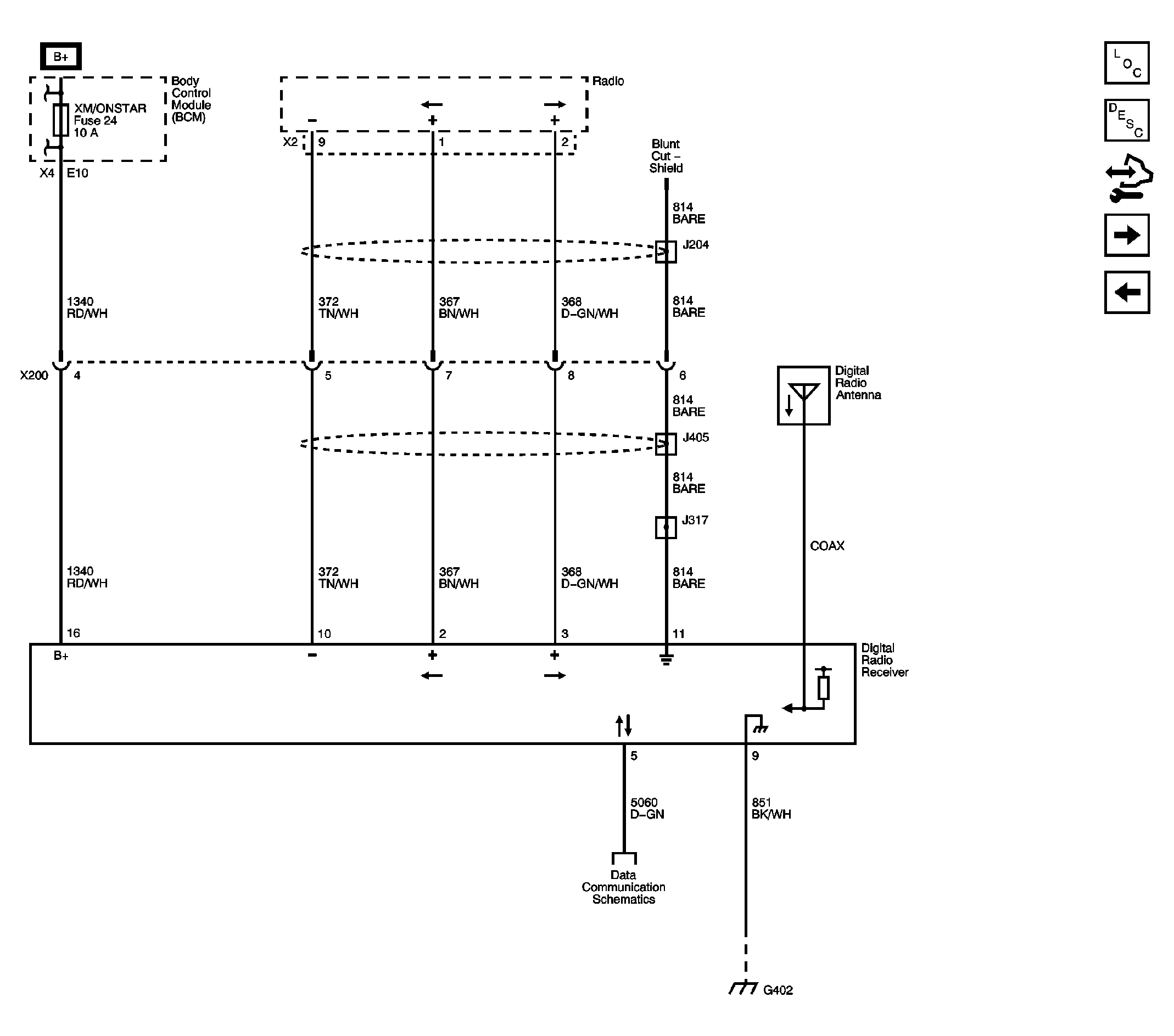
Fig 5: Digital Radio Receiver (U2K)
GM2247560Courtesy of GENERAL MOTORS CORP.
Fig 6: Digital Radio Receiver (U2K with PAL)
GM2247564Courtesy of GENERAL MOTORS CORP.
Fig 7: Personal Audio Link (PAL)
GM2247567Courtesy of GENERAL MOTORS CORP.