LEMON Manuals: Even more car manuals for everyone
Home >> Chevrolet >> 2010 >> HHR SS, Automatic >> Repair and Diagnosis >> Accessories & Equipment >> Drivers Assistance Systems - ADAS >> Object Detection System >> Schematic and Routing Diagrams >> Object Detection Schematics

Object Detection Schematics

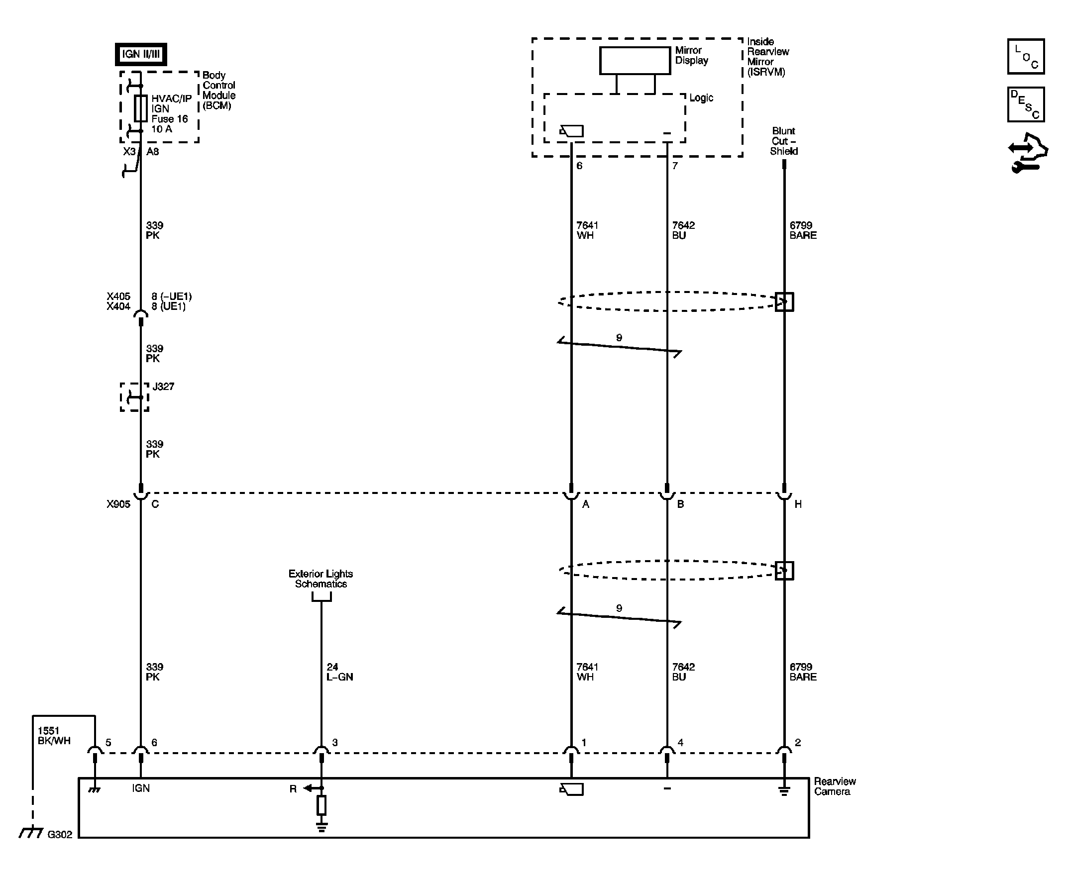
Fig 1: Rearview Camera - UVC
GM2248036Courtesy of GENERAL MOTORS CORP.