LEMON Manuals: Even more car manuals for everyone
Home >> Chevrolet >> 2010 >> Corvette Z06 >> Repair and Diagnosis >> Engine Performance >> System >> Data Communication System >> Schematic and Routing Diagrams >> Body Control System Schematics

Body Control System Schematics

Fig 1: Power, Ground and Serial Data
GM2225006Courtesy of GENERAL MOTORS CORP.
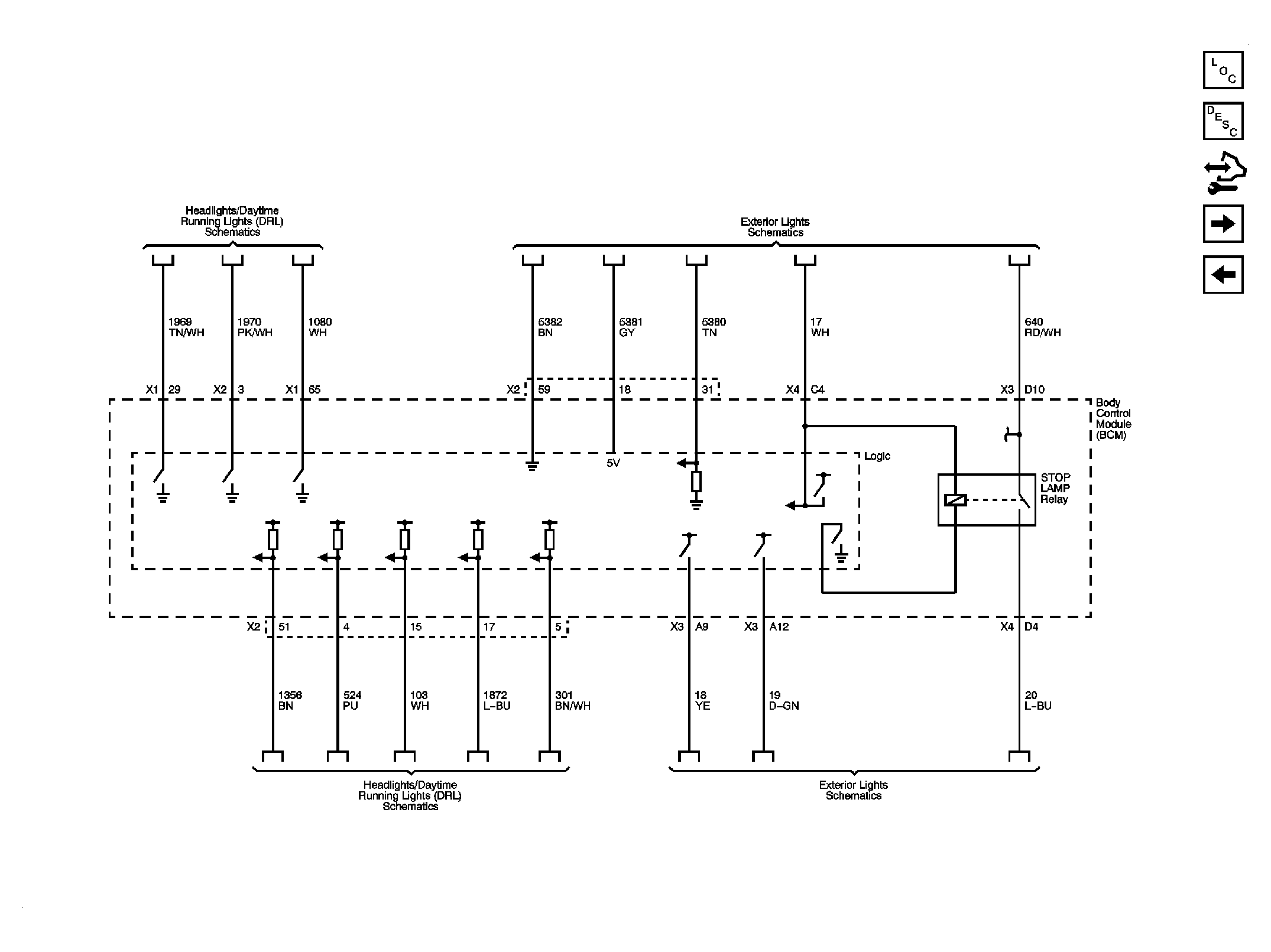
Fig 2: Lighting References (1 of 2)
GM2225007Courtesy of GENERAL MOTORS CORP.
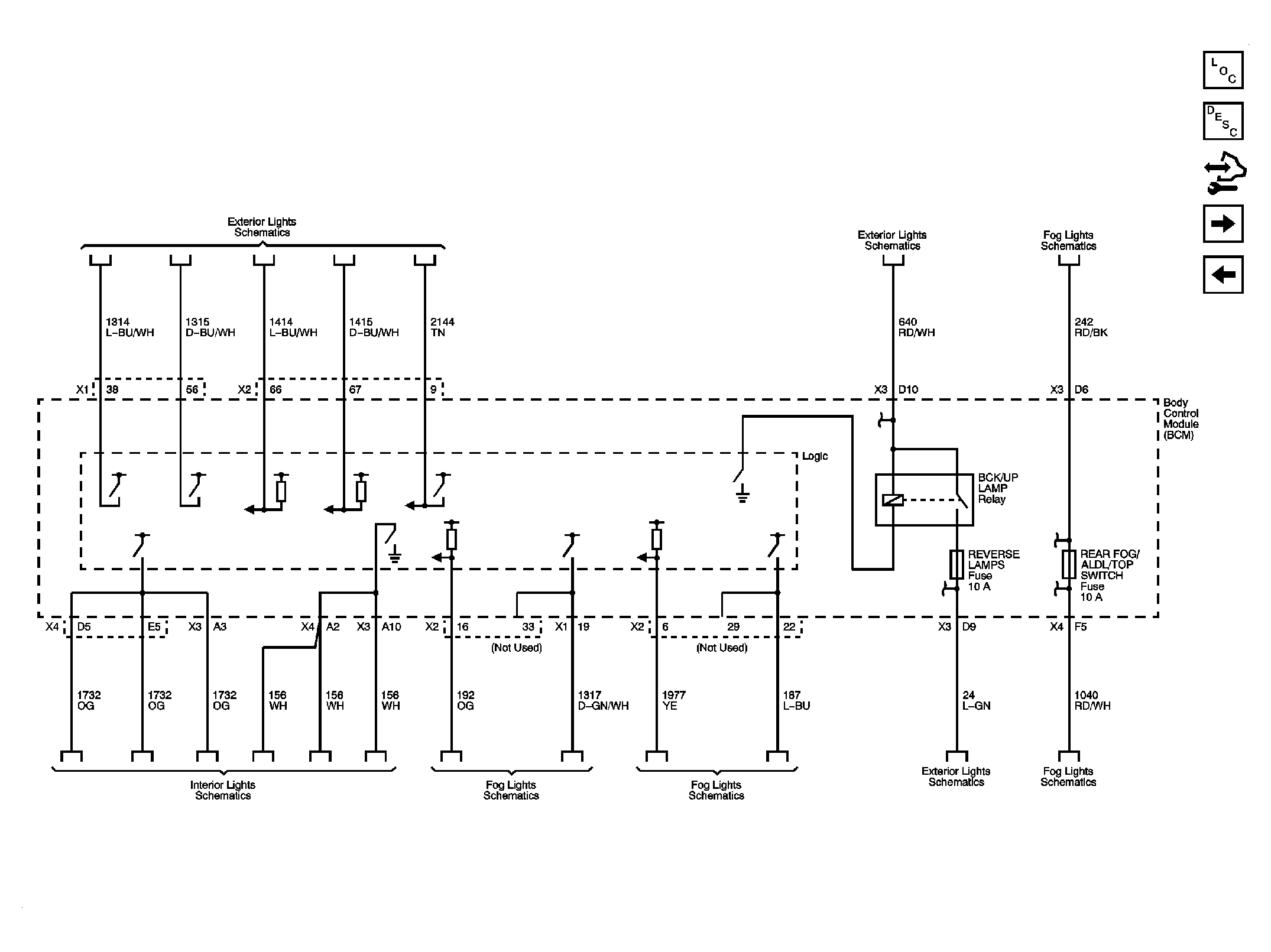
Fig 3: Lighting References (2 of 2)
GM2225008Courtesy of GENERAL MOTORS CORP.
Fig 4: Subsystem References (1 of 2)
GM2225010Courtesy of GENERAL MOTORS CORP.
Fig 5: Subsystem References (2 of 2)
GM2225011Courtesy of GENERAL MOTORS CORP.