LEMON Manuals: Even more car manuals for everyone
Home >> Chevrolet >> 2010 >> Cobalt SS >> Repair and Diagnosis >> Engine Performance >> System >> Data Communication System >> Schematic and Routing Diagrams >> Data Communication Schematics

Data Communication Schematics

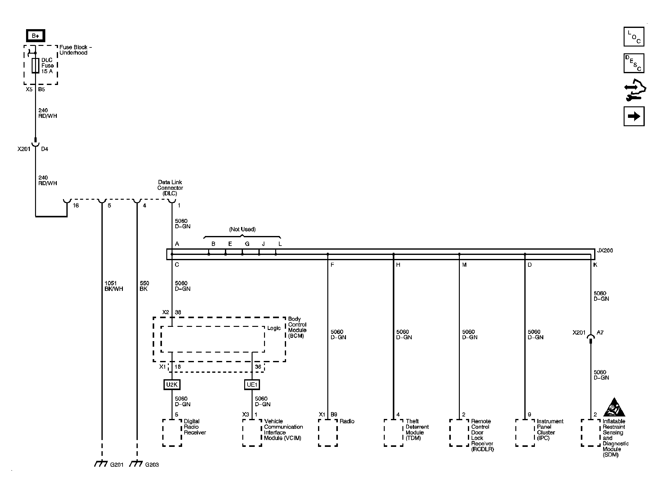
Fig 1: Power, Ground, Low Speed GMLAN
GM2249282Courtesy of GENERAL MOTORS CORP.
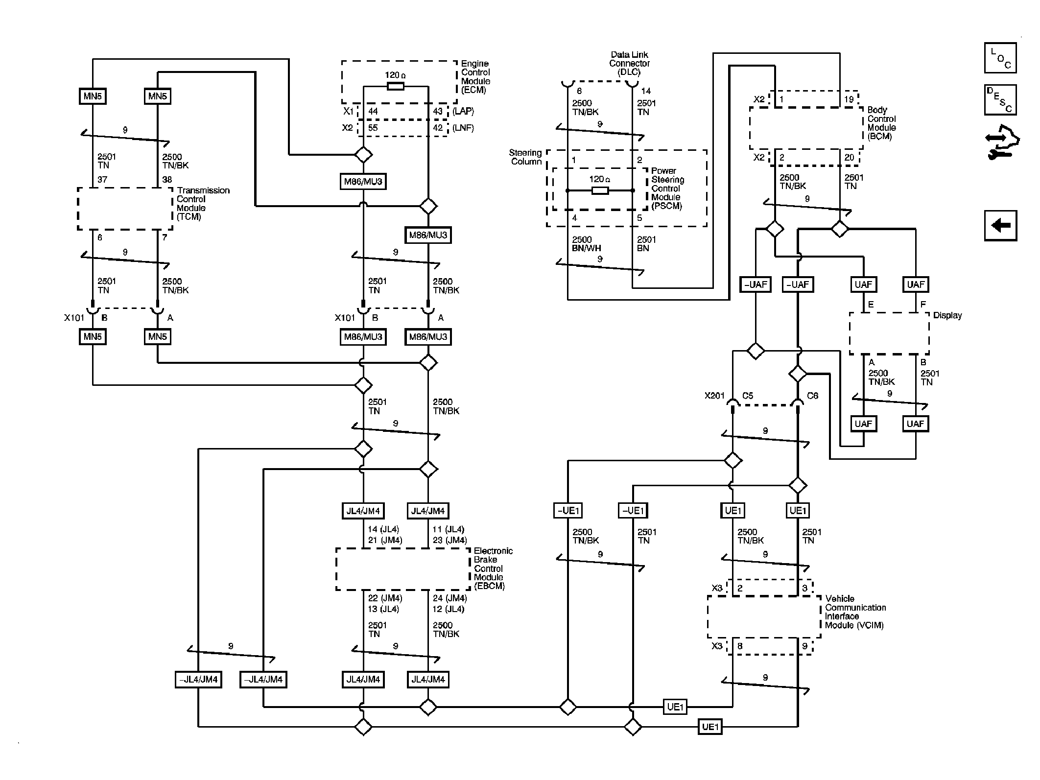
Fig 2: High Speed GMLAN
GM2249285Courtesy of GENERAL MOTORS CORP.