LEMON Manuals: Even more car manuals for everyone
Home >> Chevrolet >> 2009 >> Uplander Base, 3.9 1 >> Repair and Diagnosis >> Accessories & Equipment >> Collision/Avoidance >> Object Detection >> Schematic and Routing Diagrams >> Object Detection Schematics

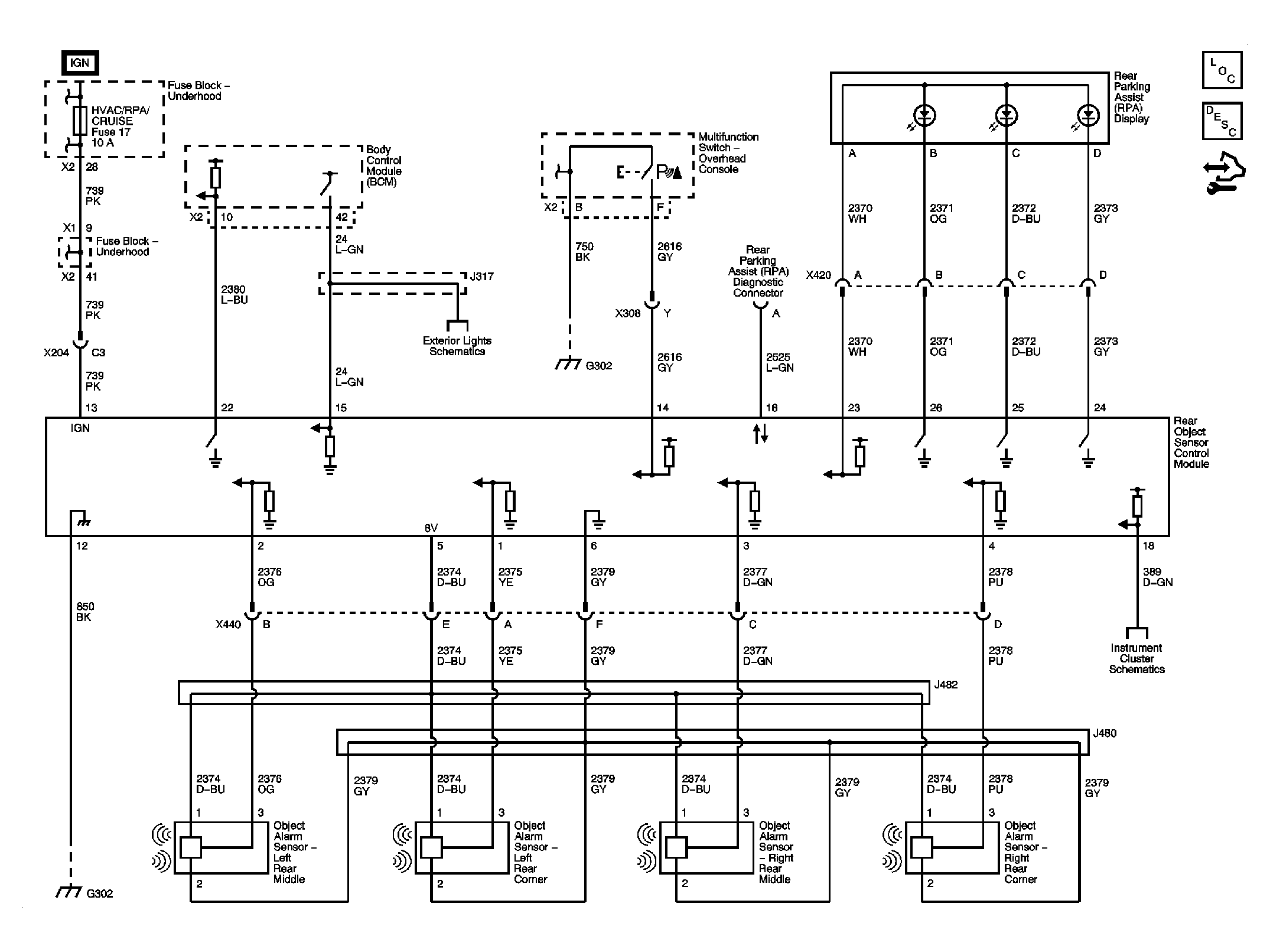
Object Detection Schematics

Fig 1: Object Detection Schematic
GM2060626Courtesy of GENERAL MOTORS CORP.