LEMON Manuals: Even more car manuals for everyone
Home >> Chevrolet >> 2009 >> Traverse LS, AWD >> Repair and Diagnosis >> External Pages >> Different car >> Section 20 (Cellular Systems, Entertainment Systems & Navigation Systems) >> Schematic and Routing Diagrams >> Video System Schematics

Video System Schematics

WARNING: This page is about a different car, the 2010 Saturn Outlook, 2010 GMC Acadia, 2010 Chevrolet Traverse, and 2010 Buick Enclave. However, it is still accessible from the selected car via links, so may be relevant.
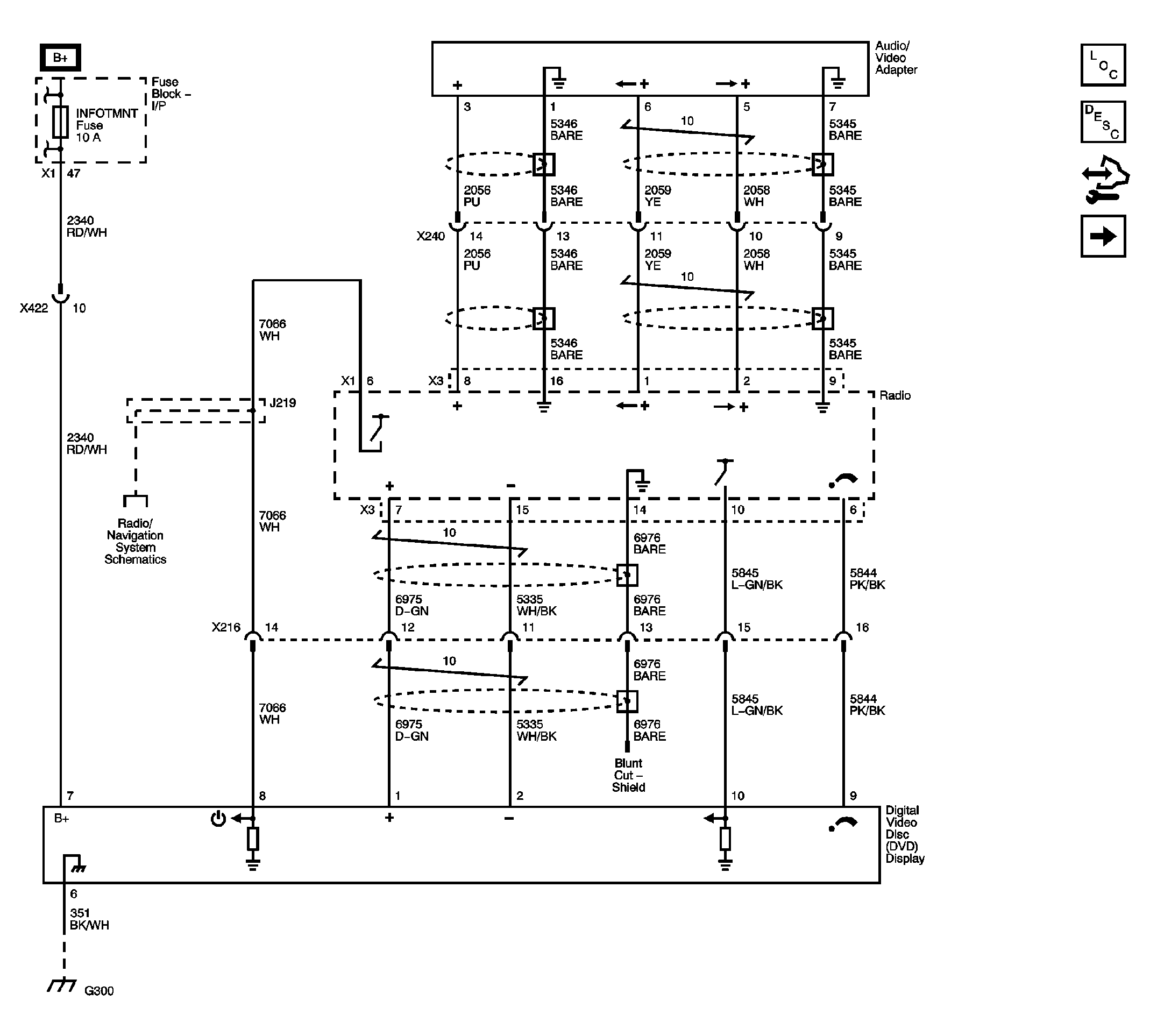
Fig 1: Video System Schematic - U42
GM2248095Courtesy of GENERAL MOTORS CORP.
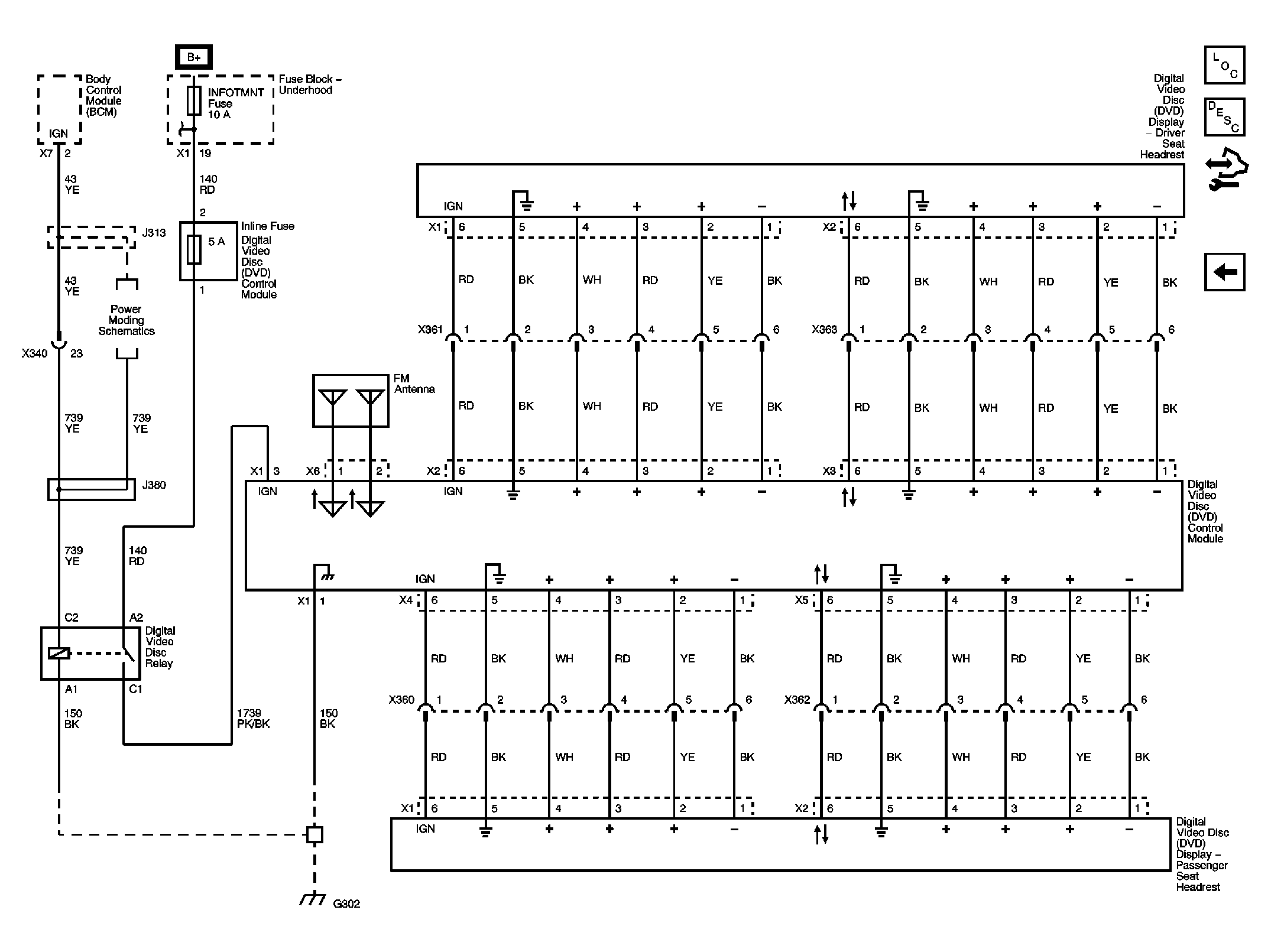
Fig 2: Headrest DVD Circuit Schematic (SPO Accessory)
GM2290113Courtesy of GENERAL MOTORS CORP.