LEMON Manuals: Even more car manuals for everyone
Home >> Chevrolet >> 2009 >> Traverse LS, AWD >> Repair and Diagnosis >> External Pages >> Different car >> Section 159 (Object Detection System - Park Assist System) >> Wiring Schematics >> Object Detection Wiring Schematics >> Rear Park Assist (UD7)

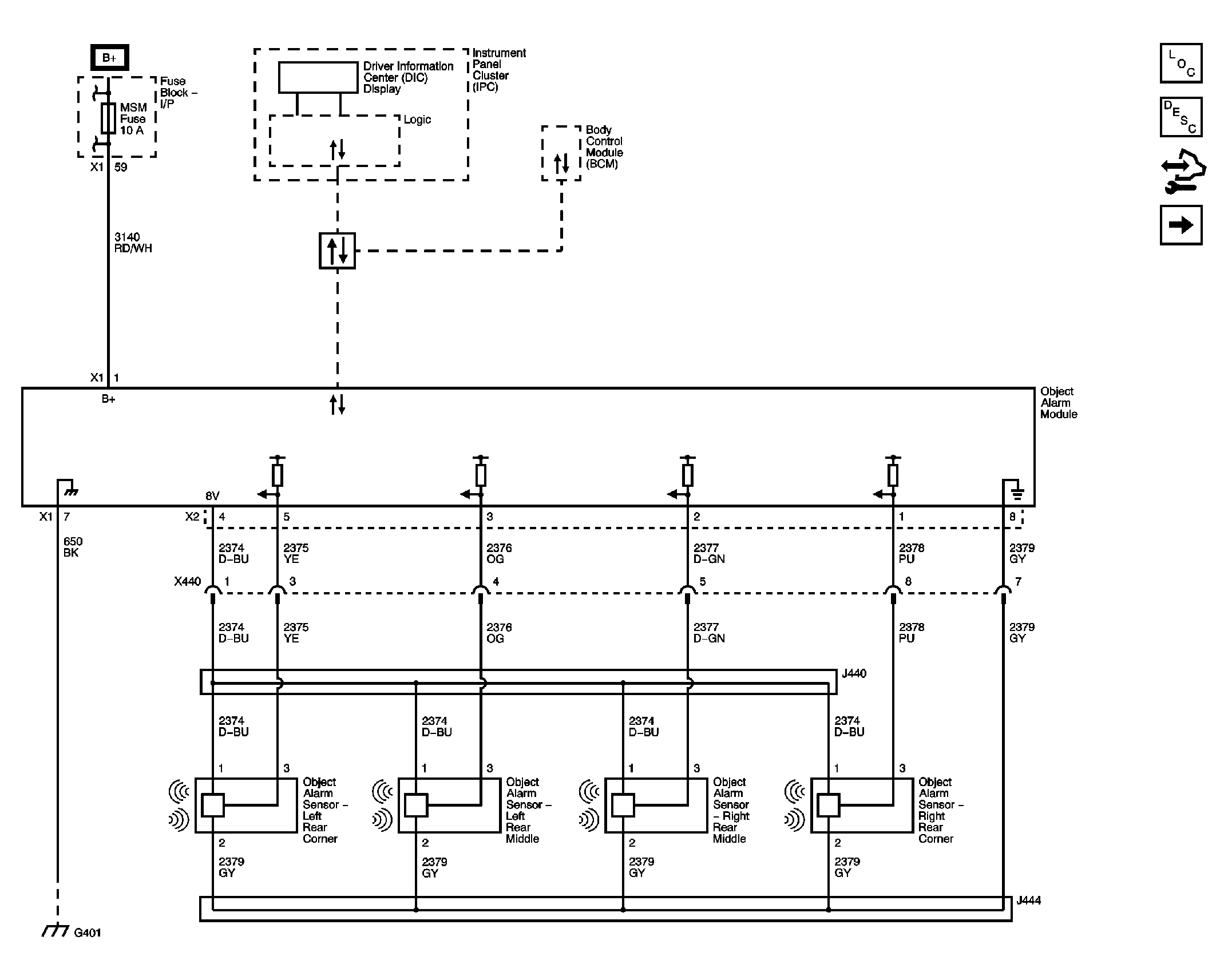
Rear Park Assist (UD7)

WARNING: This page is about a different car, the 2011 GMC Acadia, 2011 Chevrolet Traverse, and 2011 Buick Enclave. However, it is still accessible from the selected car via links, so may be relevant.
Fig 1: Rear Park Assist (UD7) Wiring Schematic
GM2382051Courtesy of GENERAL MOTORS CORP.