LEMON Manuals: Even more car manuals for everyone
Home >> Chevrolet >> 2009 >> Traverse LS, AWD >> Repair and Diagnosis >> External Pages >> Different car >> Section 130 (Cellular System, Entertainment System, And Navigation System) >> Wiring Schematics >> Video System Wiring Schematics >> U42

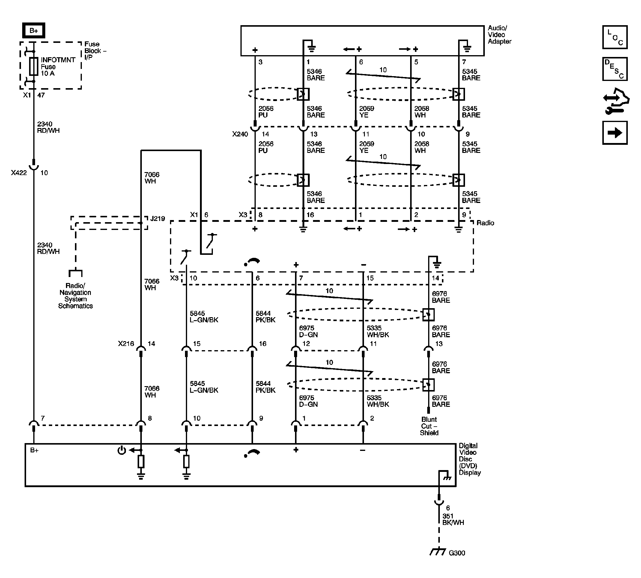
Video System Wiring Schematics: U42

WARNING: This page is about a different car, the 2011 GMC Acadia, 2011 Chevrolet Traverse, and 2011 Buick Enclave. However, it is still accessible from the selected car via links, so may be relevant.
Fig 1: U42 Wiring Schematic
GM2381754Courtesy of GENERAL MOTORS CORP.